EasyManua.ls Logo

Panasonic TH-42PV80M

Panasonic TH-42PV80M
126 pages
To Next Page IconTo Next Page
To Next Page IconTo Next Page
To Previous Page IconTo Previous Page
To Previous Page IconTo Previous Page
Loading...
36
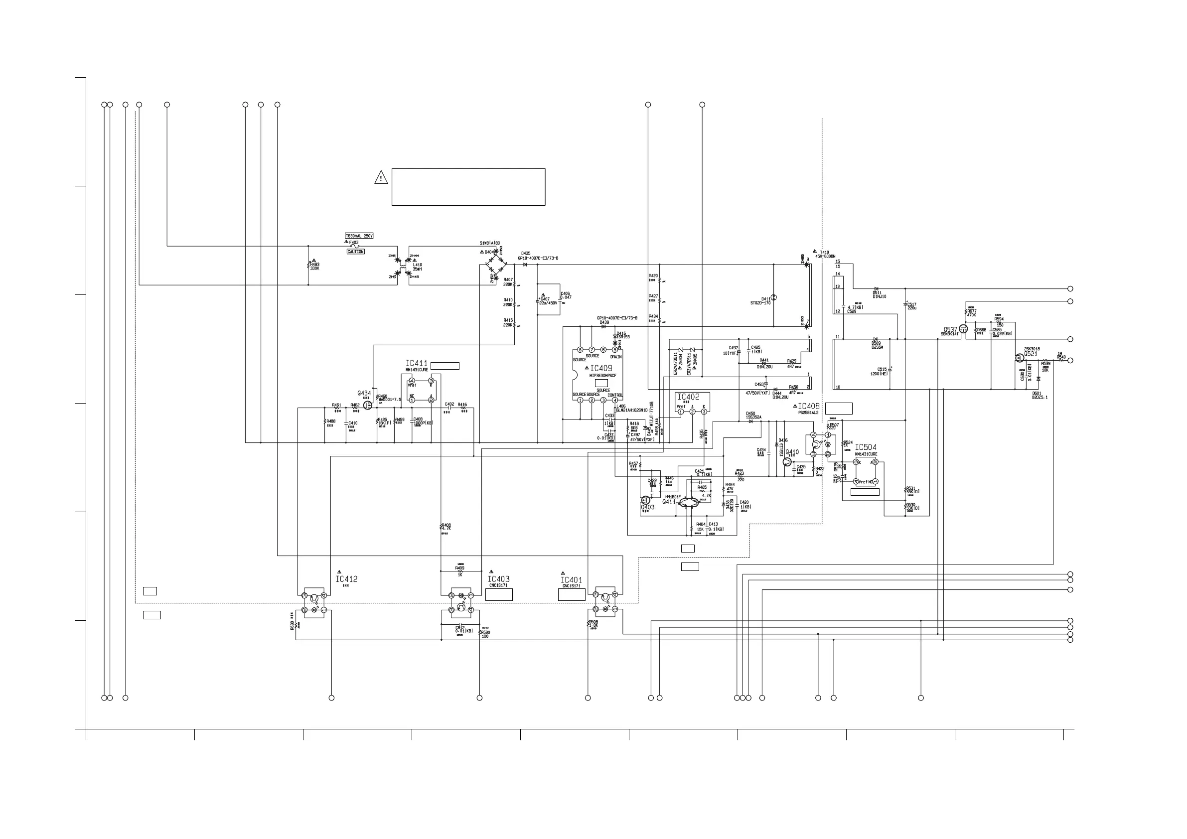
11.4. P-Board (3/6) Schematic Diagram
E
968712
F
B
4
C
5
A
3
D
TH-42PV80D/H/HM/M/MR/MS/MT
P-Board (3/6) Schematic Diagram
TH-42PV80D/H/HM/M/MR/MS/MT
P-Board (3/6) Schematic Diagram
11
12
13
14
15
16
17
18
19
20
21
AA AB AC AD AE AF AG AH AI AJ
CA CB CC CD CE CF CG CH CKCJCI CL CM COCN
COLD
HOT
COLD
HOT
PHOTO
COUPLER
PHOTO
COUPLER
IPD
ERROR DET
PHOTO
COUPLER
ERROR DET
P-BOARD (3/6)
LSEP1260MTHB (D/H/HM/MT)
LSEP1260MMHB (M/MR/MS)

Table of Contents

Related product manuals