EasyManua.ls Logo

Panasonic TH-49D400A - Page 58

Panasonic TH-49D400A
84 pages
Print Icon
To Next Page IconTo Next Page
To Next Page IconTo Next Page
To Previous Page IconTo Previous Page
To Previous Page IconTo Previous Page
Loading...
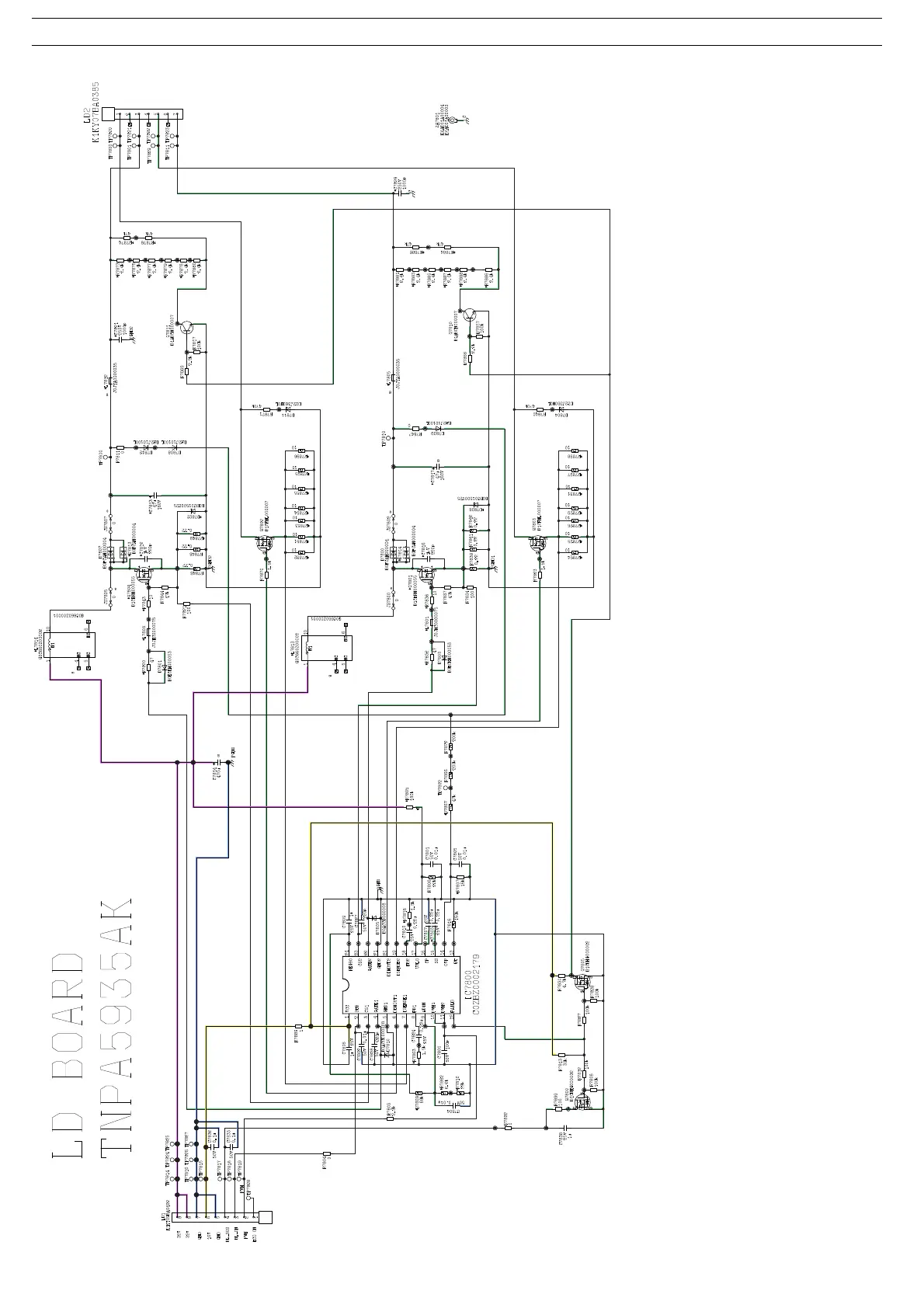
Model No.TH-49D400A / TH-49D400Z LD-Board

Other manuals for Panasonic TH-49D400A

Related product manuals