EasyManua.ls Logo

Panasonic TH-50FS600D - Page 50

Panasonic TH-50FS600D
79 pages
Print Icon
To Next Page IconTo Next Page
To Next Page IconTo Next Page
To Previous Page IconTo Previous Page
To Previous Page IconTo Previous Page
Loading...
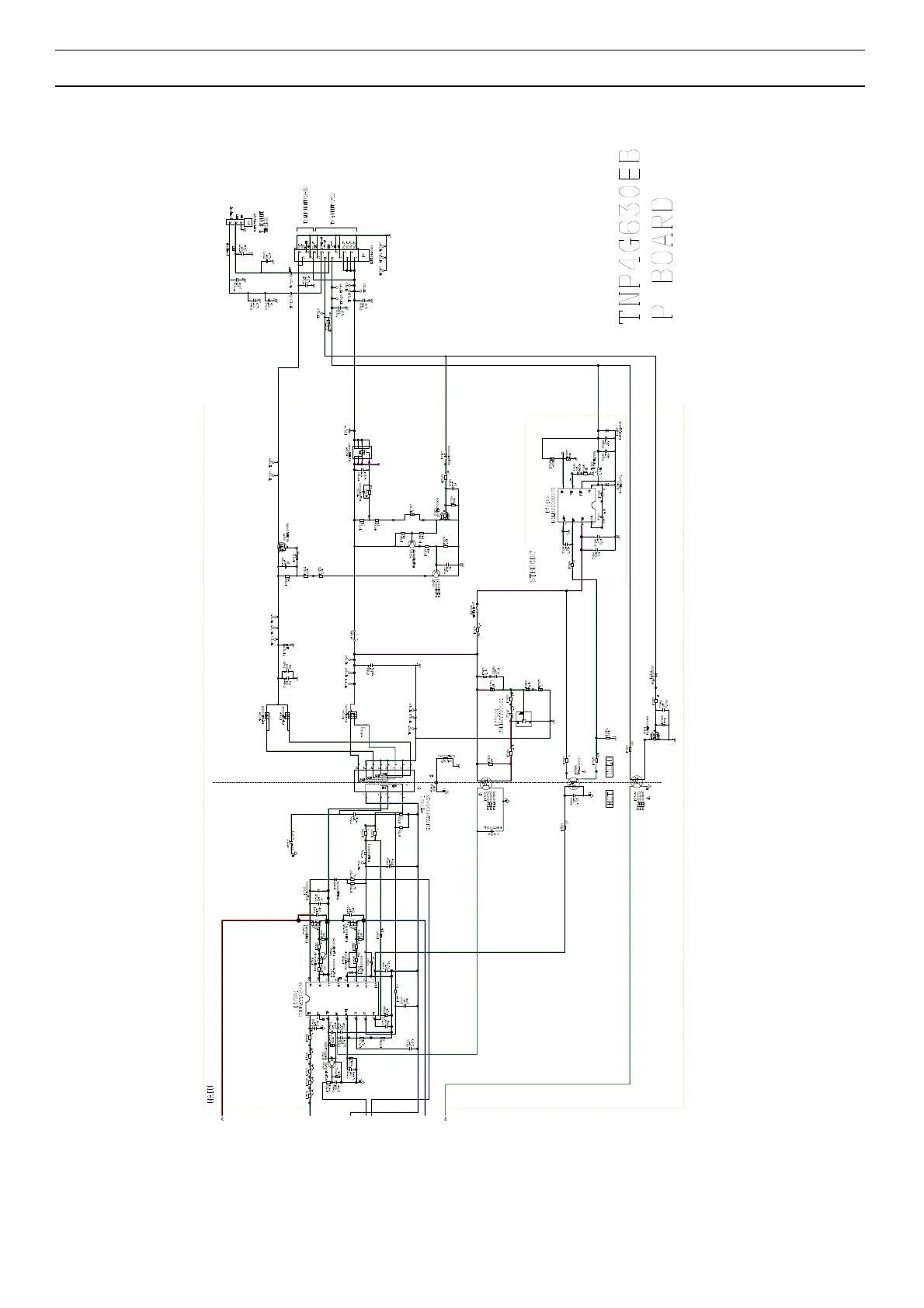
Model No. : TH-50FS600D P-Board (2/2)

Related product manuals