EasyManua.ls Logo

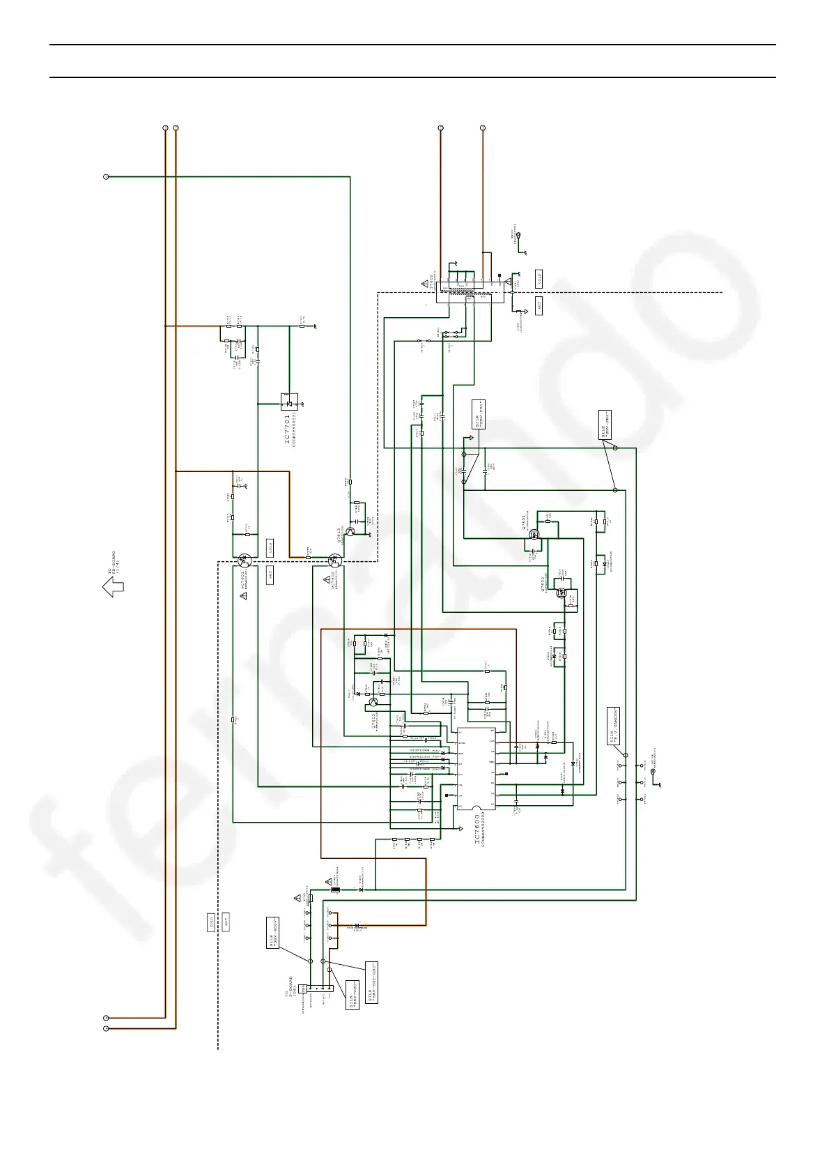
Panasonic TH-55CX700M - PB-Board - TH-55 CX700 M (3;8)

Panasonic TH-55CX700M
146 pages
To Next Page IconTo Next Page
To Next Page IconTo Next Page
To Previous Page IconTo Previous Page
To Previous Page IconTo Previous Page
Loading...
Model No. : TH-55CX700M TH-60CX700M PB-Board - TH-55CX700M (3/8)

Table of Contents

Related product manuals