EasyManua.ls Logo

Panasonic TH-L32X50D

Panasonic TH-L32X50D
65 pages
To Next Page IconTo Next Page
To Next Page IconTo Next Page
To Previous Page IconTo Previous Page
To Previous Page IconTo Previous Page
Loading...
TH-L32X50D
47
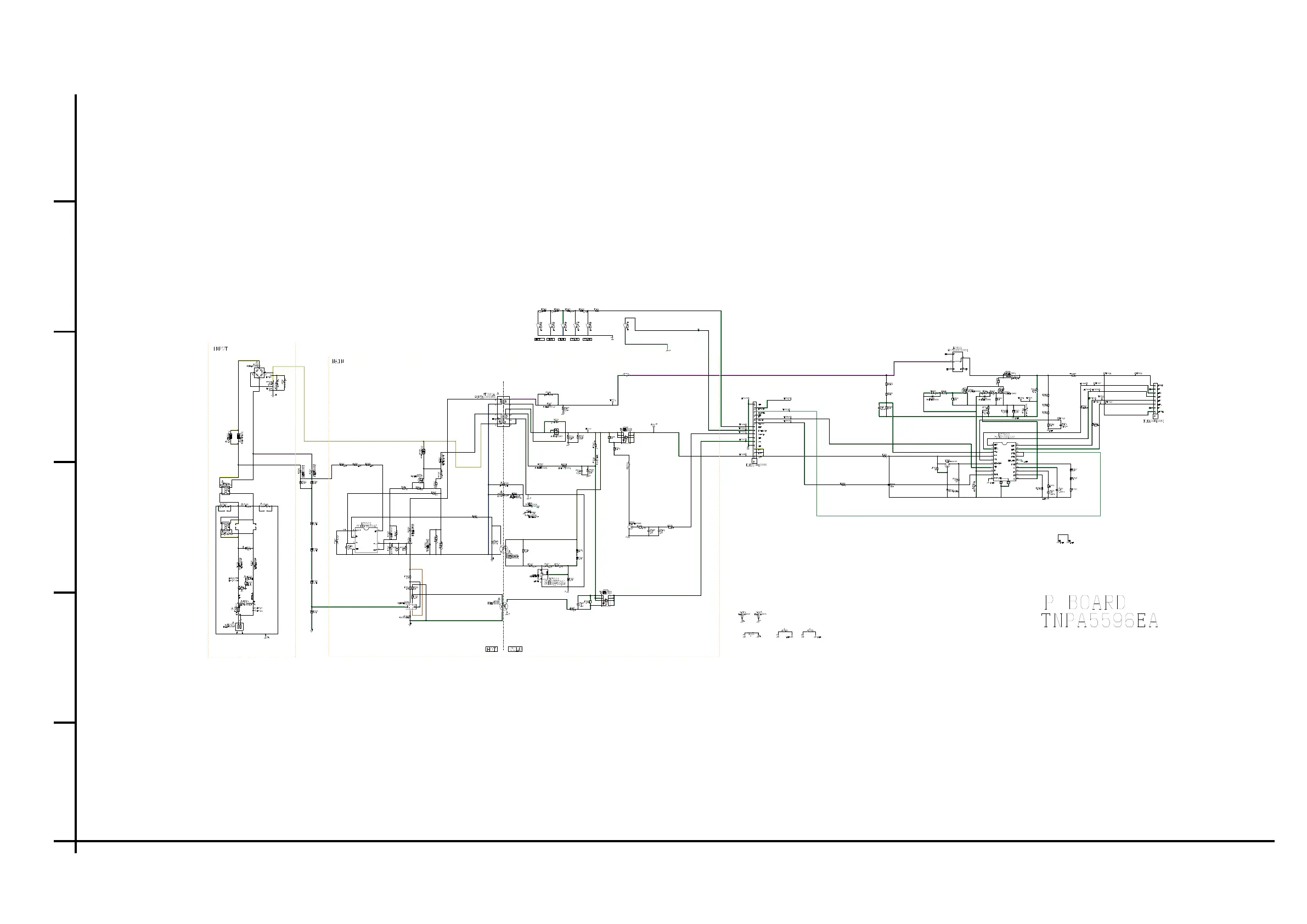
11.20. P-Board Schematic Diagram
6
5
4
3
2
1
ABCDEFGH I

Related product manuals