EasyManua.ls Logo

Panasonic TH-L42E6S - Detailed Block Diagram (1;2)

Panasonic TH-L42E6S
70 pages
Print Icon
To Next Page IconTo Next Page
To Next Page IconTo Next Page
To Previous Page IconTo Previous Page
To Previous Page IconTo Previous Page
Loading...
TH-L42E6S
28
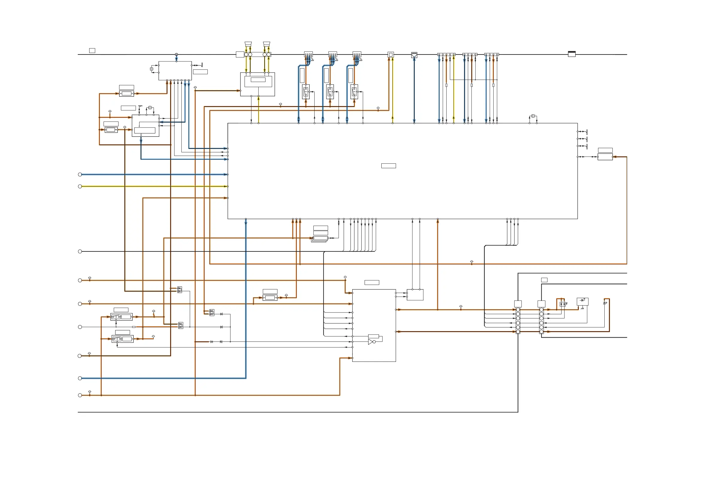
9.2. Detailed Block Diagram (1/2)
(LED:1 TIME)
(LED:9 TIMES)
(LED:9 TIMES)
VCC
GND
OUT
G
R
R_LED_ON
BL_ON
REMOTE
REMOTE
PWM_EN
KEY
POWER_ON
AI_SENSOR
G_LED_ON
BL_SOS
SUB_ON
AI_SENSOR
G_LED_ON
R_LED_ON
TV_SOS
P_PWMA
X8300
P15V
SN2800
D5178
SUB3.3V
SUB1.5V
SUB5V
X6800
D5191
STB5V
SUB1.2V
RM2800
1
2
3
D5179
SUB3.3V
D5173
SUB3.3V
D5172
D2802
D5188
P15V
SUB5V
STB3.3V
SUB3.3V
AVDDH3.3V
STB5V
D5187
X6750
1
FE_XRST
KEY
27MHz
ON BOARD TUNER
RM_IN
+1.2V
IC6800
HDMI_5V_DET3
IIC_2
HDMI1
8
SOS
DMD_
1.2V
OVP_DET
SOUND_SOS_DET
IC8101
PWM_EN
COMPONENT IN
CVBS IN
IFD
1
Paragon
Reset
Circuit
AGC
POWER_ON
STB3.3V
PANEL_VCC_ON
R(+)
3
IC8100
IC8706
A20
REMOTE
RECEIVER
USB_I/F
FE_XRST
DDR_I/F
+5V
IIC_2
TU_1.8V
FE_XRST
DDC3
DTMB
G_LED_ON
STB3.3V
IC5720
CEC
IFD1
A
AGC1
POWER LED
K10
41MHz
IC6705
4
+1.5V
15V
UART
IC8900
VBUS1
11
JK8601
TU_3.3V
BL_PWM
TV_SOS
XRST
HDMI3.3V
1.2V
WiFi
PWM_A_OUT
AGC1
USB_I/F
1
R_LED_ON
DDC IIC3
NAND_IF
OVP
DIGITAL
AUDIO OUT
HDMI_CEC
TV_SOS
A
POWER LED/REMOTE RECEIVER/C.A.T.S. SENS
SUB_ON
CATS_EYE
DDR3
USB1
IC5000
BL_SOS
2
STB3.3V
5
6
DCDC_CTL
4
9
TV_SOS
IIC_2
SPEAKER_R
R(-)
6
SUB3.3V
ANALOG-ASIC
AUDIO AMP
HDMI3
3
IC8201
SUB5V
7
SDIN
POWER_DET
DCDCEN2
L(+)
4
TMDS DATA/
CLOCK
IC8605
IFD2
PANEL_VCC_ON
DEMODULATOR
D3201
AGC2
A10
VBUS2
PWM_A_IN
IIC_0
A12
Rx1
IIC_0
STB5V
DDC1
FOR
FACTORY
USE
ETHERNET
R_LED_ON
2
SUB3.3V
JK8602
4
LATCH
SUB_ON
IC4900
L(-)
K
MAIN
5
SPEAKER_L
G_LED_ON
AI_SENSOR
IC8602
JK8650A
10
Paragon
PWM_POWON
+1.8V
DDC IIC1
IC5704
USB_I/F
SUB_AI_3.3V
DCDCEN
C.A.T.S.
SENSOR
IIC_2
1
SUB1.2V
HDMI_5V_DET1
PANEL_PWM
VBUS3
TS I/F
PWM_EN
JK4701 JK4703
+3.3V
LVDS_Tx
+5V
ETHER_I/F
7
3
CN0100
MAIN
P15V
LVDS_DATA
Rx3
L/R IN
UART
REMOTE
IC8000
AUDIO_OUT
TMDS DATA/
CLOCK
IEC_OUT
IIC_0
IIC_2
UART
7
BL_ON
USB2
SUB_ON
IC8603
IC8200
P_PWMA
NAND
FLASH
SUB1.5V
HDMI_CEC
5
RF IN
24MHz
JK6750
HDMI_CEC
ARC_OUT
DDC IIC0
DDC2
TMDS DATA/
CLOCK
Rx2
+5V
HDMI_5V_DET2
HDMI2
JK4702
(LED:1 TIME)
(LED:9 TIMES)
(LED:8 TIMES)

Table of Contents

Related product manuals