EasyManua.ls Logo

Panasonic TX-48AS640B - Block Diagram; Block Diagram (1;2)

Panasonic TX-48AS640B
37 pages
Print Icon
To Next Page IconTo Next Page
To Next Page IconTo Next Page
To Previous Page IconTo Previous Page
To Previous Page IconTo Previous Page
Loading...
31
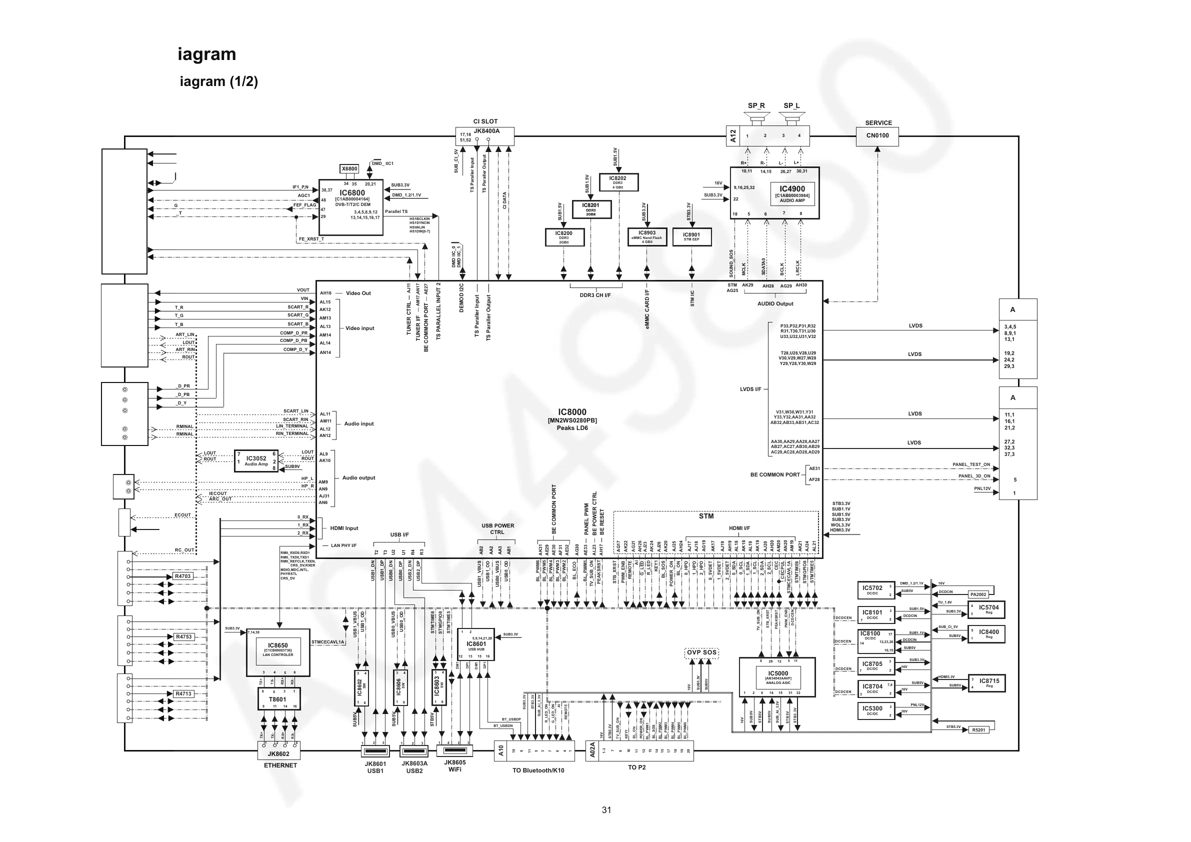
10 Block Diagram
10.1. Block Diagram (1/2)
IC8000
[MN2WS0280PB]
Peaks LD6
DMD IIC_0
DMD IIC_1
DEMOD I2C
JK3011
AV_V 20
AV_VOUT 19
AV_RED/C 15
AV_GREEN 11
AV_BLUE 7
AV_L 6
AV_LOUT 3
AV_R 2
AV_ROUT 1
AV 21PIN SCART
VIN
VOUT
SCART_R
SCART_G
SCART_B
SCART_LIN
SCART_RIN
LOUT
ROUT
VOUT
Video Out
AH16
AK12
AL13
Video input
LOUT
ROUT
IC3052
Audio Amp
1
2
6
7
SUB9V
8
AL9
AK10
Audio output
SCART_R
SCART_G
SCART_B
AM13
SCART_LIN
SCART_RIN
AL11
AM11
Audio input
LOUT
ROUT
VIN
AL15
Y
PB
PR
L
R
L
JK3001B
AUDIO
IN
LIN_TERMINAL
L
R
COMP_D_PR
COMP_D_PB
COMP_D_Y
RIN_TERMINAL
AM14
AN14
COMP_D_Y
AL14
COMP_D_PR
COMP_D_PB
LIN_TERMINAL
RIN_TERMINAL
AL12
AN12
HP_L
JK3111A
HP-OUT
HP_R
HP_L
HP_R
AM9
AN9
Digital
Audio Out
D3101
IECOUT
SUB3.3V
IECOUT
AJ31
0_RX
1_RX
HDMI Input
ARC_OUT
Y/Vin,PB,PR
JK4702
HDMI2
1_HPD
1_5VDET
1_SDA
1_SCL
CEC
1_RX
JK4703
HDMI1
0_HPD
0_5VDET
0_SDA
0_SCL
CEC
0_RX
JK4701
HDMI3
2_HPD
2_5VDET
2_SDA
2_SCL
CEC
2_RX
R4703
R4713
R4753
STM
HDMI I/F
2_HPD
1_HPD
0_HPD
0_SDA
0_SCL
1_SDA
1_SCL
2_SDA
2_SCL
0_5VDET
1_5VDET
CEC
AJ17
AJ18
AG19
AK17
AJ19
2_5VDET
AH19
AL18
AK18
AL19
AK19
AJ20
AH20
AM20
2_RX
AN6
CECPUL
AN20
ETHERNET
JK8602
9
T8601
1
2
3
6
11
14
16
8
6
3
1
TX+
TX-
RX+
RX-
IC8650
[C1CB00003736]
LAN CONTROLER
6
5
4
3
RMII_RXD0,RXD1
RMII_TXD0,TXD1
RMII_REFCLK,TXEN,
CRS_DV,RXER
MDIO,MDC,INTL,
PHYRSTL
CRS_DV
SUB3.3V
7,14,30
TX+
TX-
RX+
RX-
LAN PHY I/F
STMCECAVL1A
STMCECAVL1A
AM19
ARC_OUT
JK8605
WiFi
1
2
3
IC8603
SW
6
1
3 4
STB5V
STMTIME6
STMGPIO8
DM1
DP1
IC8601
USB HUB
12
13
SUB3.3V
5,9,14,21,28
DM1
DP1
15
16
BT_USBDP
BT_USBDN
JK8601
USB1
1
2
3
IC8602
SW
6
1
3
4
SUB5V
JK8603A
USB2
1
2
3
IC8606
SW
6
1
3
4
SUB5V
USB1_VBUS
USB0_VBUS
USB1_OD
USB0_OD
USB1_DP
USB1_DN
USB0_DP
USB0_DN
T3
T2
U1
USB I/F
U2
1
2
STMTIME6
STMGPIO8
AK21
AJ24
4
STMTIME5
STMTIME5
AL21
USB1_VBUS
USB1_OD
USB0_VBUS
USB0_OD
USB2_DN
USB2_DP
R4
R3
AB2
AA2
AA3
AB1
USB POWER
CTRL
A10
9
3
10
11
5
TO Bluetooth/K10
SUB3.3V
STB3.3V
SUB_AI_3.3V
7
1
6
4
R_LED_ON
G_LED_ON
AI
REMOTE
3
7
9-10
12
A02A
TO P2
9
10
1-3
11
7
STB5.3V
POWER_ON
BL_ON
KEY1
12
TV_SUB_ON
IC5000
[AN34043AAVF]
ANALOG ASIC
1
6 2
14
31
STB5V
STB5V
SUB5V
SUB9V
28 12
32
STB3.3V
PEAKSRST
STB_XRST
15
SUB_AI_3.3V
16V
OVP SOS
SUB3.3V
SUB5V
16V
8
TV_SUB_ON
5
PWM_ENB
DCDCEN
11
16V
CI SLOT
JK8400A
17,18
51,52
SUB_CI_5V
TS Paraller Output
TS Paraller Input
CI DATA
TS Paraller Output
TS Paraller Input
IC8200
DDR3
2GBit
SUB1.5V
IC8201
DDR3
2GBit
DDR3 CH I/F
IC8202
DDR3
4 GBit
SUB1.5V
IC8201
DDR3
2GBit
SUB1.5V
SP_
R
SP_L
A12
IC4900
[C1AB00003984]
AUDIO AMP
5
6
7
8
1
2 3
4
9,16,25,32
10,11
14,15 26,27
30,31
L-
L+
R+
R-
AK29
AH28 AG29
AH30
AUDIO Output
SOUND_SOS
STM
AG25
18
BCLK
MCLK
LRCLK
SDATA0
16V
SUB3.3V
22
STM IIC
IC8903
eMMC Nand Flash
4 GBit
SUB3.3V
eMMC CARD I/F
IC8901
STM EEP
STB3.3V
A15
3,4,5,6
8,9,11,12
13,14,15,16
19,20,21,22
24,25,27,28
29,30,31,32
48
PANEL_TEST_ON
TO PANEL
LVDS I/F
T28,U28,V28,U29
V30,V29,W27,W28
Y29,Y28,Y30,W29
LVDS
LVDS
1-4
PNL12V
AE31
BE COMMON PORT
A16
11,12,13,14
16,17,19,20
21,22,23,24
27,28,29,30
32,33,35,36
37,38,39,40
V31,W30,W31,Y31
Y33,Y32,AA31,AA32
AB32,AB33,AB31,AC32
AA30,AA29,AA28,AA27
AB27,AC27,AB30,AB29
AC29,AC28,AD28,AD29
LVDS
LVDS
1-4
8
PANEL_3D_ON
51
AF28
TO PANEL
13
BL_PWM1
BL_SOS
14
15
17
18
19
20
BL_ON
AH24
POWER_ON
AJ25
BL_SOS
AK20
KEY1
AJ26
TV_SUB_ON
AL23
BE POWER CTRL
BL_ECO
AG30
BL_PWM1
AE33
PANEL PWM
AE32
AF31
AE30
AE29
AK31
BE COMMON PORT
REMOTE
R_LED
G_LED
AI
AG21
AH26
AJ23
AK24
PWM_ENB
AK22
PEAKSRST
AH17
BE RESET
STB_XRST
AG17
IC5300
DC/DC
2
3
16V
PNL12V
IC8704
DC/DC
2
7,8
16V
SUB5V
IC8705
DC/DC
2
3
16V
SUB3.3V
IC8100
DC/DC
17
SUB1.1V
IC8101
DC/DC
2
3
SUB1.5V
IC5702
DC/DC
2
3
SUB5V
DMD_1.2/1.1V
IC8715
Reg
4
3
SUB5V
HDMI3.3V
IC8400
Reg
1
5
SUB5V
SUB_CI_5V
DCDCEN
DCDCEN
DCDCEN
DCDCEN
3
7
14
7
STB3.3V
SUB1.1V
SUB1.5V
SUB3.3V
WOL3.3V
HDMI3.3V
STB5.3V
R5201
IC5704
Reg
3
4
SUB3.3V
TU_1.8V
TUNER DVB-A/T2/C
TU6705
SUB3.3V
TU_1.8V
2
3,4
1,32
DMD IIC_0
38,37
DMD_ IIC1
DMD_1.2/1.1V
SUB3.3V
48
IC6800
[C1AB00004164]
DVB-T/T2/C DEM
IF1_P,N
HS1BCLKIN
HS1SYNCIN
HSVALIN
HS1DIN[0-7]
Parallel TS
3,4,5,8,9,12
13,14,15,16,17
34
35
X6800
AGC1
FEF_FLAG
47
20,21
29
FE_XRST_T
IF1_P,N
6,7
AGC1
5
FEF_FLAG
12
11
FE_XRST_T
IF2_N,P
AGC2
8,9
10
AE27
BE COMMON PORT
AM17,AN17
TUNER I/F
AJ11
TUNER CTRL
TS PARALLEL INPUT 2
SERVICE
CN0100
DCDCIN
16V
PA2002
12,23,26
DCDCIN
DCDCIN
BL_PWM2
BL_PWM3
BL_PWM4
BL_PWM5
BL_PWM6
BL_PWM2
BL_PWM3
BL_PWM4
BL_PWM5
BL_PWM6
P33,P32,P31,R32
R31,T30,T31,U30
U33,U32,U31,V32
10,15
SUB5V

Related product manuals