EasyManua.ls Logo

Panasonic TX-L42D25B - Page 76

Panasonic TX-L42D25B
86 pages
Print Icon
To Next Page IconTo Next Page
To Next Page IconTo Next Page
To Previous Page IconTo Previous Page
To Previous Page IconTo Previous Page
Loading...
Thermal
Pad
Thermal
Pad
Thermal
Pad
Thermal Pad
S
S
S
S
S
S
S
S
S
S
S
S
S
S
S
S
GUARD
VGH
VGH
GUARD
VGL
VGL
VGL
GUARD
GUARD
*C9274
50V
0.1u
10%
10%
C9270
25V
0.1u
C9266
10u
25V
10%
10%
C9260
25V
0.1u
*C9279
220p
50V
5%
C9289
50V
0.1u
10%
C9252
10u
25V
10%
C9259
10u
10V
10%
C9248
25V
1u
10%
C9283
50V
0.1u
10%
C9241
10u
25V
10%
C9257
10u
10V
10%
C9249
1u
50V
20%
C9256
50V
0.1u
10%
10%
C9268
25V
0.1u
10%
*C9271
50V
1000p
C9243
10u
25V
10%
C9254
10u
25V
10%
C9272
10u
25V
10%
C9267
10u
25V
10%
C9269
50V
0.022u
10%
C9286
10u
25V
10%
C9275
10u
25V
10%
C9288
10u
25V
10%
*C9280
50V
1500p
10%
C9263
10u
25V
10%
*C9284
25V
1u
10%
5%
C9291
50V
120p
C9290
10u
25V
10%
C9242
1u
50V
20%
C9287
50V
0.1u
10%
C9278
50V
0.022u
10%
C9285
10u
25V
10%
C9262
50V
0.1u
10%
5%
C9250
50V
22p
C9264
10u
25V
10%
*C9276
50V
0.1u
10%
C9258
10u
10V
10%
C9247
1u
16V
10%
C9277
50V
0.1u
10%
C9265
10u
25V
10%
C9251
10u
25V
10%
C9255
10u
10V
10%
10%
*C9273
50V
1000p
C9309
0.1u
16V
C9308
0.1u
16V
C9310
0.1u
16V
C9314
0.1u
16V
C9312
0.1u
16V
C9313
0.1u
16V
C9311
0.1u
16V
C9315
50V
0.1u
10%
C9316
50V
0.1u
10%
C9317
50V
0.1u
10%
C9297
0.1u
16V
*C9318
10u
25V
10%
C9319
10u
25V
10%
C9325
50V
0.1u
10%
D9204
B0JCPE000004
RB051L-40TE25
D9205
B0JCPE000004
RB051L-40TE25
C0DBAYY00731
IC9207
TPS65170RHDR
25
PGND
26
PGND
27
VIN
28
VIN
1
VL
2
SWB
3
SWB
4
CTRLN
5
FBN
6
FBB
7
/RST
8
AGND
9
NC
10
NC
11
NC
12
NC
13
NC
14
AGND
15
DLY
16
CRST
17
SS
18
COMP
19
FB
20
FBP
21
CTRLP
22
GD
23
SW
24
SW
GND
C1AB00003246
IC9204
TPS65192RHDR
25
FLK3
26
FLK2
27
FLK1
28
VSENSE
1
IN9
2
IN8
3
IN7
4
IN6
5
IN5
6
IN4
7
IN3
8
IN2
9
IN1
10
VGH1
11
VGL
12
VGH2
13
OUT1
14
OUT2
15
OUT3
16
OUT4
17
OUT5
18
OUT6
19
OUT7
20
OUT8
21
OUT9
22
DISCHARGE
23
GND
24
RE
VGL
C0DBAYY00730
IC9205
TPS62110GRSAR
1
PGND
2
VIN
3
VIN
4
EN
9
AGND
10
FB
11
GND
12
GND
POWER PAD
16
PGND
13
PG
5
SYNC
8
VINA
14
SW
15
SW
6
LBO
7
LBI
L9204
G1C220MA0234
22u
NR8040T220M
L9203
G1C220MA0234
22u
NR8040T220M
C
C
C
C
C
C
C
C
C
C
C
C
C
C
C
C
C
C
C
C
C
C
C
C
C
C
C
C
C
C
C C
C
C
C
C
C
C
C
C
LVCC3.3V
PNL12V
LVCC3.3V
LVCC3.3V
H_VDD8V
LVCC3.3V
VGL_I
LVDD16V
LVDD16V
H_VDD8V
PNL12V
LVDD16V
LVCC3.3V
LVCC3.3V
LVDD16V
LVDD16V
LVCC3.3V
LVDD16V
TP9206
TP9211
TP9209
TP9207
TP9210
TP9208
GVST_I
GVDD_ODD
GCLK6
GCLK2
GVDD_EVEN
GCLK3
GCLK4
GCLK5
GCLK1
CLK2
CLK5
CLK1
GMA12
GMA6
CLK4
VDD_ODD
VCOMR
VCOML
VDD_EVEN
GMA7
GMA13
CLK3
GMA16
VGI_P
VGI_N
CLK6
GMA4
GMA15
RESET
VST
GMA3
PG_SCL
PG_SDA
Q9202
B1DHCD000023
1/16W
1%
*R9319
16k
1/16W
1%
R9294
100k
1/16W
1%
*R9313
56k
1/16W
1%
*R9287
8.2k
1/16W
R9291
0
1/16W
R9301
0
1/16W
*R9315
2.2
1/16W
1%
*R9266
3k
1/16W
1%
*R9312
15k
1/16W
1%
R9298
20
1/16W
1%
R9275
3k
1/16W
1%
R9261
20k
1/16W
1%
R9306
2.2
1/16W
1%
R9290
2.2
1/16W
*R9279
0
1/16W
*R9282
0
1/16W
1%
*R9264
20
1/16W
R9297
0
1/16W
1%
*R9309
51k
1/16W
1%
*R9278
82k
1/16W
Others
*R9273
0
1/16W
1%
R9314
100k
1/16W
1%
R9288
100
1/16W
R9327
0
1/16W
R9328
0
1/4W
1%
R9322
9.1k
1/16W
1%
*R9308
1M
1/16W
1%
R9299
20
1/16W
1%
*R9317
2.2
1/16W
1%
*R9267
10
1/16W
1%
R9262
7.5k
1/16W
R9302
0
1/16W
1%
*R9286
13k
1/16W
1%
*R9271
100k
1/16W
1%
*R9307
1M
1/16W
1%
R9283
5.1k
1/16W
1%
R9289
2.2
1/16W
1%
R9285
3.6k
1/16W
1%
R9300
10k
1/16W
1%
*R9265
100
1/16W
*R9316
2.2
1/16W
1%
R9331
2.7k
1/16W
1%
*R9332
51k
1/16W
Others
R9263
0
1/16W
1%
R9334
7.5k
1/16W
1%
R9333
20k
1/16W
1%
*R9272
36k
1/16W
1%
*R9318
2.2
1/16W
1%
R9268
10
1/16W
*R9335
330k
1/16W
1%
*R9337
9.1k
1/16W
1%
R9250
100
1/16W
1%
R9303
2.2
1/16W
1%
*R9260
20
1/16W
1%
*R9320
82k
C0FBBY000076
*IC9206
BUF08822AIPWP
VCOM
1
2
GNDA
3
OUT1
4
OUT2
5
OUT3
6
OUT4
7
VS
8
VSD
9
SCL
10
SDA
11
A0
12
BKSEL
13
GNDD
14
GNDA
15
OUT5
16
OUT6
17
OUT7
18
OUT8
19
VS
20
VCOM-FB
GND
L9202
G1C6R8MA0416
6.8u
VLC6045T-6R8M
*D9202
B0ACCK000005
VJ9200
*D9213
B0ECKM000048
CRH01(TE85L,PAV,X)
*Q9201
B1ABMD000006
*D9206
B0ECKM000048
CRH01(TE85L,PAV,X)
1/16W
Others
*R9270
0
1/16W
Others
*R9276
0
1/16W
1%
*R9311
68k
1/16W
1%
*R9310
75k
*C9261
16V
0.47u
10%
R9376
22k
1%
Q9207
2SA2071T100Q
C
R9377
22k
1%
R9369
0
C
*R9364
390
1%
C
R9361
0
Others
R9365
1k
1%
Q9206
2SA2071T100Q
R9359
1k
1%
C9335
10u
25V
R9362
22k
1%
R9366
2.2k
1%
C9329
1u
25V
C
Q9204
2SC5824T100R
C
Q9208
B1ADCF000190
2SA1576AFST106Q
IC9208
NJM072BV(TE2)
1
A_OUTPUT
2
A-INPUT
3
A+INPUT
4
V-
5
B+INPUT
6
B-INPUT
7
B_OUTPUT
8
V+
C
C9331
0.1u
25V
R9378
22k
1%
C
C
C
Q9205
2SC5824T100R
R9353
22k
1%
C
PNL12V
VCOMRFB
VCOMLFB
1/16W
1%
R9382
1k
1/16W
1%
R9381
1k
1/16W
R9383
0
1/16W
R9384
0
R9363
0
C9333
50V
0.1u
10%
C9334
50V
0.1u
10%
C9336
50V
0.1u
10%
1/16W
R9373
0
C9292
4.7u
50V
10%
C9293
4.7u
50V
10%
*D9212
B0ECKM000048
CRH01(TE85L,PAV,X)
Q9203
B1BDCF000021
*R9336
D4CC14730006
47k
*D9203
B0ECKM000048
CRH01(TE85L,PAV,X)
R9329
R9323
R9325
R9284
R9330
R9251
R9252
R9253
R9254
R9255
R9256
R9257
R9258
R9259
R9326
*R9372
ERBSE1R50U
LEVEL_SHIFTER
DCDC
DAC
BUCK_CONVERTER
VCOM_BOOST
-10V
25-30V
S D
G
CN1,CN4
TCON
to Pannel
I
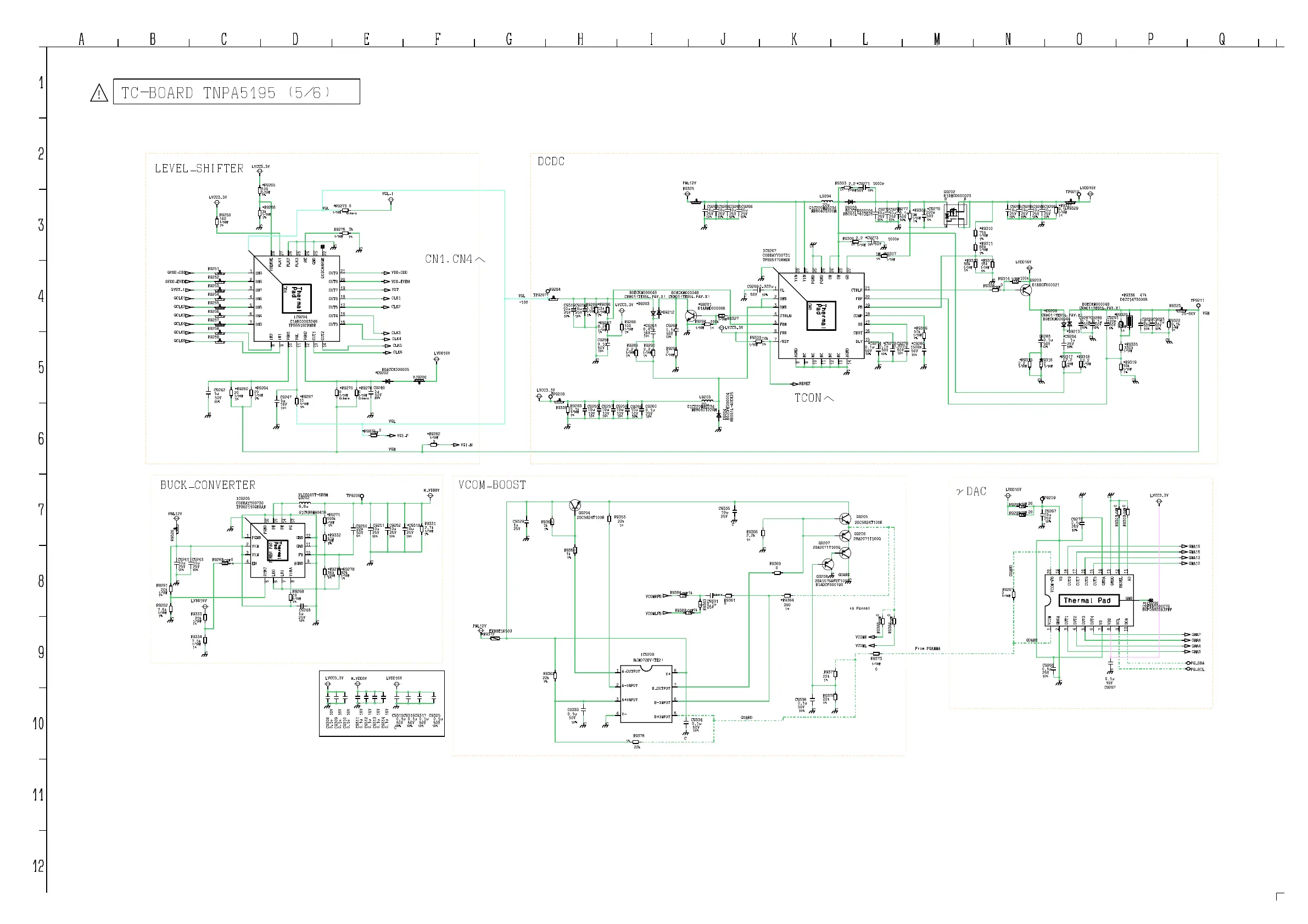
TC-BOARD TNPA5195 (5/6)
From PGAMMA
A B C D E F G H I J K L M N O P Q
1
2
3
4
5
6
7
8
9
10
11
12
76

Related product manuals