EasyManua.ls Logo

Panasonic TX-LR32EM5A - A-Board (1;16) Schematic Diagram

Panasonic TX-LR32EM5A
55 pages
Print Icon
To Next Page IconTo Next Page
To Next Page IconTo Next Page
To Previous Page IconTo Previous Page
To Previous Page IconTo Previous Page
Loading...
TX-LR32EM5A
23
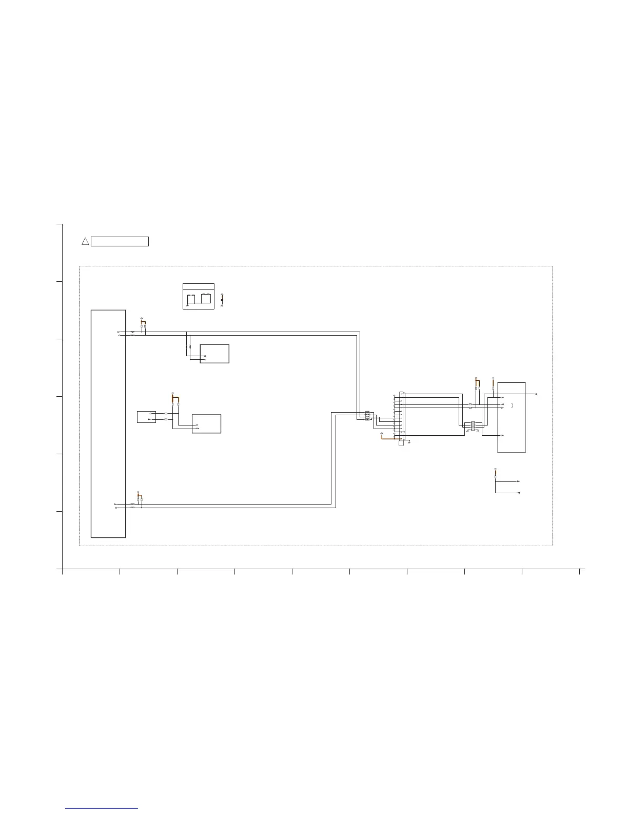
11.2. A-Board (1/16) Schematic Diagram
S
S
S
S
S
S
CN0100
K1KA14A00248
1
2
3
4
5
6
7
8
9
10
11
12
13
14
SUB3.3V
STB3.3V
SUB3.3V
SUB3.3V
STB3.3V
STB3.3V
SUB5V
R0966
R0935
R0908
R0934
R0967
R0909
R0962
VARAY405
TP0920
TP0900
TP0908
TP0912
TP0909
TP0906
TP0911
TP0904
TP0907
TP0903
TP0905
TP0901
TP0910
UART_TX
SG_FACT
MTK_SCL
R_LED_ON
TUNER_CLK
FACT_MODE_SCL
SG_FACT
UART_RX
SG_BOOT
MA_TER_TUNER_SCL
SG_FACT
TUNER_DATA
STM-EEP_SDA
MTK_SDA
FACT_MODE_SDA
STM-EEP_SCL
MA_TER_TUNER_SDA
R0944
EXB28V102JX
R0901
2.7k
47k
R0975
R0984
0
R0989
2.7k
R0970
47k
R0972
100
R0974
47k
R0985
0
R0907
2.7k
R0988
2.7k
R0906
2.7k
R0900
2.7k
R0973
100
R0968
22k
JS0015
JS0027
C0085
0.1u
16V
SUB5V
I2C
MTK
IIC_0
Normal SCL
GND
Normal SDA
Factory Adj Connector
To 800sht
USBBOOT
STM_SRQ
DEBUG SERIAL
LCD_EEP_WP
FACT
UART_RX
R_LED
Standby SCL
Standby SDA
FACT MODE SDA
FACT MODE SCL
Terrestrial Tuner
IIC_DMD
IIC_STM
Sheet_FE-DVB(MT5135)
UART_TX
STM E2PROM
E
SUFFIX
R
B
E
9684
F
C
5713
D
2
A
A-BOARD (1/16)
!

Table of Contents

Related product manuals