EasyManua.ls Logo

Panasonic TX-P42G20E - P-Board Schematics (1;4-4;4)

Panasonic TX-P42G20E
131 pages
Print Icon
To Next Page IconTo Next Page
To Next Page IconTo Next Page
To Previous Page IconTo Previous Page
To Previous Page IconTo Previous Page
Loading...
44
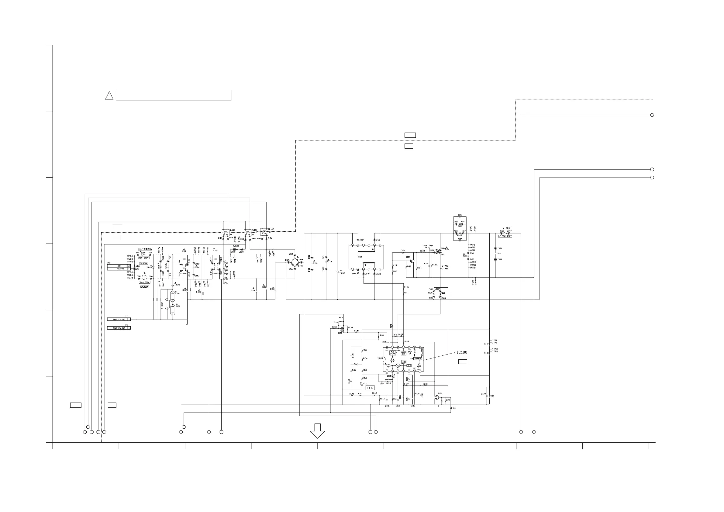
13.2. P-Board (1/4) Schematic Diagram
COLD
HOT
COLD
HOT
COLD
HOT
PFC
C0DBZYY00361
3
2
1
TO
P-BOARD
(3/4)
AA
AB AG
AC AD AF AH AJ AKAIAE
P-BOARD LSEP1290EEHB (1/4)
!
TO
AC CORD
AL AM
582 71
F
3
D
B
C
4
E
A
96

Table of Contents