EasyManua.ls Logo

Panasonic TX-P42G20E - P-Board (2;4) Schematic Diagram

Panasonic TX-P42G20E
131 pages
Print Icon
To Next Page IconTo Next Page
To Next Page IconTo Next Page
To Previous Page IconTo Previous Page
To Previous Page IconTo Previous Page
Loading...
45
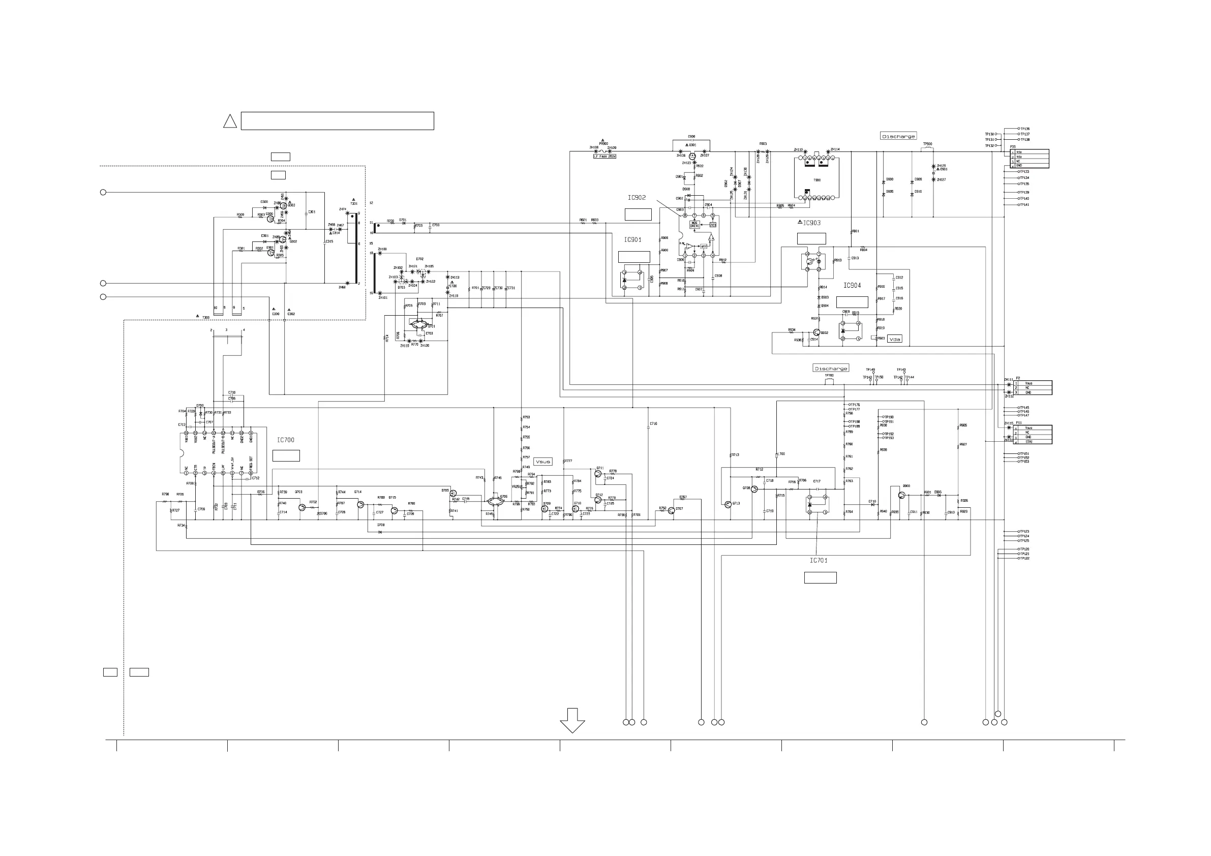
13.3. P-Board (2/4) Schematic Diagram
COLD
HOT
COLD
HOT
PHOTO
COUPLER
B3PBA0000459
Vda
ERROR DET
C0DBZMC00006
Vsus
ERROR DET
C0DBZMC00006
Vda
ERROR DET
C0DBZMC00006
Vda
CONTROL
C0DBZYY00360
MULTI
CONTROL
LSSK0087
3
2
1
TO
P-BOARD
(4/4)
BD BHBA BB BC BE BF BG BKBI
BJ
TO
C2-BOARD
(C25)
TO
SC-BOARD
(SC2)
TO
SS-BOARD
(SS11)
P-BOARD LSEP1290EEHB (2/4)
!
13 1812 1710 15 161411

Table of Contents

Related product manuals