EasyManua.ls Logo

Panasonic WR-201E - Page 39

Panasonic WR-201E
41 pages
Print Icon
To Next Page IconTo Next Page
To Next Page IconTo Next Page
To Previous Page IconTo Previous Page
To Previous Page IconTo Previous Page
Loading...
CONCEPTSYSTEM EXAMPLESCONNECTIONSPRODUCTSBLOCK DIAGRAMS
FPGA
SERIAL IN
SERIAL OUT
SERIAL CLK
MCK,BCK,WCK
SDT O SDT I
LCD I/F
MPX BUS
PARALLEL I/O
CPU
RTC
P/S
S/P
DIP
SW
LED
Flash MEM
SDRAM
GIPO
I2C
SPI
USB I/F
SD I/F
UART1
UART2
BATT
PLL
CN
CNCN
CNCNCN
27MHz
VCXO
3.3Vto5V
IF Switch
Local BUS
CORE Board
Main Board Panel Board
_~10
_~16
_~1
1234567812345678
1234567812345678
REC IN PHONES OUTPUT
SD
CODEC
P_FAIL
SENSE
MUTE
( Tr )
P/S
Digital Tr
Digital Tr
S/P
Rec
Input
Phones
Output
Announce
Message
Output
EMG
Message
Output
DC24V
5
4
Sirial IO
I/F between
the Amplifier
Parallel IO
12 Reg
5V Reg
5V Reg
3.3V Reg
CN
EMG
77
5
BLOCK DIAGRAMS
WU-ZM001E/WU-ZS001E
CONCEPT SYSTEM EXAMPLES CONNECTIONS PRODUCTS BLOCK DIAGRAMS
WU-ZM001E
Internal control
ADC0
ADC1
ADC2
ADC3
IOport
IOport
IOport
LPF
LPF
LPF
LPF
LPF
E2PROM
CPU
Serial
Pallarel
Check SW
SURVEILLANCE I/F
(D-sub25p)
Status
ZONE1
ZONE2
ZONE3
ZONE4
ZONE5
Grand Fault
DIP SW
Zone1
Zone2
Zone3
OPEN
Reset IC
DC24V Power
WU-ZS001E
Surveillance Unit
Speaker line
Pilot Signal
PA
Pilot Signal
PA
AMP
DC/DC
Audio announcement
OT
Serial Port, IO Port
Buffer
D- Tr
D-Tr
LPF
Reference Data
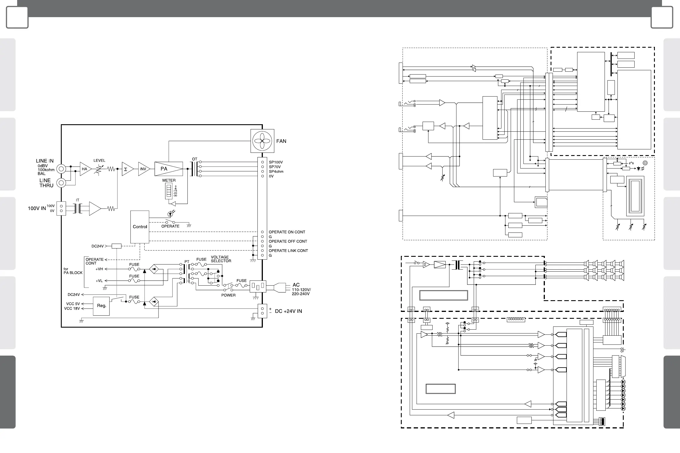
WA-MA120N or WA-MA240N
Mixing Power Amplifier
WU-ZS001E
76
5
BLOCK DIAGRAMS
WA-BA240N

Related product manuals