EasyManua.ls Logo

Partner RP-330 - Page 18

Partner RP-330
81 pages
Print Icon
To Next Page IconTo Next Page
To Next Page IconTo Next Page
To Previous Page IconTo Previous Page
To Previous Page IconTo Previous Page
Loading...
RP-330 Technical Manual
18
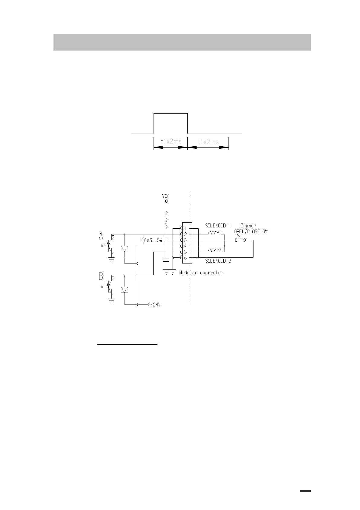
CAUTION: To avoid an overcurrent, the resistance of the drawer kick-out solenoid
must be 24 Ω or more.
Output waveform: Outputs the waveforms in Figure 3.2 to the points A and B
in Figure 3.3
t1 (ON time) and t2 (OFF time) are specified by ESC p or
DLE DC4.
< Figure 3.2 Drawer Kick-out Drive Signal Output Waveform >
4) Drawer open/close signal
Input signal level (connector pin 3): “L”= 0 to 0.8V
“H”= 3 to 5V
< Figure 3.3 Drawer Circuitry >
NOTE: 1. Use a shielded cable for the drawer connector cable.
2. Two driver transistors cannot be energized simultaneously.
3. The drawer drive duty must by as shown below.
ON time
≤ 0.2
(ON time + OFF time)
4. Be sure to use the printer power supply (connector pin 4) for the drawer power source.
5. The resistance of the drawer kick-out solenoid must not be less than the specified. Otherwise, an
overcurrent could damage the solenoid.
6. Do not connect telecommunication network to the drawer kick-out connector.

Related product manuals