EasyManua.ls Logo

Peak 212 - Power Supply Connection (Three-Phase)

Peak 212
38 pages
Print Icon
To Next Page IconTo Next Page
To Next Page IconTo Next Page
To Previous Page IconTo Previous Page
To Previous Page IconTo Previous Page
Loading...
21
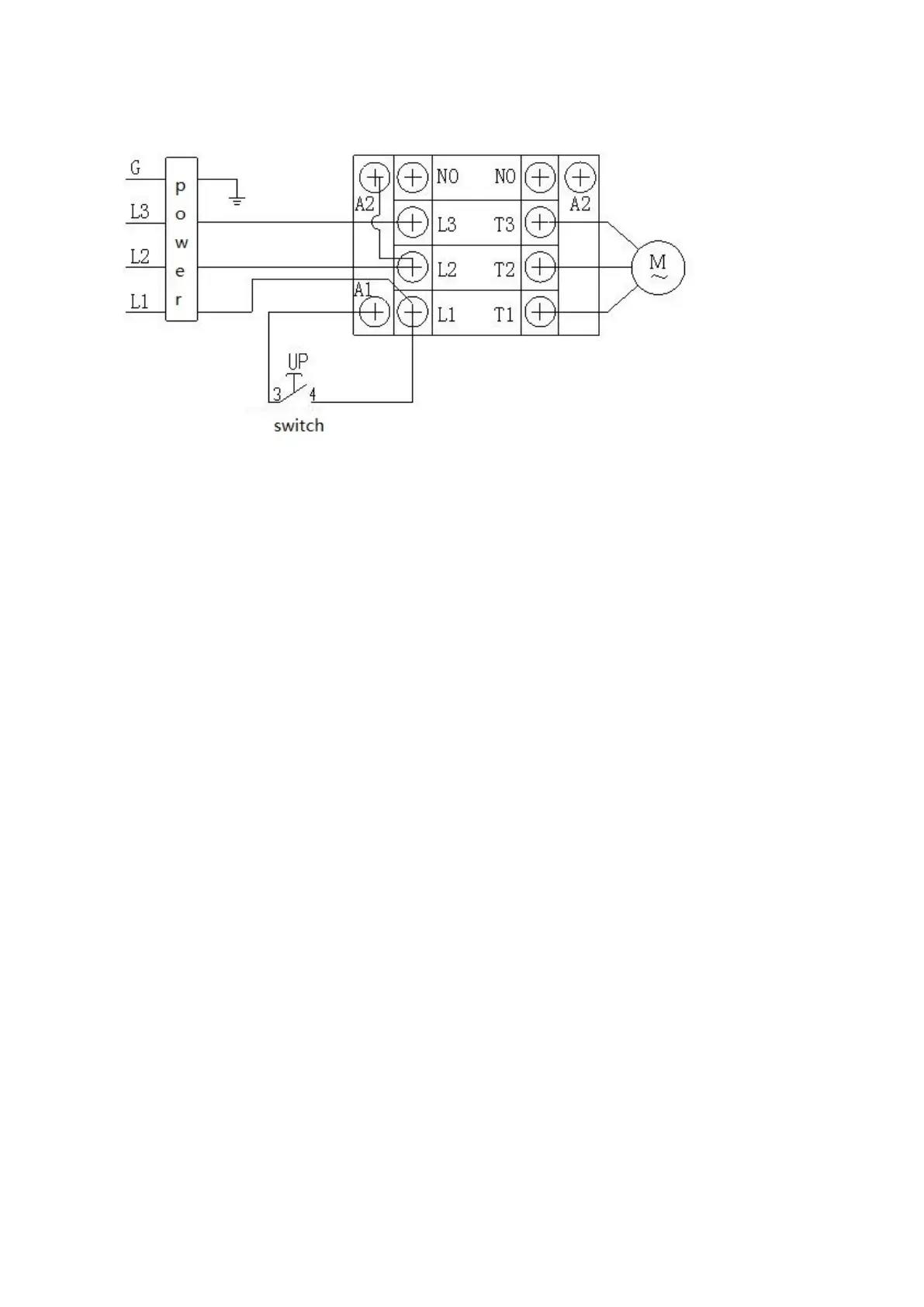
2.3 Wiring diagram. Fig 34
Fig 34

Related product manuals