EasyManua.ls Logo

Peavey CS 1200H

Peavey CS 1200H
20 pages
To Next Page IconTo Next Page
To Next Page IconTo Next Page
To Previous Page IconTo Previous Page
To Previous Page IconTo Previous Page
Loading...
12
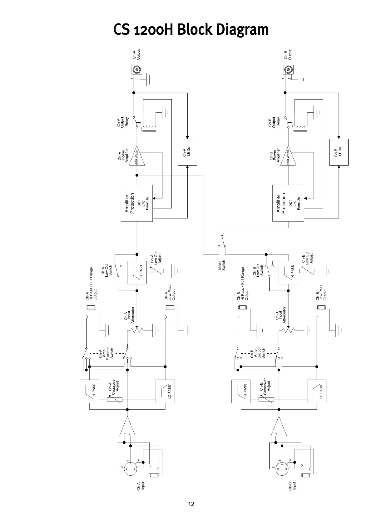
CCSS 11220000HH BBlloocckk DDiiaaggrraamm
+
-
LO PASS
HI PASS
HI PASS
2
1
+
-
LO PASS
HI PASS
HI PASS
2
1
Mode
Output
Crossover
LFC
Amplifier
RampUp
Low Cut
Function
Amp
Output
Low Pass
Hi Pass / Full Range
Output
Attenuator
Input
Adjust
Adjust
Switch
Switch
Low Cut
Protection
DDT
Power
Amplifier
Relay
Output
LEDs
Input
Ch-A
Ch-A
Ch-A
Output
Ch-A
Crossover
LFC
Amplifier
RampUp
Ch-A
Low Cut
Function
Amp
Output
Low Pass
Hi Pass / Full Range
Output
Attenuator
Input
Adjust
Ch-A
Ch-A
Adjust
Ch-A
Switch
Ch-A
Switch
Low Cut
Ch-A
Protection
DDT
Power
Amplifier
Ch-A
Relay
Output
Ch-A
LEDs
Input
Ch-B
Ch-B
Ch-B
Ch-B
Ch-B
Ch-B
Ch-B
Ch-B
Ch-B
Ch-B
Ch-B
Ch-B
Switch
600 Watts
600 Watts
2
3
41
2
3
41
All manuals and user guides at all-guides.com

Other manuals for Peavey CS 1200H

Related product manuals