EasyManua.ls Logo

Peavey FX 2 16 - Page 37

Peavey FX 2 16
212 pages
Print Icon
To Next Page IconTo Next Page
To Next Page IconTo Next Page
To Previous Page IconTo Previous Page
To Previous Page IconTo Previous Page
Loading...
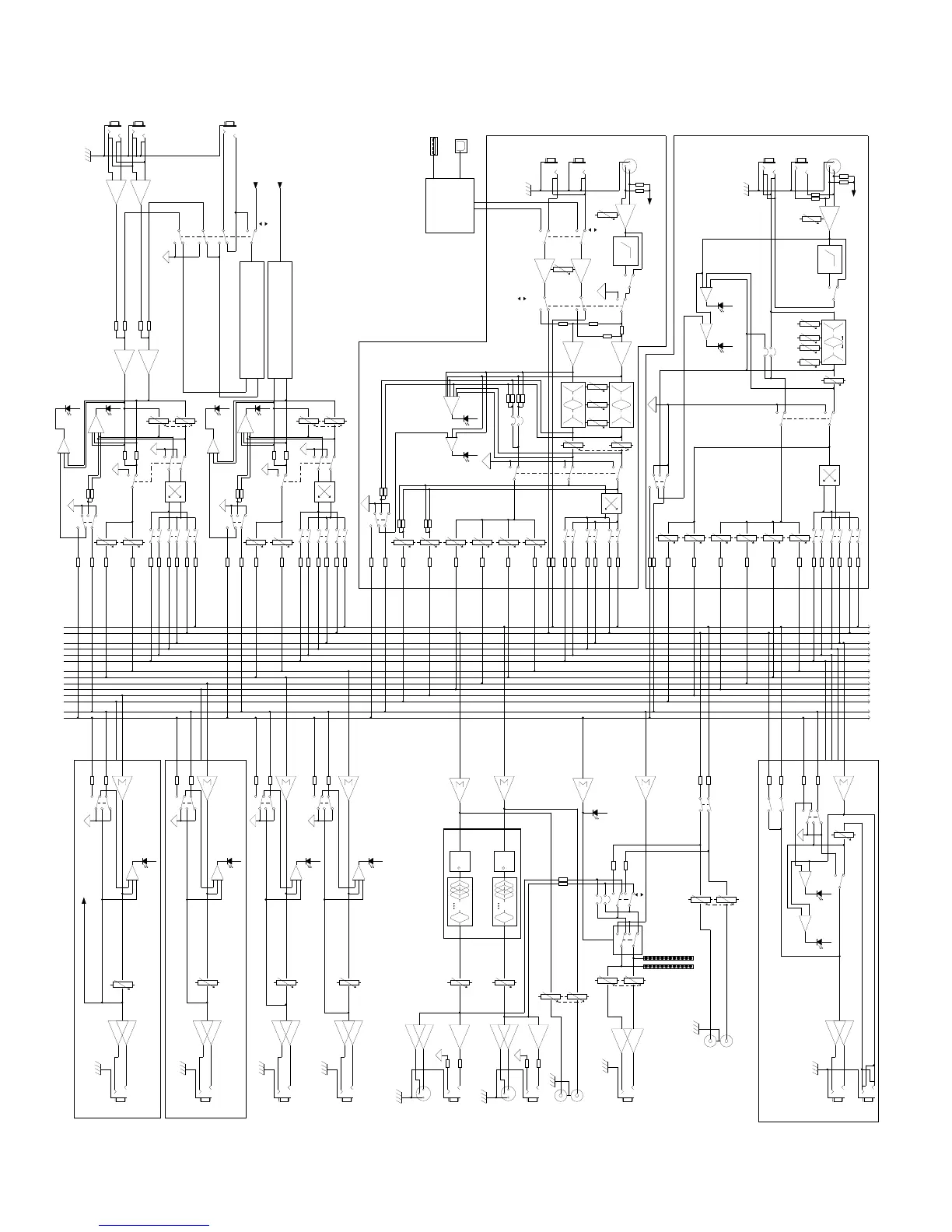
Graphic EQ
Meridian, MS 39301
P. O. Box 2898
4
3
2
1
D
4
3
2
1
CBA
A B C D
Sheet
Date:
of
D
EQ
LO MID HI
HI PASS
EQ
LO MID HI
HI PASS
EQ
LO MID HI
Graphic EQ
PAN
BALANCE
BALANCE
BALANCE
MEMORY
COMPUTER
USB
INTERFACE
GAIN
USB
STEREO
STEREO
CHAN 15/16
ONLY
AUX1
OUT
GROUP
CLIP
AFL/
AUX
OUT
OUT
OUTPUTS
OUTPUTSINPUT
L/R
RIGHT
LEFT
PROCESSOR
PFL/AFL
LOGIC
MUTE
SIG/
AFL
LEVEL
1/2
L/R
3/4
3/4
L/R
1/2
ASSIGN
R
FEEDBACK
FERRET
FERRET
FEEDBACK
R
AUX 1-4
GAIN
AFL
AFL
AFL
AFL
OUT
MONO
FADER
FADER
BAL
BAL
LEFT
RIGHT
UNBAL
ASSIGN
INSERT
MONO
LEFT/
+/- F
LOW HI
+/-
PFL
MUTE
MIC
MIC
LINE
1/2
1/2
FADER
MUTE/
AUX2
AUX
AUX2
HEADPHONE
OUT
L/R
3/4
L/R
ASSIGN
3/4
LEFT/
AUX2
AUX3
AUX4
MIC
AUX3
AUX4
LOW
+/-
MID
+/- +/-
HI
CHANNEL
L/R DIRECT
LOW CUT
LOW CUT
AUX1
AUX 1-4
PRE EQ SELECT
POST EQ SELECT
AUX1
FADER
MUTE
AUX1
SEND
SEND
AUX2
SEND
AUX
SEND
PFL
MUTE/
CLIP
ASSIGN
PATCH
EFX2
R=OUT
T=IN
AUX 2
AUX 1
LEVEL
HEADPHONE
L/R
FROM AUX 6
FROM AUX 5
EFX1
LEVEL
MUTE
AFL
SIG/
PFL
CLIP
SIG/
PFL CLIP
MUTE/
MUTE/
CLIP
AFL
SIG/
AFL
ACTIVE
LOGIC
PFL/AFL
LEFT
RIGHT
PROCESSOR
EFX 1
EFX 2
INT EFX2 RTN
EXT PATCH
EFX2 PATCH
AUX
AUX 5 & 6
AUX
AUX 6 TO EFX 2
AUX 5 TO EFX 1
GAIN
+/-
MID
EFX2
RIGHT
LEFT
RIGHT
LEFT
INPUT
AUX 3 & 4
UNBAL
STEREO CHANNELS
MONO CHANNELS
AUX5/EFX1
AUX6/EFX2
AUX5/EFX1
AUX6/EFX2
MUTE
MUTE/
CLIP
FADER
T=OUT
R=IN
AUX1
AUX2
AUX1
AUX2
GROUP
GROUP
LEFT
AUX
RIGHT
CLIP
AFL/
CLIP
AFL/
AFL/
CLIP
STEREO
RIGHT
EFX2 RETURN
LEFT/
MONO
PFL/AFL
SHORT TO MIX
AFL
GROUP
OUT
INSERT
GROUPS 1-4
LEVEL
STEREO INPUT
RIGHT
MONO
MONO
LEFT/ RIGHT/
MONO
MEDIA IN
MEDIA
REC OUT
LEVEL
MEDIA INPUT
PHANTOM PWR FROM SWITCH IN MASTER SECTION+48V
REC OUT
OUT
OUT
RIGHT/
MONO
MONO
LEFT/
RIGHT/
PFL
SIG/
+48V PHANTOM PWR FROM SWITCH IN MASTER SECTION
PRE EQ SELECT
AUX 1-4
AUX 1-4
POST EQ SELECT
L/R & MEDIA IN
AUX6/EFX2
AUX5/EFX1
AUX4
AUX3
PFL/AFL
AUX1
GROUP4
GROUP2
RIGHT
LEFT
FX_SERIES_BLOCK
3-2-2005_15:222 4
GROUP1
GROUP3
AUX2
PFLCTRL

Related product manuals