EasyManua.ls Logo

PeerlessBoilers PBC-40 - Page 31

PeerlessBoilers PBC-40
65 pages
Print Icon
To Next Page IconTo Next Page
To Next Page IconTo Next Page
To Previous Page IconTo Previous Page
To Previous Page IconTo Previous Page
Loading...
29
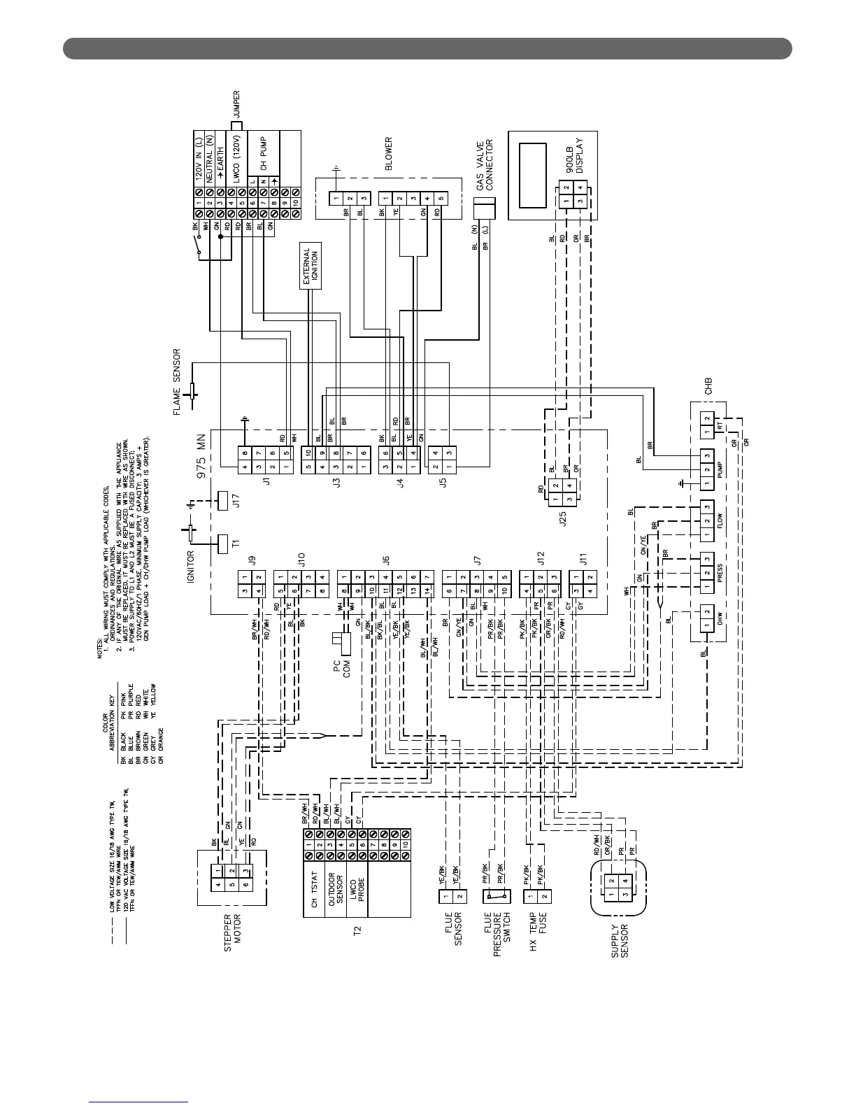
Figure 7.2: Wiring Schematic and Connection
ELECTRICAL CONNECTIONS

Table of Contents

Related product manuals