EasyManua.ls Logo

Pelltech PV 20a - Page 13

Pelltech PV 20a
28 pages
Print Icon
To Next Page IconTo Next Page
To Next Page IconTo Next Page
To Previous Page IconTo Previous Page
To Previous Page IconTo Previous Page
Loading...
PV 20a
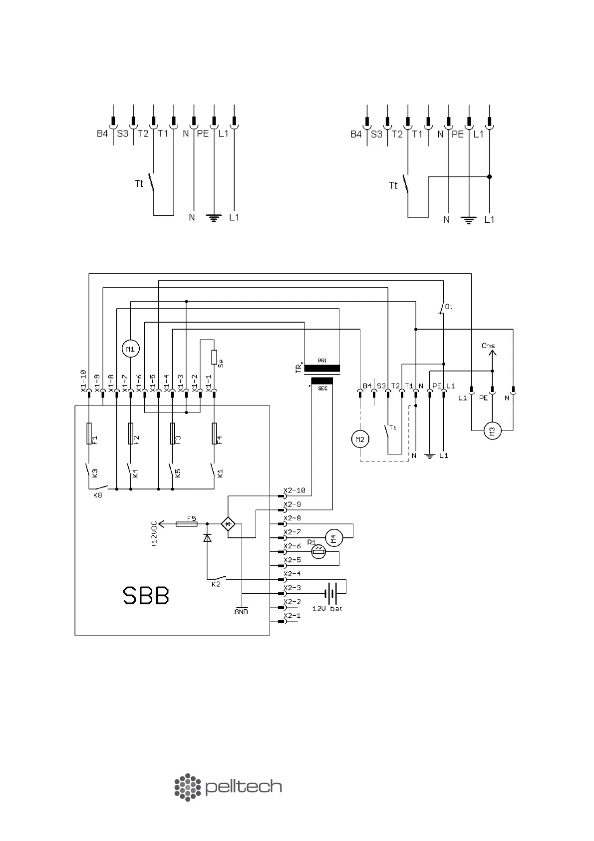
Figure 8 Burner 5-wire connection
Figure 9 Burner 4-wire connection
Chs – Chassis grounder R1 – Flame sensor
M1 – Fan SBB – Controller board
M2 – Flue gas fan* Se – Igniter
M3 – External auger TR – Transformer
M4 – Internal feeder Tt – Boiler thermostat
Ot – Safety thermostat
*Flue gas fan M2 is installed only if there is not enough draught. The flue gas fan is not included with burner.
13 www.pelltech.eu

Related product manuals