EasyManua.ls Logo

Pentair MasterTemp 300 - Mastertemp Heater Wiring Diagram

Pentair MasterTemp 300
172 pages
Print Icon
To Next Page IconTo Next Page
To Next Page IconTo Next Page
To Previous Page IconTo Previous Page
To Previous Page IconTo Previous Page
Loading...
Rev. N 10/2018 MASTERTEMP Pool and Spa Heater Installation and User’s Guide
31
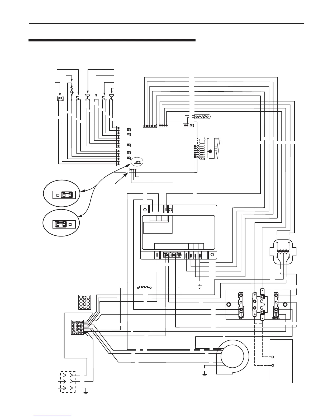
MASTERTEMP HEATER WIRING DIAGRAM
(3-WIRE SYSTEM)
Section 3. Installation Instructions
Plug –12 pin
120V – Black
240V – Red
JMP
1
JMP
1
External Control Interface Circuit Disabled,
Heater Membrane Pad Enabled
External Control Interface Circuit
Enabled, "Pool On" and "Spa On"
Keys Disabled. "OFF" Key on
Membrane Pad Remains Functional
.
JMP3
CONNECTION DIAGRAM
AGS Switch
Stack Flue Sensor
Gas Valve
Air Flow Switch
Extra Switch 1
Hi-Limit Switch
Pressure Switch
VAL
TH
IND
GND
24VAC
24VAC
FS
THERMISTOR
OPERATING CONTROL
1
PS
HLS
ES1
AFS
AGS
SFS
GAS
MEMBRANE PAD
CONNECTION
Spa Line
Common Line
Pool Line
IGNITION CONTROL
MODULE
DIAGNOSTIC INDICATOR
F1 F2
24
VAC
S1
240
S1/
120
L1
L1
L2
BM
FL
F1
L2
S2
TH IND
VA L GND
GND
GND
BLOWER
Line 2
120 VAC
IGNITER
TRANS
Line 1
Ground
JUNCTION BOX
F
I
R
E
M
A
N
S
S
W
I
T
C
H
Replace jumper with
leads to Fireman"s
Switch (field installed)
24VAC
SEC
Y/W
Y/W
Y/R
Y/O
Y/BL
O
W
W
BK
BK
O
GY
GY
BK
BK
R
Y
BK
W
BL
Y
BK
W
BL
GY
GY
GY
GY
BK
BK
W
RRW
G
Y
R
R
Y
YY
W
BK
Y/W
W
W
R
R
BL
BL
O
O
O
O
PR
PR
Y/R
Y/BL
Y/O
Y/W
Y
Y
Y
Y
Y
Y
Y
YYY
BR
BR
External Control Interface
Y
NOTICE: Touching any 24VAC wire, including
the Fireman's Switch wire, to any 120/240V
terminal while the heater is connected to line
power will immediately destroy the control
board and void the warranty.
BK
R
GND
G
12 Position
Receptacle
1
Y/R
Y/BL
Y/O
Y/W
NA/LP
Models Only
6
1
J6
Figure 23.

Table of Contents

Related product manuals