EasyManua.ls Logo

Pentair MasterTemp 300 - Diagrama de Cableado Mastertemp

Pentair MasterTemp 300
172 pages
Print Icon
To Next Page IconTo Next Page
To Next Page IconTo Next Page
To Previous Page IconTo Previous Page
To Previous Page IconTo Previous Page
Loading...
MASTERTEMP Calentado para piscina y spa manual de instalaciony operacion Rev. N 10/2018
32
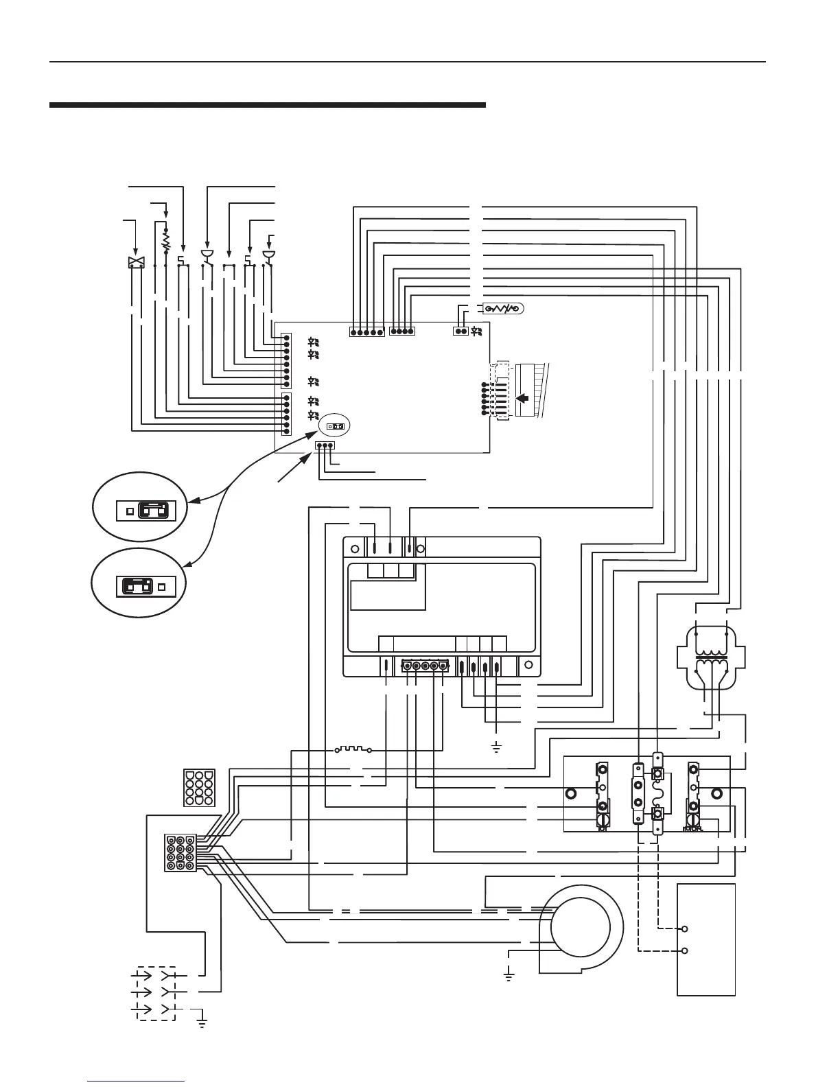
DIAGRAMA DE CABLEADO MASTERTEMP
(SISTEMA DE 3-CABLES)
Sección 3. Instalación
JMP
1
JMP
1
JMP3
VAL
TH
IND
GND
24VAC
24VAC
FS
THERMISTOR
1
PS
HLS
ES1
AFS
AGS
SFS
GAS
F1 F2
24
VAC
S1
240
S1/
120
L1
L1
L2
BM
FL
F1
L2
S2
TH IND
VA L GND
GND
GND
VENTILADOR
TRANS
24VAC
SEC
Y/W
Y/W
Y/R
Y/O
Y/BL
O
W
W
BK
BK
O
GY
GY
BK
BK
R
Y
BK
W
BL
Y
BK
W
BL
GY
GY
GY
GY
BK
BK
W
RRW
G
Y
R
R
Y
YY
W
BK
Y/W
W
W
R
R
BL
BL
O
O
O
O
PR
PR
Y/R
Y/BL
Y/O
Y/W
Y
Y
Y
Y
Y
Y
Y
YYY
BR
BR
Y
BK
R
GND
G
1
Y/R
Y/BL
Y/O
Y/W
6
1
J6
DIAGRAMA DE CONEXION
Interruptor AGS
Sensor de Salida de Gases
Válvula de Gas
Interruptor de Flujo de Aire
Interruptor Adicional 1
Interruptor de Límite Alto
Interruptor de Presión
PLACA DE
MEMBRANA
CONEXION
CONTROL DE OPERACION
Línea del Spa
Línea Común
Línea de la Piscina
Modelos
NA/LP Solamente
Interfaz de Control Externo
Interfaz de Control de Circuito Externo Deshabilitado,
Placa de Membrana del Calentador Habilitada
Interfase de Control de Circuito Externo
Habilitado, "Pool On" y "Spa On"
Botones Deshabilitados. Botón "OFF" de
la Placa de Membrana permanece funcional.
MÓDULO DE CONTROL
DE ENCENDIDO
INDICADOR DE DIAGNOSTICO
ENCENDEDOR
DE 120 VAC
CAJA DE CONEXIONES
Línea 1
Línea 2
Tierra
B
O
M
B
E
R
O
I
N
T
E
R
R
U
P
T
O
R
Reemplace el arrancador
con cables al Interruptor
de Bombero
Enchufe de 12 pines
120V – Negro
240V – Rojo
Receptáculo de
12 Posiciones
NOTA: Si toca cualquiera de los cables de 24VAC,
incluyendo el Interruptor de Bombero, a cualquier
terminal de 120/240V mientras el calentador
esté conectado a la línea de energía, destruirá
inmediatamente la tarjeta de control y anulará la garantía.
Figura 23.

Table of Contents

Related product manuals