EasyManua.ls Logo

Perkins 1104E Series - Page 7

Perkins 1104E Series
224 pages
Print Icon
To Next Page IconTo Next Page
To Next Page IconTo Next Page
To Previous Page IconTo Previous Page
To Previous Page IconTo Previous Page
Loading...
RENR2696-01 7
Troubleshooting Section
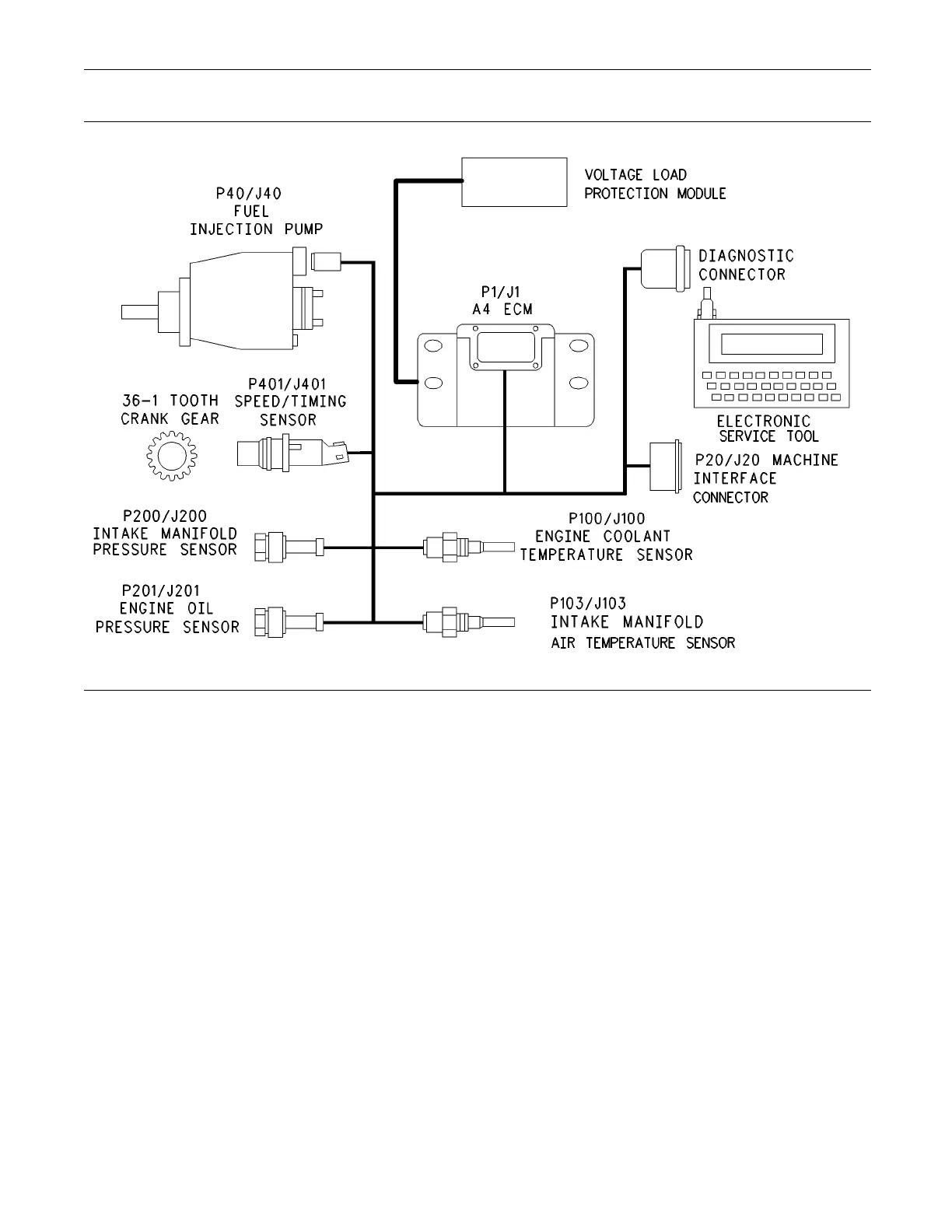
g00954204
Illustration 2
The electronic system consists of the Electronic
Control Module (ECM), the engine sensors, and the
Machine Interface Connector (MIC). The ECM is the
computer. The personality module is the software
for the computer. The personality module contains
the operating maps. The operating maps define the
following characteristics of the engine:
Horsepower
Torque curves
Engine speed (rpm)
Engine Governor
The electronic controls determine the injection
timing and the amount of fuel that is delivered to the
cylinders. These decisions are based on the actual
conditions and the desired conditions at any given
time.
The governor compares the desired engine speed to
the actual engine speed. The actual engine speed is
determined through the crankshaft position sensor. If
the desired engine speed is greater than the actual
engine speed, the governor injects more fuel in order
to increase engine speed.
Timing Considerations
Once the governor has determined the amount of
fuel that is required, the governor must determine
the timing of the fuel injection. Fuel injection timing is
determined by the ECM after considering input from
the following components:
Engine coolant temperature sensor
The sensor for the intake manifold air temperature
The sensor for the intake manifold pressure

Table of Contents

Related product manuals