EasyManua.ls Logo

Perkins 904J-E28T - Page 30

Perkins 904J-E28T
144 pages
Print Icon
To Next Page IconTo Next Page
To Next Page IconTo Next Page
To Previous Page IconTo Previous Page
To Previous Page IconTo Previous Page
Loading...
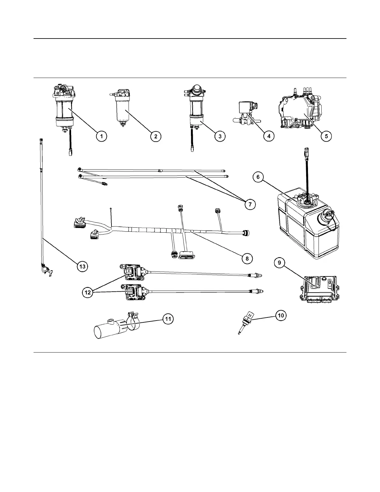
Loose or Off Engine Components
Illustration 26 g06297651
Typical example
(1) Primary fuel filter, combined with electric
fuel priming pump and Water-In-Fuel
(WIF) sensor
(2) If equipped, secondary fuel filter
(3) Primary fuel filter, combined with manual
fuel priming pump and Water-In-Fuel
(WIF) sensor
(4) Coolant diverter valve
(5) Diesel Exhaust Fluid (DEF) pump with
DEF pump filter
(6) DEF tank with DEF header installed
(7) DEF heated lines
(8) Link harness
(9) Electric control module
(10) Inlet temperature sensor
(11) Exhaust assembly
(12) NOx sensors
(13) Low-pressure fuel line
i08023077
Model View Illustrations
The following model views show typical features of
the engine. Due to individual applications, your
engine may appear different from the illustrations.
30 M0092609-05
Product Information Section
Model View Illustrations

Table of Contents

Related product manuals