EasyManua.ls Logo

Pfannenberg DTS 6801 - Electrical Circuit Diagram

Pfannenberg DTS 6801
66 pages
Print Icon
To Next Page IconTo Next Page
To Next Page IconTo Next Page
To Previous Page IconTo Previous Page
To Previous Page IconTo Previous Page
Loading...
ENG
Operating Manual | Attachment and Installation Cooling Units | Standard Controller (SC) 400 / 460 V, 3~ | 086100125 36/66
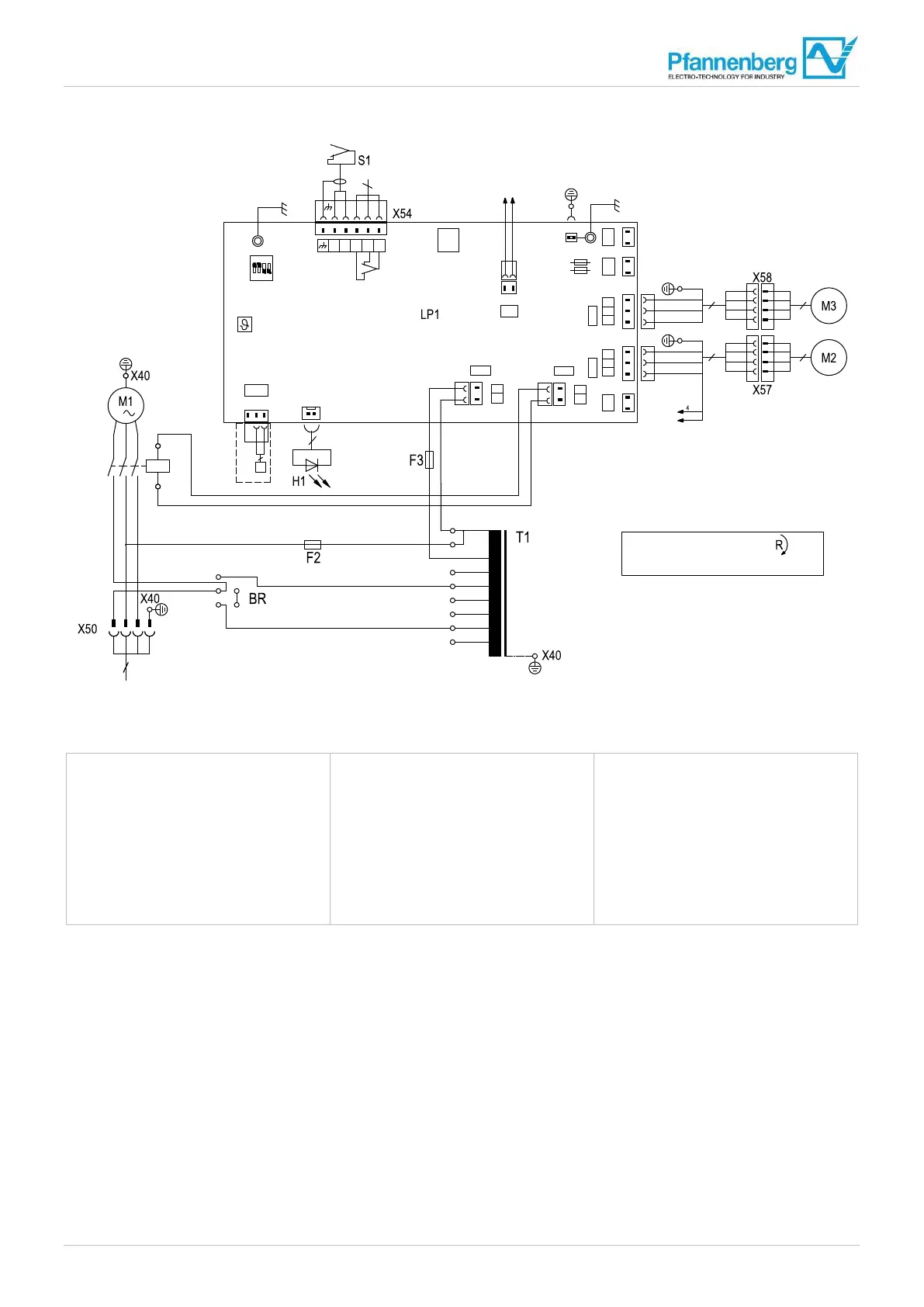
4.6.2 Electrical circuit diagram
Fig. 1
4: Circuit diagram
BR Plu
g-in bridge for mains voltage
adaptation
F1 High pressure switch
F2-F5 Fuse
H1 Display unit (SC)
K20 Contactor compressor
LP1 Controller
M1 Compressor
M2 Condenser fan (external)
M3 Evaporator fan (internal)
S1 Door contact
SK Fault signal contact (terminal 1,2)
T1 Transformer
TK Door contact/signal (terminal 4,5)
TS1 Temperature sensor (internal)
TS2 Temperature sensor (external)
X28 Service interface
X40 Ground terminal contact
X50 Terminal strip mains connection
X54 Terminal strip door contact + fault
indication
X57 Terminal strip fan (external)
X58 Terminal strip fan (internal)
086100125
X28
X13
2
0,14mm²
AWG26
2 1
X1
2 1
N
L
230V
L
M1
N
12
2 1
X10
F 1
2 1
X10
X4X4
23 1
NC
N
3 2
1
L
M2
X20
12
C11
X21
12
C12
F5
E 1
F4
X6
4
M3
L
1
23
N
NC
2
3
13 2
X5 X5
Srung /
failure/ d éfaut
3
2 1
X54
SK
2 1
4 3
5
ok
SKTK TK
6
5 4 3
SK
1
X8
32
TS 2
32
TS2
X8
4
4
3
2
1
2
3
1
GNYE
4
3
2
1
1
1
2
3
DIP-Switch
1,2 - Störmeldung / failure indication /
contact secd e défaut
4,5 - Türkontakt/ door contact /
contact de porte
TS1
ON
1 2 3 4
X15
X40
PE
X40
PE
GNYE
X40
PE
GNYE
Türg eschlossen / doorc losed /p ortef ermé
Tür offen / door open / porte ouvert
T1/ 5
T1/1
T1/3
T1/2
T1/4
PE
T1/ 6
T1/ 7
T1/ PE
T1/1
T1/ 8
Netzkabel/p ower cable/
3x440V-480V 60Hz
3x380V-420V5 0Hz
câble de secteur
L1
max.
2,5m
AWG 14
4
L2L3 PE
PE
3 5
1
64
2
A1
A2
K20
3
PE
S
R
C
X1
X3 X3
4
4
3
2
2
3
1
GNYE
3
2
1
4
1
4
2 1
Nur "Rechtsdrehfeld"/
Only "clockwise rotating field"/
Simplement "Champ magnétique rotatif à droite".
1
3
2
2
5
5
(X10) B
(X10) A
A( F1/2)
B (F1/1)
-X1

Table of Contents

Other manuals for Pfannenberg DTS 6801

Related product manuals