EasyManua.ls Logo

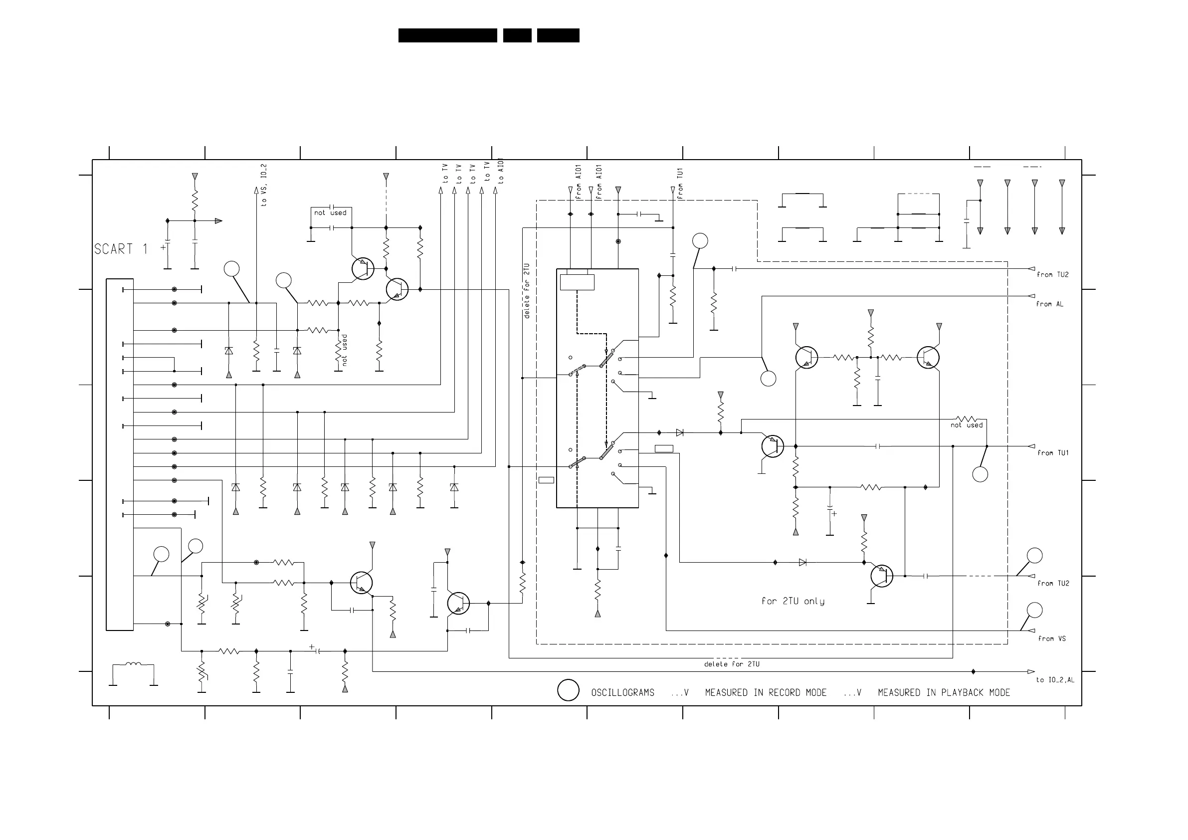
Philips 14PV110/01 - 7.3 Input;Output 1 (IO_1) - Small Signal Board SSB

Philips 14PV110/01
114 pages
Print Icon
To Next Page IconTo Next Page
To Next Page IconTo Next Page
To Previous Page IconTo Previous Page
To Previous Page IconTo Previous Page
Loading...
4414PV110 7.
Circuit Diagrams and PWB Layouts
7.3 Input/Output 1 (IO_1) - Small Signal Board SSB
V
VV
L
H
L
H
LOGIC
LSB MSB
LL
LH
HL
HH
LL
LH
HL
HH
3543 E2
3544 E3
3545 E2
3546 E23533 D3
3534 D3
3535 D2
2531 E3
3553 B8
2522 A3
2523 A3
2524 E2
2525 B2
I538 C6
I539 A5
I540 A6
I542 A7
I543 A62540 D8
2541 D9
2542 D6
2543 A9
6524 D3
1
10,5V
3
2529 E3
2533 A6
2535 A7
2539 C9
6520 B2
6521 B2
6522 D4
9
F529 C1
0V
1.5V
0V
8V
10
7524 B6
7525 B9
D
E
A
B
C
3537 E6
2534 A6
3539 E1
2538 B8
3542 D2
1.4V
0V
2520 A1
2521 A1
I526 D3
7.2V
3552 B8
2
3554 C9
3555 C7
3556 C8
3557 D8
7521 B4
7522 E4
7523 E3
I533 D7
3548 B7
3522 A3
3523 A4 I537 C7
3527 B3
3528 B3
3529 B2
I521 A3
0V
I545 A1
I546 D6
I547 A4
F522 B1
2526 E4 F524 B1
c521 A9
45
-1.9V
F526 C1
F527 C1
F528 C1
F530 D1
F531 D1
F532 D2
F533 E1
-0.1V
-0.7V
1.6V
9
I523 A4F525 C1
C
1.6V
0V
from PS
0V
-7.8V
3530 E1
I524 B3
I525 E4
8
0V
10
D
0.9V
E
456
5.1V
0.1V
0V
3547 B6
3551 B8
3524 B3
3525 B3
3526 B3
9500 D10
9502 A9
9521 A3
F520 A6
F521 A1
4.6V
12
c520 A9
4521 E7
5520 E1
I530 D5
I532 D8
34
28
33
27
32
0V
c522 A8
c523 A9
c524 A8I520 B3
3558 D8
3559 D8
4520 B5
I522 A3
I535 D8
I536 C83541 E2
0V
5.1V
0V
-0.1V
-0.7V
-0.7V
6526 D2
6530 C6
6531 D8
0V
2.2V
0V
2.2V
A
B
7526 B8
7527 C7
7528 E9
1V
1V
-0.7V
1.5V
7
5.1V
3V
3550 B9
1978 A1 3531 E2
3532 D4
I527 D6
I528 E3
I529 E2
6523 D3
I531 E10
6525 D23536 E5
F523 B1
3538 E3
3
F520
31
23
30
29
1.6V
2544 E4
3520 A1
I534 D9
1.5V
0.9V
0.9V
0.8V
7520 A3
8
67
GNDSC4
470R
3520
8VA
3526
270R
blanking
16
blue
7
green
11
red|c
15
F526
7VNEG
13
14
17
18
21
4
4
5
5
9
AudInL
6
2
AudInR
AudOutL
3
AudOutR
1
Swtching
8
20
VideoIn
VideoOut
19
F527
7133
1978
10
12
3528
GNDVIO
75R
3529
GNDVIO
100p
2525
GNDVIO
I546
I524
I522
GNDVIO
10K
3544
GNDVIO
2533
100n
F525
F528
BZM55-C12
6522
I539
I526
BC857BW
7528
c522
c524
100p
2544
3554
1n
2524
GNDAIO
c523
4521
GNDVIOGNDVIO
1K5
3522
4520
8VA
GNDAIO
GNDAIO
10K
3551
7527
BC857BW
3553
1K5
7NEGESD
5VAIO
3548
100K
BC847BW
7NEGESD
8VA
6530
BAS316
7521
2539
1u
GNDFV
GNDVIO
5520
3539
GNDSC4
3530
I537
GNDAIO
3531
8VA
BZM55-C12
6526
GNDVIO
470R
3557
F531
F532
10u
2543
1u
7VNEG
7VNEG
2540
I523
I531
BAS316
6531
I538
3556
220K
7520
BC857BW
GNDT1
2531
10u
8VA
I530
I542
GNDIO
2523
1u
I521
3534
75R
I535
GNDVIO
3538
10K
220R
3552
5VA
GNDVIO
3542
10K
I525
BC847C
7522
GNDIO
2529
100p
GNDSC4
GNDALS
GNDAIO
BZM55-C12
6524
GNDAIO
1K
3537
GNDVIO
I543
7NEGESD
100n
2538
6523
BZM55-C12
4K7
3559
220n
2526
3532
75R
F522
6521
BZM55-C12
I545
9502
GNDT1
7NEGESD
6525
BZM55-C12
3525
120R
F533
GNDVIO
7VNEG
5VA
3555
4K7
I533
I527
GNDVIO
8VA
7NEGESD
75R
3535
GNDVIO
75R
3533
I528
F524
100n
2542
7
VEE
8
VSS
GNDVIO
220K
3558
1
10
11
12
13
14
15
2
3
4
5
6
9
VDD
16
BC847BW
7524
HEF4052BT
7NEGESD
BZM55-C12
6520
7525
BC847C
7523
GNDSC4
I534
GNDVIO
5VAIO
I532
F521
8VA
3523
c520
6K8
5VA
GNDAIO
GNDVIO
9521
3524
150R
BC847BW
7526
5VA
I529
7NEGESD
2522
I547
100K
3547
8VA
3545
47K
7VNEG
GNDVIO
470K
3541
1u
2534
1u
2535
220R
3550
GNDVIO
220R
3546
GNDVIO
GNDVIO
GNDAIO
I520
100u
2520
F529
100n
2521
1u
2541
F530
10K
3543
9500
GNDALA
7VNEG
GNDAIO
F523
180R
3536
I536
I540
270R
3527
5VAIO
GNDSC4
7VNEG
GNDAMP
GNDVIO
GNDVIO
GREEN
BLUE
VFV1
c521
VFV1_2
AFV1
AFV2
BLSC
RED
8SC1
SCO1
SCO2
VSCIN
ASCIN
APB
VPB

Table of Contents

Related product manuals