EasyManua.ls Logo

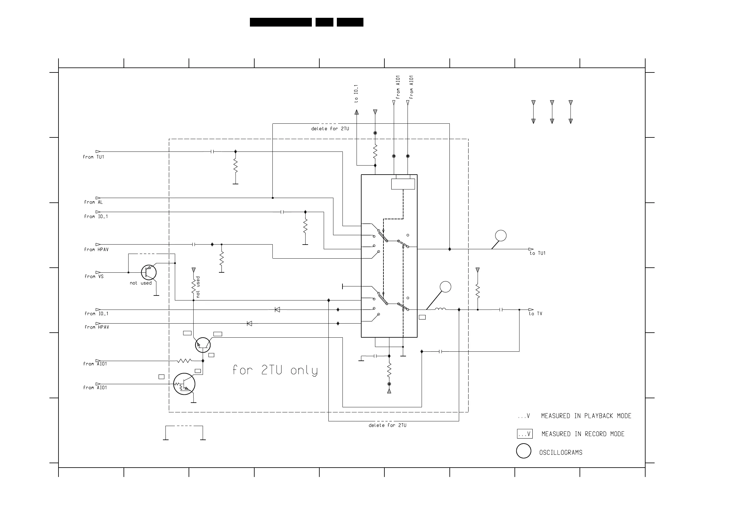
Philips 14PV110/01 - 7.4 Input;Output 2 (IO_2) - Small Signal Board SSB

Philips 14PV110/01
114 pages
Print Icon
To Next Page IconTo Next Page
To Next Page IconTo Next Page
To Previous Page IconTo Previous Page
To Previous Page IconTo Previous Page
Loading...
Circuit Diagrams and PWB Layouts
4514PV110 7.
7.4 Input/Output 2 (IO_2) - Small Signal Board SSB
L
H
L
H
LOGIC
LSBMSB
LL
LH
HL
HH
LL
LH
HL
HH
0V
B
F
4581 F6
I592 E6
345
F
0V
from PS
3588 B5
4580 A5
6582 D3
7580 B5
6
40
41
A
100n for 2TU
0V
0V
0V
9501 F2
F581 E5
F582 B6
2.1V
1.5V
1.5V
7581 D2
2584 D7
2585 E6
1.5V
0.2V
-7.8V
3583 E6
3584 D7
1.6V
0V
0V
I582 C3
I583 D5
I585 D5
C
D
E
I590 E6
I591 B5
69
12
0V
0V
0V
5,2V
3585 D3
3586 E2
3587 B3
123
1.5V
2583 E5
5560 D6
6581 D4
45
789
4582 C2
7582 E3
7583 E3
0V
I584 E3
0V
F583 B6
2581 C4
2582 C3
A
B
C
2587 B3
3581 C4
3582 C3
D
E
F584 A5
0V
I580 B3
I581 C4
GNDIO
I592
I587 D5
I588 D7
I589 C6
78
0V
0V
7VNEG
GNDIO
5VA
GNDAIO
3583
1K
5VAIO
I583
3588
470R
I591
7VNEG
GNDVIO
8VA
7581
GNDIO
F582
I590
F584
I587
PDTC124EU
7583
GNDIO
I585
F583
9501
I582
GNDAIO
3581
100K
3582
100K
I584
1u
2587
4582
7582
BC847BW
8VA
GNDIO
GNDAIO
8VA
2585
1u
5VA
1u
2584
100K
3587
4580
5560
BAS316
6582
3585
12
13
14
15
2
3
4
5
6
9
VDD
16
VEE
7
VSS
8
7VNEG
HEF4052BT
7580
1
10
11
3586
47K
I580
2583
100n
GNDIO
I589
F581
1u
2582
8VA
5VA
6581
BAS316
I588
2581
1u
3584
10K
4581
AVIEW
VPB
APB
I581
ASCIN
VS1
VS2
AFR
VSCIN
VFR
VS1
VS2
AFV1
VVIEW

Table of Contents

Related product manuals