EasyManua.ls Logo

Philips 14PV110/01 - 7.15 Power Supply 20”;21” (PS) - Large Signal Board LSB2 L21

Philips 14PV110/01
114 pages
Print Icon
To Next Page IconTo Next Page
To Next Page IconTo Next Page
To Previous Page IconTo Previous Page
To Previous Page IconTo Previous Page
Loading...
5614PV110 7.
Circuit Diagrams and PWB Layouts
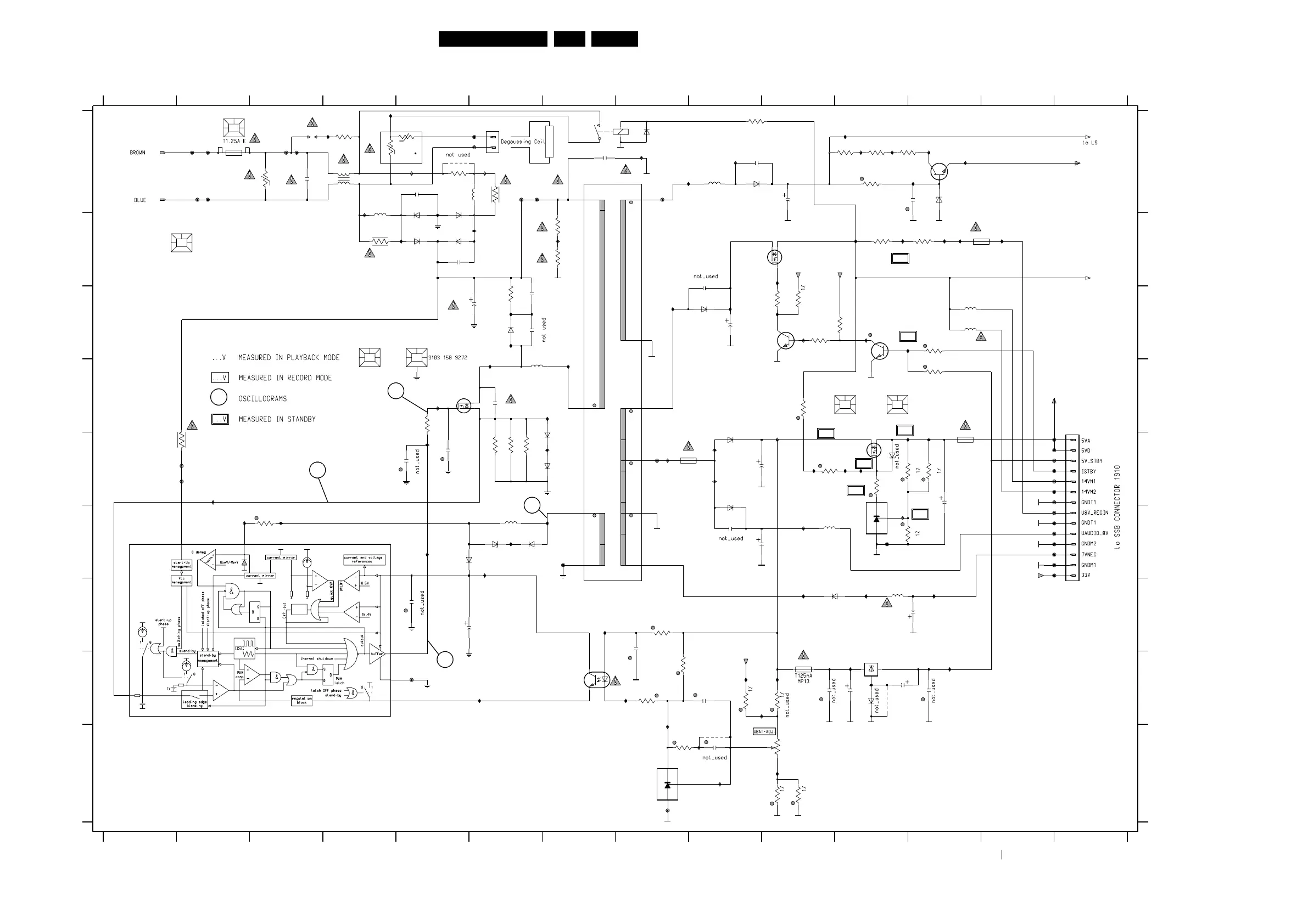
7.15 Power Supply 20/21 (PS) - Large Signal Board LSB2L21
200 µA
200 µA
200 µA
t
+t
Rs
Rp
V
I386 H12
I387 C8
I388 A9
94,8V
BYV98-200
0,5V
5,1V
I340 I8
I342 H8
I343 I9
I344 I9
I345 H9
I346 I10
I347 H9
I348 H10
I350 A11
I351 A11
I352 C10
I353 B11
I354 B13
I355 B12
I356 C10
I357 C9
I358 B12
I359 E10
I371 E11
I372 E11
I373 E12
I374 F11
I375 B10
I376 C11
I377 C11
I378 G10
I380 F10
I381 E9
I382 E9
I383 E10
I384 H11
I385 H11
I313 A6
I315 C6
I316 C6
I317 D7
I319 D6
I321 D7
I322 D5
I323 E5
I325 F5
I326 F6
I327 F7
I328 F3
I329 F2
I330 E2
I332 A8
I333 B7
I334 H6
I336 F6
I339 G7
7,2V
5,3V
0,3V
7,6V
0V
2,5V
0V
5V
2,4V
5,5V
F324 A6
F325 A6
F331 A6
F332 A6
F6601 E13
F6602 E13
F6603 E13
F6604 E13
F6605 E13
F6606 E13
F6608 F13
F6609 F13
F6610 F13
F6611 F13
F6612 F13
F6613 F13
F6614 F13
I301 E7
I302 B6
0V
90V
14,4V
33,3V
33,7V
I303 A4
I304 B4
I306 B4
I309 A4
I311 A5
I312 A5
7340 H7
7341 I8
7350 B9
7354 C10
7355 A12
7358 C11
7361 H11
7391 D11
7392 E11
9301 A5
F300 A8
F301 F7
F302 E8
F303 H5
F304 I8
F305 F11
F307 A2
F308 A2
F309 A2
0V
to ground potential
F310 A2
F313 A3
F314 A3
F316 E2
F317 E2
5313 D6
5322 F6
5330 A7
5351 A9
5360 C12
5361 F10
5362 C12
5380 G11
6301 A5
6302 A5
6303 B5
6304 B5
6314 C6
6322 F5
6323 F6
6324 F6
6325 E7
6326 E7
6342 C9
144V
6345 A8
6350 A9
6355 A12
6361 H11
6381 G11
6385 E9
6390 E9
6393 E11
7300 D5
7310 F1
3350 A9
3351 C10
3352 C10
3353 C11
3354 C10
3355 A11
3356 A11
3357 A12
3358 A11
3359 D12
3363 C12
3376 B11
3378 B12
3392 E11
3393 D10
3394 E11
3395 E12
3396 F11
3397 E10
2
7,4V
Heatsink not connected
4
3569 E13
4343 I9
4361 H11
5301 A4
5302 A6
5303 A4
2393 E12
3301 A5
3302 A3
3303 A4
3304 A6
3305 B4
3306 A5
3307 B7
3308 B7
3311 C6
3318 F3
3320 D5
3327 E6
3328 E6
3329 E6
3335 E1
3340 H8
3341 G8
3342 H8
0V
2,5V
3343 I8
3344 I10
3345 I10
3346 H10
3347 H9
3348 I10
2316 C6
2317 D6
2319 E5
2320 G5
2322 E5
2323 G5
2341 B9
2342 G8
2343 I9
2346 H9
2350 A9
2351 E9
2353 A10
2355 A12
2360 C9
2361 H10
2362 H12
2363 H11
2365 H11
5V
12,8V
2,35V
5,9V
314V
287V 1V
12,8V
5,3V
7V
2383 G12
2384 F9
2385 F9
13 14
A
B
C
D
E
F
G
H
I
A
B
C
D
E
F
G
H
0,7V
1966 G14
2301 B5
2304 A5
2306 A7
2307 A3
2310 C5
2313 C6
5 6 7 8 9 10 11 12 13 14
123456789
144V
3139 121 6173
10 11 12
I
0001 B1
0300 C5
0301 C4
0310 D11
0311 D11
1010-A A1
1010-B A1
1300 A3
1301 A2
1302 A2
1303 E12
1304 B12
1310 H10
1313 A8
1391 E8
1933 A6
1V
0V
1234
GNDHOT
I389 A9
I390 E8
I391 A11
I392 A12
I393 A12
I394 A12
I395 B11
I397 G11
I398 E12
I399 G12
7,5V
1
3
GNDTV
1R
3329
F6606
I358
I315
22R
3350
SPRING
0301
GNDTV
F300
3359
56K
I357
100u
2393
1300
1n
2341
F6609
GNDTV
DSP
1N4003
6326
GNDTV
100u
2363
I322
GNDHOT
I312
5303
10u
I394
I340
F6610
I356
I352
I311
GNDHOT
I350
I355
F302
GNDTV
10u
5302
220u
2384
3335
1K
3320
100R
F6605
F6604
I375
6325
1N4003
I301
GNDTV
5351
3M3
3307
1N4006GP
6302
470R
I381
10
11
12
13
14
2
3
4
5
6
7
8
9
3348
3340
1966
PH-B
1
GNDHOT
F6612
1K
I330
I376
I392
3358
100K
1302
3301
BZX79-B33
6355
BZX79-C8V2
I387
470p
2350
GNDTV
6323
F6608
GNDTV
F310
GNDTV
SBYV27-200
6342
F303
F325
5VD
G5P-1
1313
23
14
I373
2365
2u2
I336
GNDHOT
2319
1n
2362
I383
2361
3311
22K
2342
100n
5361
10u
1K
3304
F307
I345
2n2
2306
F314
6324
BAV21
GNDTV
2.5A
1391
PSC
3394
220R
1301
GNDHOT
33A
I317
F331
I306
GNDTV
F317
I303
2304
1n
3308
3M3
2360
330u
3357
4K7
I334
4343
F6613
2
5
78
9
I329
8
VI
L2074-5
5330
1
10
11
12
14
MC44608
7310
3
CTRL
1
DEMAG
5
DRIVER
4
GND
2
ISENSE
7
NC
6
VCC
I319
I382
I386
2
1
3
0001
LSB2L
6390
7341
TL431CZ
F6614
5360
10u
2
2SK2232
7391
LTV817BM
7340
14
3
I371
6350
BY229X-800
2343
10n
3378
2R2
1.25A
1303
PSC
I326
I347
I346
TL431CZ
7392
2
1
3
F6611
I325
I377
GNDTV
220p
2316
GNDTV
GNDTV
I343
3346
47K
3356
4K7
F309
GNDHOT
3363
3K3
1010-B
VHR 2
7300
STP4NC60
0300
HEATSINK
GNDTV
I351
I389
6381
BAV21
GNDHOT
5313
GNDHOT
6345
BAV21
I328
GNDTV
GNDTV
MRT
1304
T200mA
I399
MECHPART
0310
2317
470p
GNDTV
2310
100u
BYD33D
6385
HF2022R
GNDTV
VHR
1010-A
1
5301
2320
100n
UBAT
GNDTV
I333
GNDTV
1n
2385
7358
BC847BW
I380
6303
1N4006GP
I327
3327
1R
2307
220n
F304
I316
I374
GNDTV
I354
F316
F6602
2383
10u
2323
47u
1933
B2P3-VH
1
2
220R
3303
I385
6393
7355
BF422
F332
5362
330n
F301
I388
2n2
2322
I398
BAV21
6322
I342
3302
SIOV-S05K420GAS3
I395
3305
1K
2R2
GNDTV
47n
2313
F6601
3376
2
1
I390
33A
3306
232266296
3
3K9
3396 3392
6K8
GNDHOT
I393
I353
I302
0311
SPRING
9301
3393
470R
3344
2K7
220K
3318
6301
1N4006GP
4u7
5380
I344
I321
BYT42M
6314
F313
3355
4K7
I348
12K
I372
I313
3395
GNDTV
1N4006GP
6304
6361
I378
GNDTV
3347
120K
I384
3343
22K
3352
120K
3353
330K
1K
3354
BC847BW
7354
7350
STD17N06
3351
1K
7361
LF52CV
GND
IN OUT
I359
100n
2346
F305
F6603
F324
470R
3397
4361
I397
3341
470R
33A
GNDTV
220u
2353
I323
3569
47K
3345
I339
5322
I309
3342
470R
56u
I304
I332
1R
3328
33A
GNDTV
I391
2355
100n
330u
2351
F308
2301
1n
14VMSW
1310
UBAT

Table of Contents

Related product manuals