EasyManua.ls Logo

Philips 223V5LSB/00 - Page 73

Philips 223V5LSB/00
143 pages
Print Icon
To Next Page IconTo Next Page
To Next Page IconTo Next Page
To Previous Page IconTo Previous Page
To Previous Page IconTo Previous Page
Loading...
HUDSON 9
CC170CW8
LCD
C
C
73
73
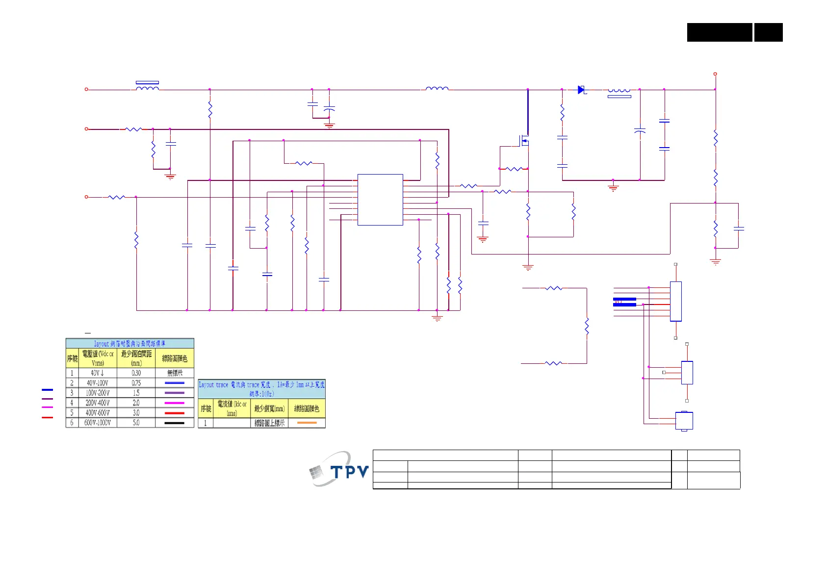
Remark: Parts position can be searched by using FIND function in PDF.
ISEN2ISEN1
D802
SB5100-E
1 2
OEM MODEL Size
Rev
Date
Sheet of
TPV MODEL
PCB NAME
称爹
T P V ( Top Victory Electronics Co . , Ltd. )
Key Component
A
Thursday , March 19, 2015
03.CONVERTER
3
4
G7300-P0B-000-0010-1-141014
715G7300-P0B-000-0010
R802
300K
R816
12K1/10W
R829
NC
ISEN3
VO
ISEN2
R823
0 OHM +-5% 1/8W
DIM
ON/OFF
R822
NC
CN801
CONN
1
2
3
4
5
6
7 8
CN802
NC1
2
3
4 5
ISEN3
R821
NC
C820
NC
ISEN4
ISEN1
ISEN2
ISEN3
VO
R834
0R05 1/10W
CN803
NC
1
2
R832
0R05
ISEN4
ISEN1
R812
0.3R 1/4W
R833
0R05
ISEN4
FB801
BEAD
1 2
R831
0R05
FB802
BEAD
12Va
R811
NC
R807
10 OHM 1/4W
R804
100 OHM 1/4W
C808
1nF 50V
U801
OZ9998MGN
ISEN1
13
ISEN2
14
GND
15
ISEN3
16
ISEN4
1
ISET
2
OVP
3
RT
4
ENA
5
ISW
6
LDR
7
VREF
8
VIN
9
LPF
10
SSTCMP
11
PWM
12
C813
330PF 50V
R819 10K 1/8W
R813
0.3R 1/4W
R818 10K 1/8W
C807
0.47UF 50V
R814
10 OHM 1/4W
R803
300K
R817
220R 1/8W 5%
L801
47uH
C805
2.2UF 25V
Q801
EMBA2N10A
R810
16KOHM +-1% 1/10W
C806
220nF50V
C815
1NF
R809
330K 1/8W 1%
C811
100N 50V
C817
1nF 50V
+
C801
220UF 25V
C804
0.47UF 50V
+
C809
33UF 100V
C810
100N 50V
R805
0R05
R806
1K
R801
10K 1/4W
C818
1NF
C812
100PF 50V
R820
200K +-1% 1/4W
C802
10nF 50V
VO

Table of Contents

Related product manuals