EasyManua.ls Logo

Philips 32PFL5604/78 - Page 26

Philips 32PFL5604/78
67 pages
Print Icon
To Next Page IconTo Next Page
To Next Page IconTo Next Page
To Previous Page IconTo Previous Page
To Previous Page IconTo Previous Page
Loading...
IC Data Sheets
EN 26 TCM3.2L LA8.
2009-Jun-19
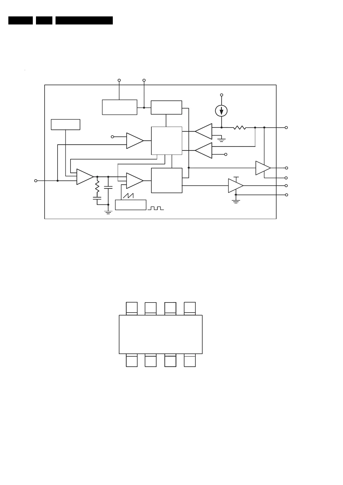
8.2 Diagram B01, RT8110 (IC U13)
Figure 8-2 Internal block diagram and pin configuration
Block Diagram
Pin Configuration
18520_312_090326.eps
090326
(TOP VIEW)
BOOT
FB
VCC
PHASE
GND
LGATE
DRIVE
UGATE
5
34
68
1
2
7
Soft-Start
and Fault
Logic
Gate
Control
Logic
+
-
+
-
VCC
R
OC
I
OC
1.5V
BOOT
FB
VCC
PHASE
GND
LGATE
DRIVE
UGATE
VCC
Power-
On Reset
POR
+
-
0.5V
+
-
+
+
-
+
0.8V
REF
UVP
PWM
Gm
V
CC
Regulator
Oscillator
S1L
OC
PH_M
SSE
EO
SS

Related product manuals