EasyManua.ls Logo

Philips 32PFL5604/78 - IC Data Sheets

Philips 32PFL5604/78
67 pages
Print Icon
To Next Page IconTo Next Page
To Next Page IconTo Next Page
To Previous Page IconTo Previous Page
To Previous Page IconTo Previous Page
Loading...
IC Data Sheets
EN 25TCM3.2L LA 8.
2009-Jun-19
8. IC Data Sheets
Index of this chapter:
8.1 Diagram B01, LD1117 (IC U4)
8.2 Diagram B01, RT8110 (IC U13)
8.3 Diagram B01, MP1593 (IC U14)
8.4 Diagram B01, PQ1CX41 (IC U20)
8.5 Diagram B02, MX25L3205 (IC U10)
8.6 Diagram B02, MT8222 (IC U11)
8.7 Diagram B03, RT9199 (IC U1)
8.8 Diagram B04, TDA9885 (IC U2)
8.9 Diagram B07, WM8501 (IC U9)
8.10 Diagram B09, RC4558 (IC U26/U37)
8.11 Diagram B09, LM833D (IC U27)
8.12 Diagram B10, STA333BW (IC U17)
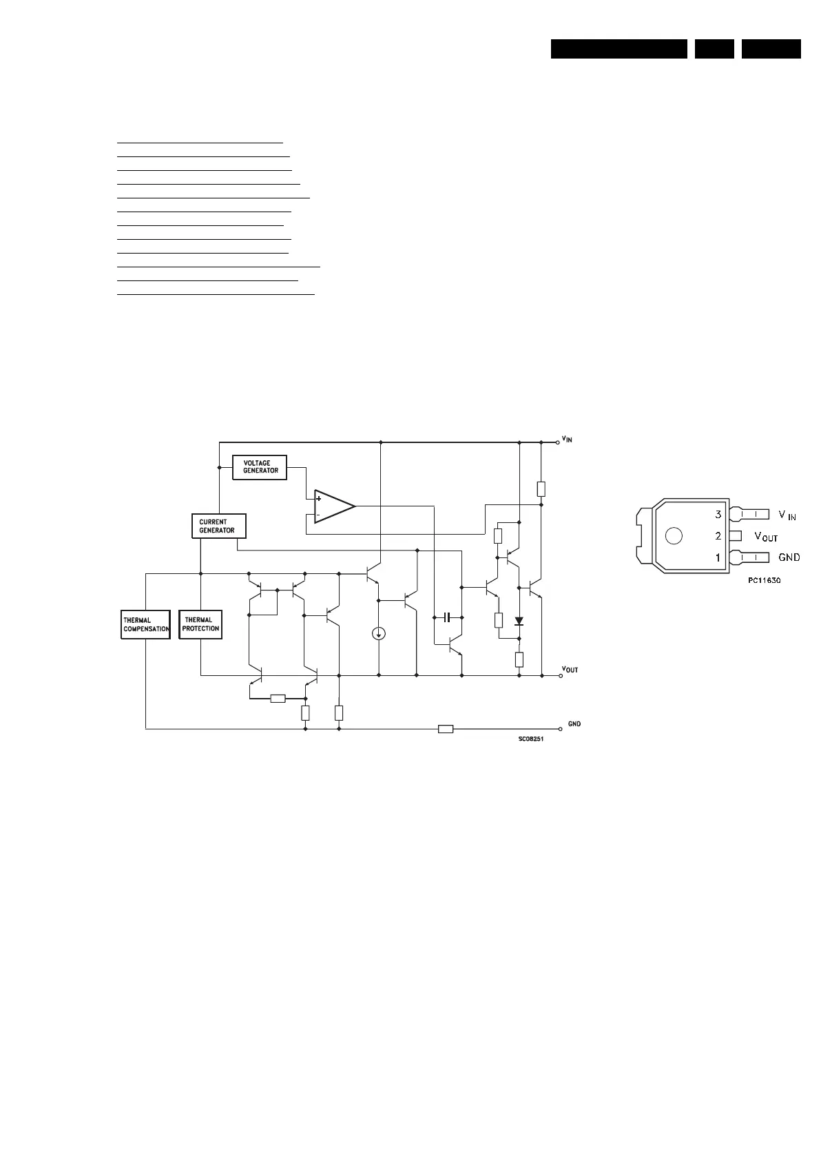
This chapter shows the internal block diagrams and pin
configurations of ICs that are drawn as “black boxes” in the
electrical diagrams (with the exception of “memory” and “logic”
ICs).
8.1 Diagram B01, LD1117 (IC U4)
Figure 8-1 Internal block diagram and pin configuration
Block Diagram Pin Configuration
F_15710_166.eps
230905
LD1117DT
DPAK

Related product manuals