EasyManua.ls Logo

Philips 32PFL5604/78 - Page 36

Philips 32PFL5604/78
67 pages
Print Icon
To Next Page IconTo Next Page
To Next Page IconTo Next Page
To Previous Page IconTo Previous Page
To Previous Page IconTo Previous Page
Loading...
IC Data Sheets
EN 36 TCM3.2L LA8.
2009-Jun-19
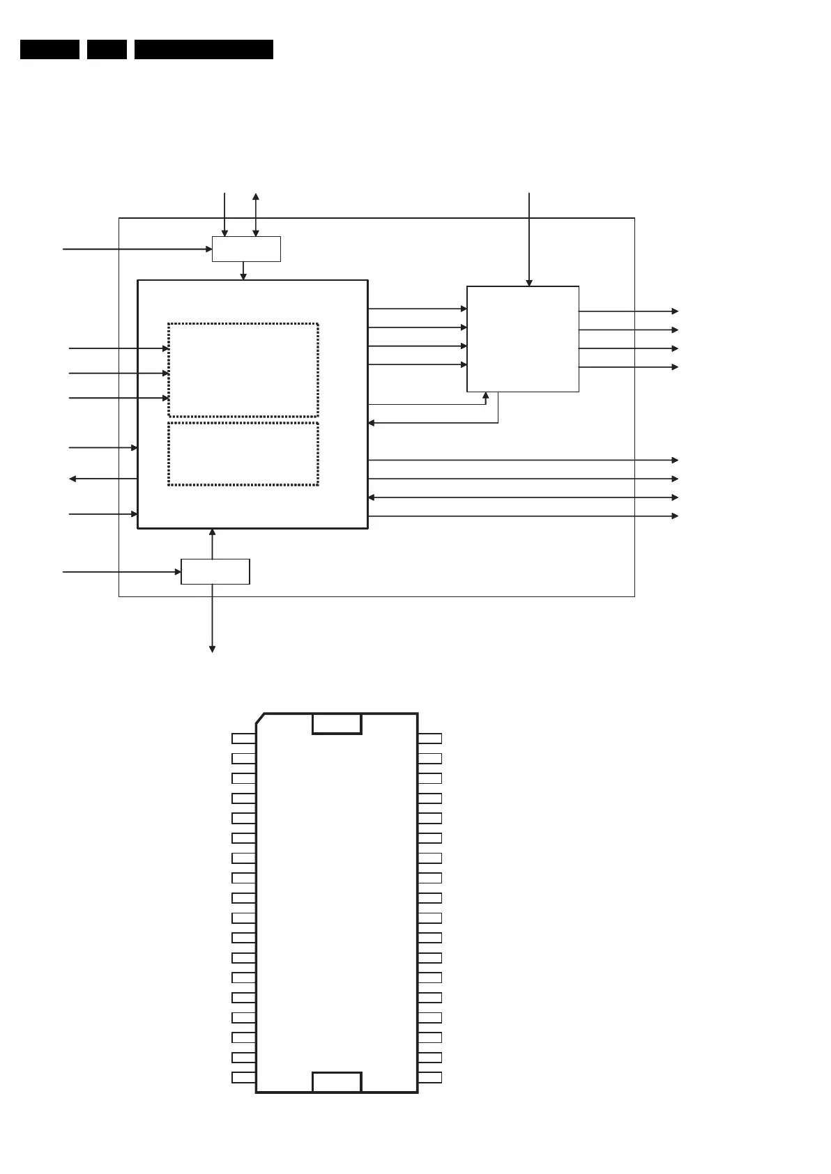
8.12 Diagram B10, STA333BW (IC U17)
Figure 8-12 Internal block diagram and pin configuration
Block Diagram
Pin Configuration
18520_310_090325.eps
090325
Serial Data Input
Channel mapping
I2C
POWER
PLL
Processor
DDX3A
DDX3B
DDX4A/TWARNEXT
DDX4B/EAPD
SCL SDA
OUT1A
OUT1B
OUT2A
OUT2B
LRCKI
BICKI
RESET
SDI
XTI
PLL_FILTER
CONTROL
STATUS
INT LINE
EQ, Tone,
Volumes
SA
CONFIG
PWDN
Serial Data Input
Channel mapping
I2C
POWER
PLL
Processor
DDX3A
DDX3B
DDX4A/TWARNEXT
DDX4B/EAPD
SCL SDA
OUT1A
OUT1B
OUT2A
OUT2B
LRCKI
BICKI
RESET
SDI
XTI
PLL_FILTER
CONTROL
STATUS
INT LINE
EQ, Tone,
Volumes
SA
CONFIG
PWDN
GND_SUB
SA
TEST MODE
VSS
OUT1A
Vdd
GND_REG
CONFIG
B4TUO/NRAWTB3XDD/B3TUO
VDD_DIG
GND_DIG
PLL_Vdd
POWRDN
SDA
SCL
GND_DIG
V
dd_DIG
18
16
17
15
6
5
4
3
2
21
22
31
32
33
35
34
36
20
1
19 A4TUO/DPAEA3XDD/A3TUO
OUT1B
GND1
V
CC
1
PLL_FILTER
PLL_GND
XTI
9
8
7
28
29
30
IKCIBA2TUO
7201
VCC_REG
V
CC2
GND2
LRCKI
INT_LINE
SDI
14
12
11
23
25
26
OUT2B
RESET
4231

Related product manuals