EasyManua.ls Logo

Philips 32PFS6402/12 - Rt7299 Bhgqw (IC U704)

Philips 32PFS6402/12
52 pages
Print Icon
To Next Page IconTo Next Page
To Next Page IconTo Next Page
To Previous Page IconTo Previous Page
To Previous Page IconTo Previous Page
Loading...
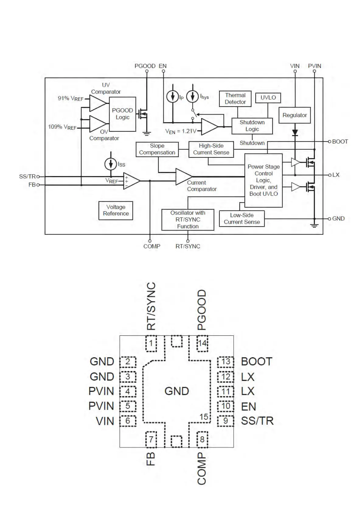
7.2 RT7299BHGQW (IC U704)
Block diagram
Pinning information

Table of Contents

Related product manuals