EasyManua.ls Logo

Philips 36PW9618 - Page 48

Philips 36PW9618
172 pages
Print Icon
To Next Page IconTo Next Page
To Next Page IconTo Next Page
To Previous Page IconTo Previous Page
To Previous Page IconTo Previous Page
Loading...
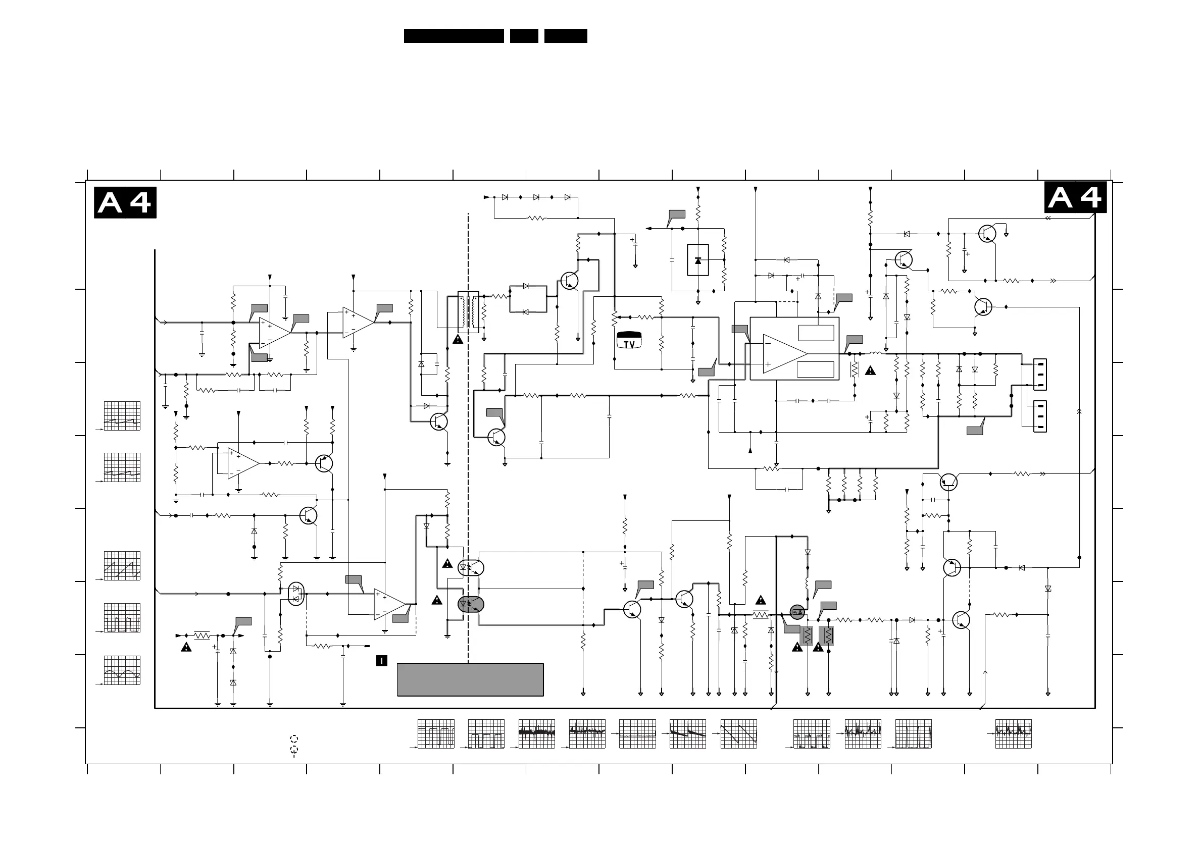
48EM6E 7.
Circuit Diagrams and PWB Layouts
Large Signal Panel: Frame Deflection E/W Drive
A33
500mV / div DC
2ms / div
PM3394B
A34
500mV / div DC
2ms / div
PM3394B
A35
500mV / div DC
2ms / div
PM3394B
A36
200mV / div DC
10us / div
PM3394B
A37
500mV / div DC
2ms / div
PM3394B
A38
200mV / div DC
10us / div
PM3394B
A39
2V / div DC
10us / div
PM3394B
A40
200mV / div DC
2ms / div
PM3394B
A41
200mV / div DC
2ms / div
PM3394B
A42
20V / div DC
2ms / div
PM3394B
A43
10V / div DC
2ms / div
PM3394B
A44
200mV / div DC
2ms / div
PM3394B
A45
1V / div DC
10µs / div
PM3394B
A47
50V / div DC
10µs / div
PM3394B
A46
500mV / div DC
10µs / div
PM3394B
A48
500mV / div DC
10µs / div
PM3394B
FLYBACK
GENERATOR
POWER
AMPLIFIER
THERMAL
PROTECTION
I697 F3
I698 G2
8V2
COIL
RES
0V6
COLD
HOT
10 11
RES
0V
A1,A3
NOTE
(SEE NOTE)
RES
0V3
E/W DRIVE FRAME DEFLECTION
7450-A B4
RES
RES
*
7612 D6
7613 A9
7614 C5
7620 B10
RES
RES
9405 F4
9481 F5
9482 F7
9483 E7
9499 F13
9620 B10
9622 B11
F601 F2
HOT
PROTECTION CIRCUIT
22V7
F602 A9
F603 A11
F604 A11
F605 B3
F606 B13
21V7
1 2 3 4 56 789
F615 F12
F616 D10
F617 D11
F618 D11
12 13 14
F625 F12
F626 G3
F627 F11
F628 E2
F629 C7
I600 A9
FRAME
S
A3,A4
1V9
0V4
BRIDGECOIL PROTECTION (5422) IS TRIGGERED VIA EW
3623 D10
3624 C11
3625 C12
3626 C12
7450-B F5
7455 D3
7480 F10
7482 F6
7483 E6
7486 F9
7487 F8
7611 A7
3635 A9
3636 A9
3637 A9
3638 B8
7641 A12
7652 B13
7653 F13
7654 E12
3643 B8
3644 A12
3645 A11
3646 C12
3647 C12
FRAME DEFLECTION
RES
I630 D13
I631 C8
I632 C11
I633 C11
I634 C12
I635 C12
I636 C10
I637 C11
I638 F4
F607 B2
F608 B11
F609 B13
F610 C2
F611 C13
F612 C13
F613 C2
F614 E3
I647 C6
I648 A7
I649 D4
I650 E3
F621 E14
F622 E13
F623 F2
F624 F11
I655 E10
I656 E9
I657 F7
I658 F8
13V7
(SEE DIAGRAM A3 ALSO
)
7V8
2454 F3
2457 E4
2458 E2
2466 D12
2480 F9
2481 F9
2482 G10
2487 A13
2490 E8
3627 C12
3628 A7
3629 C12
3630 B8
3631 B7
3632 C7
3633 B7
3634 C9
2620 C9
2621 D10
2622 A10
2623 C3
3639 C6
3640 A7
3641 C6
3642 B8
21V6
-14V2
2629 C12
TO
1693
2633 D7
2635 A8
2642 B11
2653 D10
2656 B2
2657 B3
2659 C2
2660 F11
2661 C8
2662 C3
3403 A13
3412 D5
I639 C10
I640 C12
I641 B7
I642 C9
I643 D4
I644 D2
I645 D3
I646 D5
3457 C4
3458 E3
3459 E2
3466 E12
I651 E5
I652 E12
I653 E10
I654 E5
3476 E12
3478 F11
0V7
D
A
B
C
D
E
F
2491 F12
2493 G4
2497 E12
2498 F14
2499 E13
2603 C6
2604 C9
2605 C5
1625 B13
1627 C13
1693 F4
2403 D3
2624 C11
2625 C10
2627 C11
2628 A8
RES
RES
-
5V7
22V5
A8,A3
0V5
EW
COLD
G
A3,A4
3479 F10
3480 F11
3481 F10
3482 F9
3483 F9
3418 E9
3419 D3
3420 C3
3421 D2
3422 D3
3449 F2
3455 C2
3456 D2 3492 E8
3493 E8
3495 F13
3496 F8
3467 A12
3472 E12
3474 E13
3475 F11 3621 D11
3622 D11
2630 B9
2631 B9
FRAME
-3V6
-15V2
0V
RES
3648 D11
3652 A12
3653 C11
3654 F4
3655 B2
3656 B2
3657 C3
G
A
B
C
D
E
F
G
3688 G10
3690 C7
5467 F10
5620 B11
2404 D2
2448 B12
2451 F2
RES
6456 F3
6457 F2
A8
DEFLECTION
A8
6458 G3
6480 E10
6481 F9
6482 F8
6483 F10
6491 E13
6493 F12
6494 F12
6499 F14
6614 C5
6615 E5
3484 E8
3485 F7
3486 E3
3487 F3
3488 E9
3489 F10
3490 E5
3491 F12
6624 C12
6625 A7
6626 A7
6627 A6
3497 D13
3610 B5
3611 B3
3620 D11
7442 D13
7443 A13
RES
RES
A8
I601 A11
I602 B5
I603 E8
I604 F2
I605 D3
I606 A13
I607 F8
I608 B8
I609 A11
I610 A9
I611 A12
3658 C2
3659 C2
3660 B6
3661 C12
3662 B6
3663 C13
3664 C2
3665 B12
I620 B11
I621 B4
I622 A13
I623 A7
5621 A5
6405 A12
6442 B12
6455 E3
I628 C3
I629 B8
VDAF
7V9
*
0V
RES
0V7
RES
6616 C5
6617 B7
6618 A7
6619 C12
6620 A10
6621 A10
6622 B10
6623 A11
I665 F9
I666 F7
I667 F13
I668 F10
6628 C13
7440-A B3
7440-B D3
7441 D3
I673 A6
I674 B9
1V
21V7
I612 A13
I613 A10
I614 F4
I615 A11
I616 B12
I617 B13
I618 A9
I619 A9
I677 C12
I678 D2
I679 E2
I689 F10
I624 B8
I625 B9
I626 B11
I627 C5
I695 A6
I696 F3
*
I659 F13
I660 F10
I661 F10
I662 F9
I663 F10
I664 C11
I669 A12
I670 D12
I671 E12
I672 A7
I675 D3
I676 B12
I690 F4
I692 F11
I693 B5
I694 A6
6494
MCL4148
BZX79-C47
6405
A33
2
2466
100n
I620
7483
TCET1102
14
3
I675
6
7
8
4
I679
I626
7440-B
LM358N
5
I666
3610
6K8
3457
1K5
1627
EH-B
NOT
USED
1
2
3
3482
100R
F608
I689
3635
330R
BC847B
7486
I603
I634
A42
3625
120R
F628
6628
MCL4148
GND-SUP
GND-SUP
22K
3627
470K
4K7
3475
I646
3419
10u
2487
I607
GND-SUP
GND-SUP
BAT254
6483
I665
I658
F612
9622
9481
4K7
3484
3491
3418
47K
2491
10u
56K
I635
I637
I632
6616
MCL4148
2657
10n
6442
47K
3646
I601
BZX284-C15
22n
2656
220K
3476
3403
100R
1K2
3656
3632
39K
1
10
3
56
I652
5621
S13974
I615
7620
FLYB
3
GND
4
IN+7
IN-1
OUT 5
VSUP
26
VSUPO
I663
TDA8177
I611
100K
3467
3466
4K7
I693
GND-SUP
I692
I653
3R3
BYD33D
6480
7442
BC857B
3622
F615
2629
100n
F604
I619
1n
2404
I600
2u2
2630
A49
I629
6K8
3456
I610
F617
F622
2403
1n
47K
3642
6455
MCL4148
3661
150R
GND-SUP
2n2
2481
I640
2482
47n
I621
6493
BAT254
EH-B
1625
1
2
3
3654
4K7
BC847B
7487
BC847B
7443
33K
I662
3495
I656
GND-SUP
MCL4148
6623
I670
I677
1693
A41
3626
100R
A40
7450-A
LM393D
3
2
1
8
4
A48
I696
I608
A47
I654
3621
1R
1R
3620
GND-SUP
2622
100u
2K2
I659
3652
3631
39K
3634
100R
56K
3633
GND-SUP
2653
3n3
6482
BAS216
I612
7613
2
1
3
GND-SUP
A46
GND-SUP
100u
TL431CZ
220n
2620
2490
A45
470n
2624
I694
A44
I695
6n8
2662
2K2
3640
GND-SUP
3664
15K
7653
BC847B
680K
3488
I624
470n
I618
6622
BZV85-C
2625
6619
BYD33D
3K3
3422
I650
470K
3421
2633
I649
10u
2627
3n3
I643
F629
150R
3663
BC847B
1K5
3662
I664
7641
3483
1K8
5620
90R
A34
3n3
2499
470R
3485
9483
F610
F605
I641
5467
12K
3655
9620
6621
BYD33D
I647
330K
3643
F603
A38
BC847B
7614
LM393D
7450-B
5
6
7
8
4
100R
3629
F611
I698
I606
2605
1n
I613
3472
39K
470R
3641
15n
2454
100R
3449
F614
1m
2451
15K3489
F616
3653
22K
GND-SUP
3478
100R
6491
1PS76SB10
F621
1K8
3412
GND-SUP
F618
100R
3628
6499
3K3
3455
BZX384-C10
LM358N
7440-A
3
2
1
8
4
GND-SUP
2660
1n
6618
MCL4148
I645
18K
3623
I630
6615
MCL4148
1n
2661
3690
1K
2R2
3647
6626
MCL4148
I674
3665
47R
GND-SUP
2631
2u2
2621
100n
6617
MCL4148
150K
3645
GND-SUP
9499
3420
3K3
A36
1R5
3624
I614
3648
1R
2K2
3611
I623
3
2
I697
STP3NB60
7480
BAV99
6456
1
A35
I609
12
6457
BZX384-C2V7
4R7
3480
100n
2635
I648
2603
220p
I673
I672
6627
MCL4148
3458
F623
GND-SUP
470R
I651
100R
3492
I657
F625
F626
F607
BC847B
7611
22K
3657
7441
BC857B
F609F606
A39
4n7
2480
22K
3636
3K3
3490
3688
100K
6625
MCL4148
F601
BAT254
6614
15n
2457
33n
6620
BYV27-200
I642
2497
I627
I625
A43
A50
I671
I676
GND-SUP
I638
10K
3637
470R
3459
8K2
3487
I639
9482
PMBT2369
7455
2659
22n
470p
2448
I628
33K
33K
3497
3630
I605
3481
100R
F613
3474
56K
GND-SUP
2n2
9405
470K
3638
GND-SUP
2623
7654
BC857B
F602
2K2
3659
470n
2498
I667
F624
2K7
3496
6481
I668
5K6
3660
GND-SUP
BZX284-C15
4R7
100u
2642
3479
I633
2458
560p
I604
220n
2604
I660
I636
GND-SUP
3691
100R
6458
BZX384-C5V6
GND-SUP
3658
22K
I678
3n3
BC847B
7612
3486
I644
2493
6K8
I669
I602
MCL4148
6624
I622
I690
3644
100u
2628
220R
150K
3493
I616
I631
I655
I661
I617
7482
TCDT1102G
15
42
56K
3639
GND-SUP
7652
BC847B
F627
A37
8Vb
8Vb
EW-DRIVE
+8V-S
8Vb
-15V-LOT
FRAMEDRIVE-
HFB_X-RAY-PROT
8Vb
8Vb
8Vb
+141V
EW
EW
+8V-S
+8V-S
+13V-LOT
+141V
+141V
+13V-LOT
ARC-PROT
FRAMEDRIVE+
+11D
8Vb
8Vb
ARC-PROT
SUP-ENABLE
About DC-voltages measured:
NORMAL ..V.
STANDBY (..V.)
8204 000 8276.3
CL 36532008_022.eps
080503
LINE DEFLECTION REPAIR KIT: 3122 785 90330
Caution item 3400 used in this chassis is different
from the part supplied in the kit.
See partlist for correct value and ordercode.

Related product manuals