EasyManua.ls Logo

Philips 36PW9618 - Page 72

Philips 36PW9618
172 pages
Print Icon
To Next Page IconTo Next Page
To Next Page IconTo Next Page
To Previous Page IconTo Previous Page
To Previous Page IconTo Previous Page
Loading...
72EM6E 7.
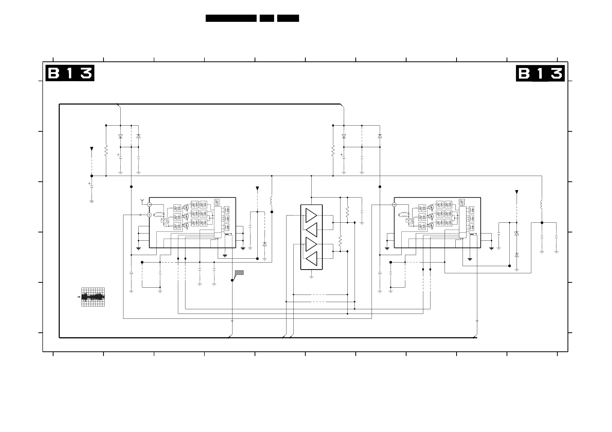
Circuit Diagrams and PWB Layouts
Small Signal Board: Tun1/Tun2
M
PLL
L
H
M
L
H
L
H
M
L
H
M
PLL
9T08 D3
9T09 E8
9T14 C5
9T15 C5
9T16 C10
AT00 D4
FT02 C2
FT03 D4
FT04 C7
FT05 D9
IT16 D8
B2
B15A
RES
RES
9T02 B7
9T03 D8
9T04 D3
9T05 D2
9T06 D7
9T07 D3
9T12 E6
9T13 B1 IT01 B1
IT02 A2
IT06 D2
IT07 D7
IT08 C5
IT09 C10
IT10 A6
IT11 C63T03 B2
3T04 B6
3T05 C6
3T06 D6
5T02 C5
5T03 C10
6T01 B2
6T02 B6 IT12 D6
IT13 D3
IT14 D3
IT15 D86T06 D10
6T07 D10
6T08 D5
7T01 C5
9T01 B2
2T03 B6
2T04 C4
2T05 C1
2T06 D3
2T07 D7
2T09 D3
9T10 E8
9T11 E6
B1
2T13 B2
2T14 B7
2T15 E3
2T16 D10
2T17 D2
2T18 D7
4 10
1
6T03 B2
6T04 B7
33V5
5V1
5V1
RES
TUN1/TUN2
B15A
B
C
D
E
1T01 C2
1T02 C7
2T01 B2
2T02 D9
2T10 D10
2T12 C7
C
D
E
A
12 3 65 897
4 1023 65 897
RES
RES
RES
RES
RES
RES
33V5
A
B
2T09
22n
2T05
470u
22n
2T10
10u
5T03
4
SDA
5
TU
2
VS
7
VST
9
470u
2T03
UV1318ST/AI-3
ADC
8
AGC
1
AS
3
IF1
1110
IF2|NC
12
13
14
15
16 17
6
NC
SCL
FT02
1T01
IT08
9T02
FT03
100n
2T12
9T15
9T06
GND
2RX
6RY
1SX
7SY
3TX
TY 5
8
VCC
P82B96TD
7T01
4
9T09
9T10
ADC
8
AGC
1
AS
3
IF1
1110
IF2|NC
12
13
14
15
6
NC
SCL
4
SDA
5
TU
2
VS
7
VST
9
+33V
1T02
UV1316-AIUX-
PIP TUNERTUNER/SPLITTER
3
2T02
6T03
BAS216
9T03
47n
+5V
2T04
47n
FT05
IT09
BZX284-C33
6T07
6T08
BZX284-C33
2T16
1u
1u
2T15
6T02
BAS216
10n
2T17
2T01
470u
+33V
9T13
IT01
9T14
9T08
9T04
9T12
3T03
10n
2T14
2T13
10n
2T18
10n
9T16
BZX284-C33
6T06
3T04
9T07
9T05
IT12
IT11
9T01
8204 000 8144.8
IT10
IT14
IT16
IT13
IT15
BAS216
6T01
IT02
9T11
10K
3T05
3T06
10K
2T06
10n
IT07
FT04
10n
2T07
5T02
10u
BAS216
6T04
IT06
AGC1
AGC2
IF-TER
IF-TER2
S-SDA
S-SCL
AT00
CL 36532008_041.eps
070503
200mV / div AC
10µs / div
AT00

Related product manuals