EasyManua.ls Logo

Philips 36PW9618 - Page 73

Philips 36PW9618
172 pages
Print Icon
To Next Page IconTo Next Page
To Next Page IconTo Next Page
To Previous Page IconTo Previous Page
To Previous Page IconTo Previous Page
Loading...
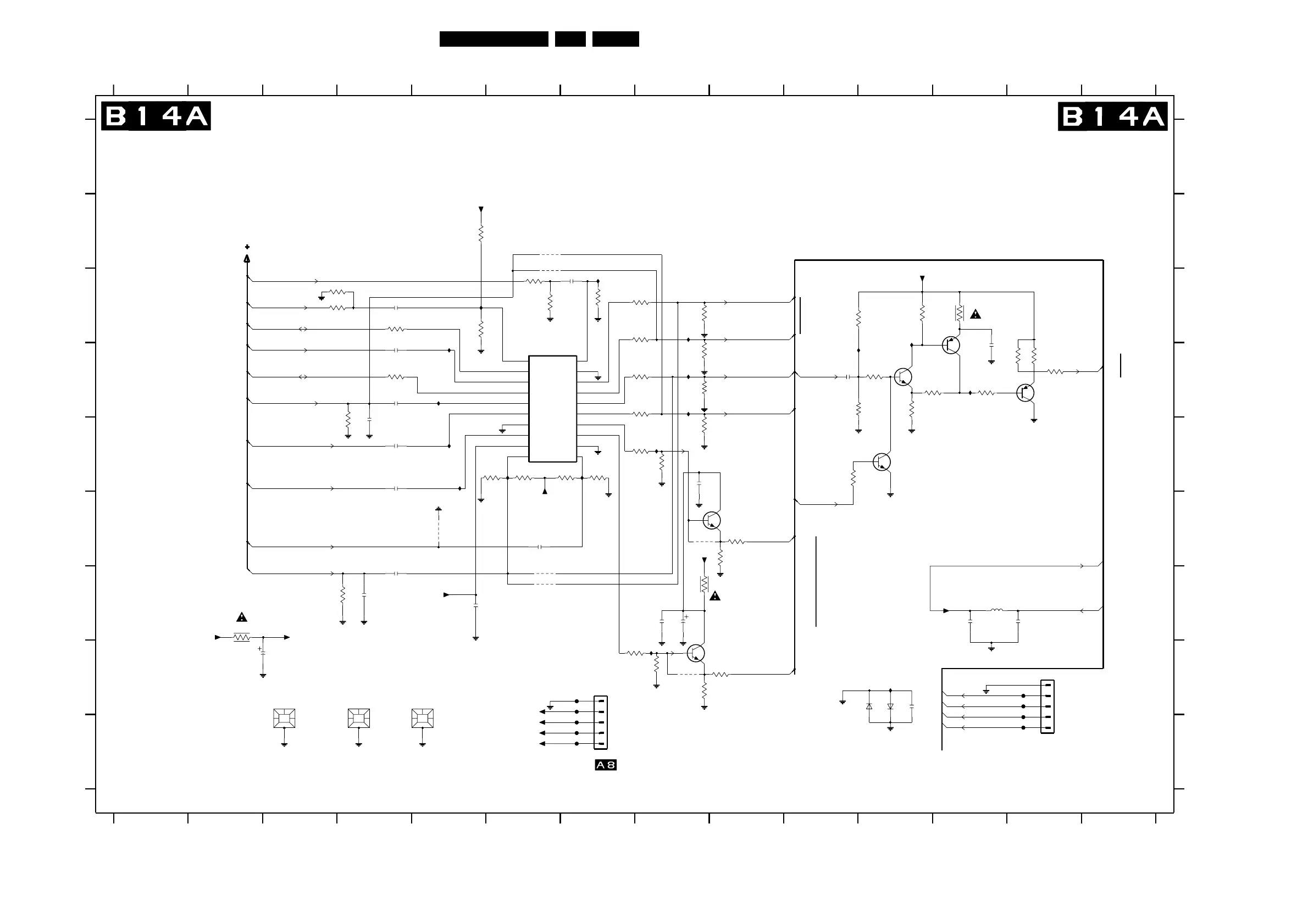
Circuit Diagrams and PWB Layouts
73EM6E 7.
Small Signal Board: I/O Eur
B14b
II01 C6
II02 E5
II03 D5
II04 E5
To Hard Disk
II05 E6
II06 E7
II07 C8
II08 C7
II09 D8
II10 D8
II11 E8
II12 H8
II13 H11
II14 C11
II15 D12
II16 D11
B2
9I00 B6
9I01 C6
9I02 G6
9I03 G6
For US (AV3)
9I04 F5
9I20 F8
9I21 H8
FI00 H13
FI01 H13
FI02 H13
FI03 I13
FI04 H7
FI05 H7
FI06 I7
FI07 I7
FI08 I7
II00 D5
6I01 H11
7I06 F9
7I24 D6
7I35 E11
(USA AV3)
B14b
B14b
B14b
From Front
7I36 D11
7I37 D12
7I38 D13
7I50 H8
3IP0 C10
3IP2 D11
3IP3 D13
3IP4 D12
From Hard Disk
B1
From PIP/DW
From Hard Disk
B1
TO HIP MAIN
3IP5 C12
3IP6 C11
3IP7 D11
3IQ0 D12
3IQ1 D13
5I01 G12
6I00 H11
3I25 E7
3I26 H8
3I27 F9
3IK0 C6
B14b
B15a
3IK1 C4
3IK4 E4
3IK5 G4
3IK7 G2
3IK8 G8
3IN7 D13
3IN8 F9
3IN9 H9
3I11 C8
3I12 C8
3I13 C8
3I14 D8
to Scart 2
B14b ,c
B1
3I15 D8
3I16 D8
3I17 D8
3I18 E8
3I19 E8
3I20 E8
3I21 H8
3I22 H8
3I23 E6
3I24 E7
2IG1 D10
2IJ0 G4
2IJ1 E4
2IJ2 G8
B15a
TO HIP MAIN
2IJ3 E8
2IJ4 D12
2IJ5 G12
2IJ6 G13
3I01 B5
3I02 C5
3I03 C4
3I04 C4
3I05 D4
3I06 C6
3I07 D10
3I08 E10
3I09 E6
3I10 C7
D
E
F
G
B15a
B1
From Scart 4
OR DVD
From FRONT
From HIP MAIN
B1 B18
2I06 E4
2I07 G4
2I08 F6
2I09 H11
2IA5 H2
2IA6 G8
2IE0 C7
B14b
1234567891011121314
1234567891011121314
A
B
C
I
A
B
C
D
E
F
G
H
I
0001 H5
0002 I3
0003 I2
1I02 H13
1I70 H7
2I01 G5
2I02 C4
2I03 D4
2I04 D4
2I05 E4
OR DVD CVBS
B1
RES
RES
SHIELDING 3.3
TO PIP/DW (HIP SUB)
I/O EUR
To 1147
H
3I02
68K
0003
9I03
3I22
470R
100R
3I04
3I19
560R
9I01
100n
2IJ3
+11V
7I06
BC847BW
3I20
470R
3I24
470R
3I14
100K
3I23
100n
2IJ4
2IJ2
100n
BC847BW
7I50
3I01
100K
II12
9I02
II08
3I06
75R
2R2
3IP5
220n
2I06
7I38
BC857BW
18
OUT4
15
OUT5
16
OUT6
4
SCL
2
SDA
7
SUB
9
VCC1
II05
TEA6415CD-TR
7I24
VIDEO SWITCH
19
GND1
12
GND2
10
IN1
20
IN2
3
IN3
1
IN4
11
IN5
5
IN6
8
IN7
6
IN8
13
OUT1
14
OUT2
17
OUT3
3I15
560R
3IP3
56R
3IQ0
10R
II06
FI03
2I09
100p
0001
SHIELDING 3.3
+8VA
FI05
220n
2I04
II04
3IP7
100R
680R
+33V
3IQ1
BC847BW
7I35
II16
220R
3IP2
BC857BW
7I37
10R
3I08
+8VA
9I20
220R
3IP4
2IJ1
3I27
1K
+8V
100p
1I70
PH
1
2
3
4
5
+5V2
6I00
MCL4148
+5V2
II03
560R
3I17
2I08
3I03
75R
II15
9I21
1K
3IP6
1K
3I26
3I11
560R
9I04
FI02
GND_MAIN
FI01
II07
FI06
II13
FI08
3I05
100R
+8VA
3I12
470R
MCL4148
6I01
560R
3I13
470p
2IJ0
2I02
220n
II00
100n
2I01
2I03
220n
II14
3I16
GND-AUD
1K5
8204 000 8143.7
75R
3IK0
75R
3IK1
3IK4
75R
75R
3IK5
2IA5
100u
FI04
3IK7
4R7
3I25
68K
3I10
II11
100n
2IG1
BC847BW
7I36
3I18
2IE0
220n
2I05
220n
470R
5
FI00
PH
N.C.
1I02
1
2
3
4
II02
68K
3I09
560R
3I21
FI07
II09
18K
3IP0
3IN9
68R
II01
3IN7
680R
3IN8
68R
+8VA
1K2
3I07
II10
9I00
3V3_FAULT
3V3_FAULT_PIP
220n
2I07
5I01
6u8
2IJ5
10n
10n
2IJ6
+8V
+8VA
SHIELDING 3.3
0002
4R7
3IK8
100u
2IA6
I2S-BO-CLK
B12
B15c
I2S-BO-WS
I2S-BO-IN
I2S-BO-OUT
SC2-B-IN_C-OUT
C-RECORD-IN
CVBS-Y-RECORD-IN
C-FRONTS-IN
C-AV3-IN
SC2-FBL-IN
C-MMC-OUT
Y-CVBS-MMC-OUT
FRONT-C-IN
FRONT-Y-CVBS-IN
PIP-OUT1
SC4-CVBS_AV3-Y-SVHS
S-SCL
PIP-OUT
S-SDA
C-FRONTS-IN
C-PIPDW-OUT
Y-CVBS-FRONTS-IN
Y-CVBS-PIPDW-OUT
CL 36532008_042.eps
070503

Related product manuals