EasyManua.ls Logo

Philips 48OLED935/12 - Page 149

Philips 48OLED935/12
175 pages
Print Icon
To Next Page IconTo Next Page
To Next Page IconTo Next Page
To Previous Page IconTo Previous Page
To Previous Page IconTo Previous Page
Loading...
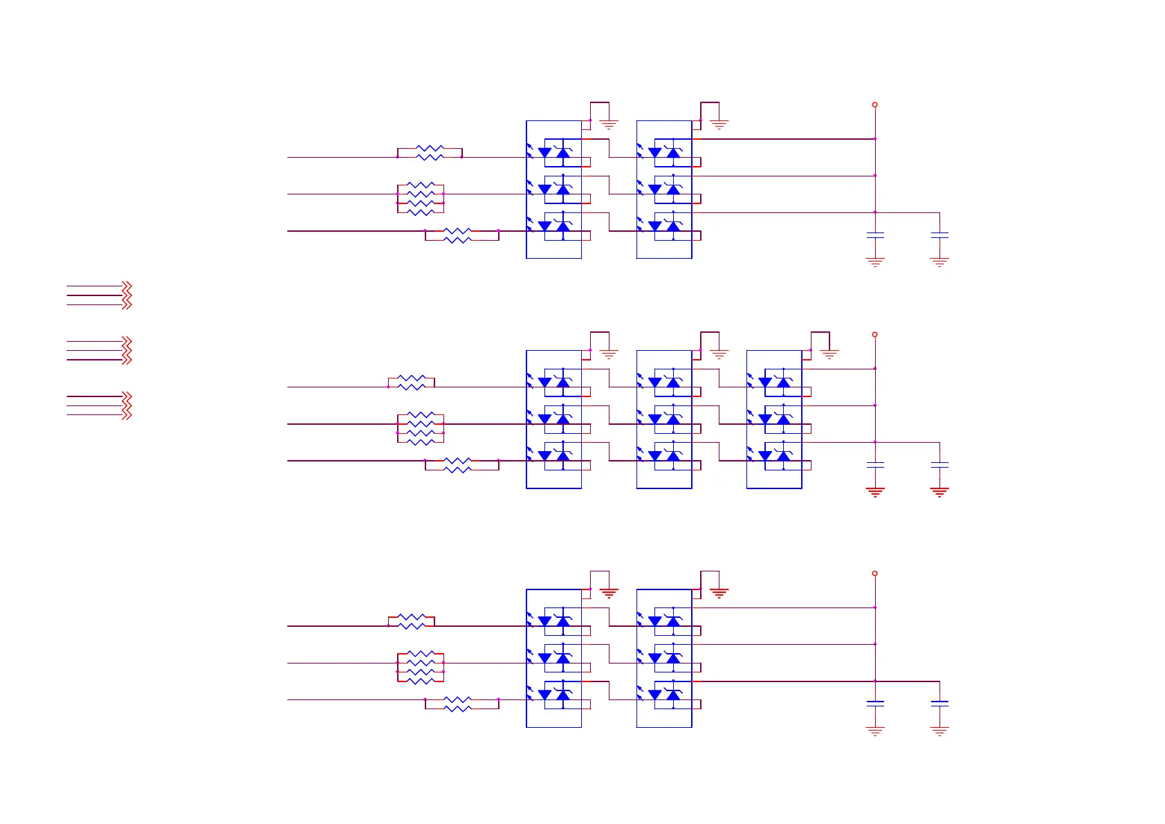
9-14-2 Ambilight 7-LED
R064 180R
R065 180R
R066 180R
R067 180R
PWM2-R3
PWM2-B3
PWM2-G3
R032 560R
R029 560R
R030 560R
R031 560R
C013
NC/100NF 50V
C011
NC/100NF 50V
C009
NC/100NF 50V
+12V
PWM2-G1 2
PWM2-B1 2
PWM2-R1 2
R021 560R
R022 560R
R023 560R
R024 560R
R060 180R
R061 180R
R062 180R
R063 180R
PWM2-R1
PWM2-B1
PWM2-G1
+12V
C012
100N16V
C010
100N16V
+12V
C008
100N16V
R ed B l u eGr e e n
D001
LTW-X45T-P2H
1
2
3
4
5
6
7
8
R ed B l u eGr e e n
D002
LTW-X45T-P2H
1
2
3
4
5
6
7
8
R ed B l u eG re e n
D003
LTW-X45T-P2H
1
2
3
4
5
6
7
8
R ed B l u eG re e n
D004
LTW-X45T-P2H
1
2
3
4
5
6
7
8
R ed B l u eG re e n
D005
LTW-X45T-P2H
1
2
3
4
5
6
7
8
Re d B l u eGr e e n
D006
LTW-X45T-P2H
1
2
3
4
5
6
7
8
PWM2-R2
PWM2-G2
PWM2-B2
R025 560R
R026 560R
R027 560R
R028 560R
R040 22R 1/16W 5%
R041 22R 1/16W 5%
Re d B l u eGr e e n
D007
LTW-X45T-P2H
1
2
3
4
5
6
7
8
R042 22R 1/16W 5%
R043 22R 1/16W 5%
PWM2-B2 2
PWM2-G2 2
PWM2-R2 2
PWM2-G3 2
PWM2-B3 2
PWM2-R3 2

Related product manuals