EasyManua.ls Logo

Philips 48OLED935/12 - Electrical Diagram; 7.1 Block diagram; 7.2 Power Supply

Philips 48OLED935/12
175 pages
Print Icon
To Next Page IconTo Next Page
To Next Page IconTo Next Page
To Previous Page IconTo Previous Page
To Previous Page IconTo Previous Page
Loading...
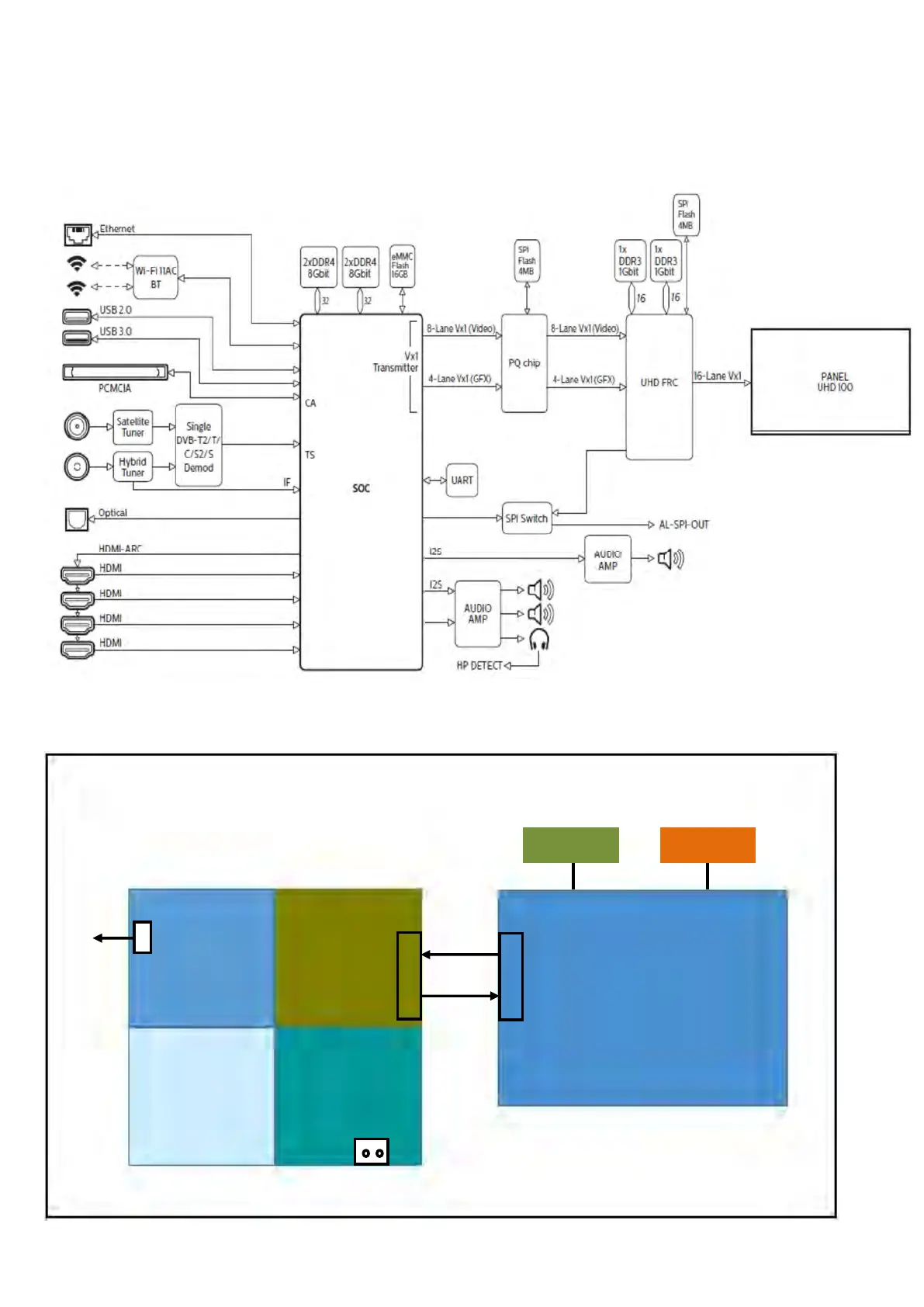
7.Electrical Diagram
7.1 Block diagram
7.2 Power Supply
Power architecture of this platform.
Platform
MT5599
CN1190
12V
12V
AUDIO
AMP
LVDS
Display power
CN9102
Platform power
DIM
ON/OFF
PS_ON
12V
12V_A
PFC
AC-input +
Main filter
AC IN

Related product manuals