EasyManua.ls Logo

Philips 48OLED935/12 - Page 155

Philips 48OLED935/12
175 pages
Print Icon
To Next Page IconTo Next Page
To Next Page IconTo Next Page
To Previous Page IconTo Previous Page
To Previous Page IconTo Previous Page
Loading...
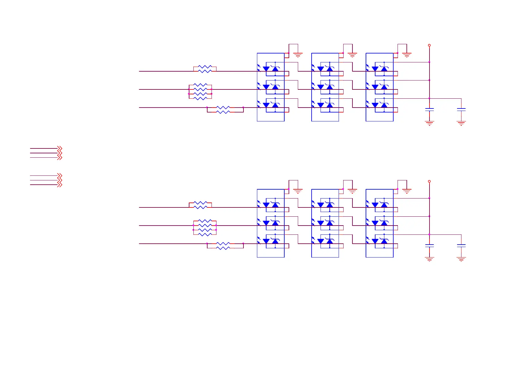
9-17-2 Ambilight 6-LED
R028 560R
R025 560R
R026 560R
R027 560R
R ed B lu eGr e en
D001
LTW-X45T-P2H
1
2
3
4
5
6
7
8
R ed B lu eGr e en
D002
LTW-X45T-P2H
1
2
3
4
5
6
7
8
R ed B lu eGr e en
D003
LTW-X45T-P2H
1
2
3
4
5
6
7
8
R ed B lu eGr e en
D004
LTW-X45T-P2H
1
2
3
4
5
6
7
8
R ed B lu eGr e en
D005
LTW-X45T-P2H
1
2
3
4
5
6
7
8
R ed B lu eGr e en
D006
LTW-X45T-P2H
1
2
3
4
5
6
7
8
+12V
C011
NC/100NF 50V
PWM2-B1 2
PWM2-R1 2
PWM2-G1 2
C009
NC/100NF 50V
+12V
C010
100N16V
C008
100N16V
PWM2-G1
PWM2-B1
PWM2-R1
R024 560R
R021 560R
R022 560R
R023 560R
R040 22R 1/16W 5%
R041 22R 1/16W 5%
PWM2-B2 2
R042 22R 1/16W 5%
PWM2-G2 2
R043 22R 1/16W 5%
PWM2-R2 2
PWM2-B2
PWM2-G2
PWM2-R2
R044 22R 1/16W 5%
R045 22R 1/16W 5%
R046 22R 1/16W 5%
R047 22R 1/16W 5%

Related product manuals