EasyManua.ls Logo

Philips 48OLED935/12 - Page 65

Philips 48OLED935/12
175 pages
Print Icon
To Next Page IconTo Next Page
To Next Page IconTo Next Page
To Previous Page IconTo Previous Page
To Previous Page IconTo Previous Page
Loading...
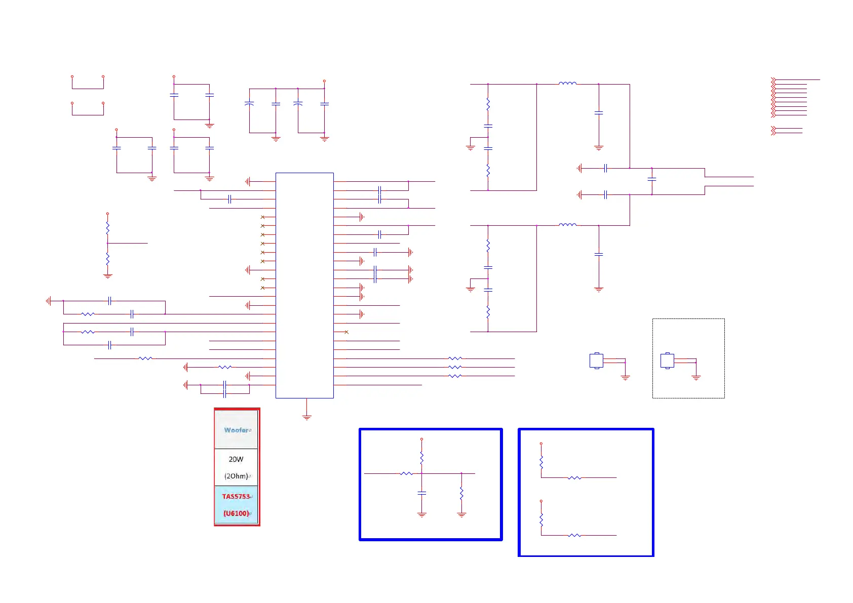
9-3-14 AUDIO-4th-CLASS-D-AMP
C6106 1UF 50V
R6112
470R
C6103 100N 16V
AMP_SDA#
U6100 TAS5753MDDCAR
GND
1
OUTA
2
BSTA
3
PVDD
4
PWM1
5
PWM2
6
HPIL
7
HPOL
8
HPOR
9
HPIR
10
HPVSS
11
CN
12
AVDD_REG2
37
SSTIMER
38
HP_SD
39
GVDD_REG
40
PVDD
41
BSTD
42
OUTD
43
GND
44
OUTC
45
BSTC
46
BSTB
47
OUTB
48
GND
36
GND
35
TEST
33
DVDD
34
RESET
32
NC
31
SCL
30
SDA
29
SDIN1
28
SCLK
27
LRCLK
26
PDN
25
CP
13
HPVDD
14
GND
15
FLTM
16
FTLP
17
AVDD_REG1
18
AVDD
19
ADR
20
MCLK
21
ROSC
22
GND
23
DVDD_REG
24
E-Pad
49
C6115 10NF 50V
C6125
100N 16V
R6109
NC/4K7 1/16W 5%
R6121
10K 5%
R6102
NC/10K 1/16W 5%
R6101
18 OHM 5% 1/10W
R6110
100R 5%
C6112 4.7NF 50V
L6102
4.7uH 32mOHM 5.5A
R6107
18 OHM 5% 1/10W
C610510NF 50V
C6120
100N 16V
R6103
10K 5%
C6109 2.2nF 50V
C6134
NC/1UF 16V
C6129
330PF 50V
R6113
470R
R6108
NC/1M 1/16W
R611933R 5%
R6115
NC/4K7 1/16W 5%
L6100
4.7uH 32mOHM 5.5A
C6110 4.7NF 50V
R6120 33R 5%
C6117
10UF 6.3V
+
C6100
220uF 16V
AMP12V
Aud3A3AMP12V
+12V-AUDIO
Aud3A3
Aud3A3
Aud3A3
Aud3A3
Aud3A3 Aud3A3
Aud3A3+3V3
SOC-I2S-MCLK13,19
SOC-I2S-SD012,13,14,19
SDA-SSB2,7,12,13,14
SOC-I2S-LRCK12,13,14,19
SOC-I2S-BCLK12,13,14,19
SCL-SSB2,7,12,13,14
AMP_SCL#
WCSPKp
AUDIO-PD12,13
AUDIO-PD
OUTB
WCSPKn
WCSPKp
Up da t ed on 20 1 8/ 1 0/ 2 5
OUTC
AMP12V
Aud3A3
Q9 0 G0 1 80 2 01 0 00 00 H G
HS6101
HEAT SINK
1
2
HS6100
NC/HEAT SINK
1
2
X9 0 G2 0 10 0 1 40 00 0 0B F
OUTA
OUTB
AMP-RESETn13,16
AMP-RESETn
AUDIO-PD_5753_2n12
AUDIO-PD_5753_2n
SOC-I2S-BCLK
OUTA
OUTC
OUTD
SOC-I2S-LRCK
ADR/FAULT
SCL-SSB
AMP_SDA#
AMP_SCL#
SDA-SSB
AMP-RESETn
WCSPKn
RESET#
ADR/FAULT
RESET#
SOC-I2S-SD0SOC-I2S-MCLK
OUTD
Aud3A3
WCSPKp
WCSPKn12
WCSPKp12
WCSPKn
AMP12V
SCL-SSB
SDA-SSB
AUDIO-PD_5753_2n
SOC-I2S-MCLK
SOC-I2S-SD0
SOC-I2S-LRCK
SOC-I2S-BCLK
C6118
10UF 6.3V
C6108 4.7uF 16V
C6121
330PF 50V
C6111 47nF 16V
R6111
47 OHM
C6122
100N 16V
C6133
1UF 50V
Aud3A3
C6116 10NF 50V
C6126
100N 16V
R6114 18K OHM 1%
C6123
330PF 50V
C6130
1UF 50V
+
C6114
220uF 16V
C6128
10NF 50V
C6101 10NF 50V C610410NF 50V
C610210NF 50V
C6113 47nF 16V
R611833R 5%
R6106
18 OHM 5% 1/10W
R611733R 5%
C6127
330PF 50V
R6100
18 OHM 5% 1/10W
C6119
100N 16V
C6107 100N 16V
C6124
10UF 6.3V
R6116
47 OHM

Related product manuals