EasyManua.ls Logo

Philips AZ1050 - Disassembly Diagram

Philips AZ1050
28 pages
Print Icon
To Next Page IconTo Next Page
To Next Page IconTo Next Page
To Previous Page IconTo Previous Page
To Previous Page IconTo Previous Page
Loading...
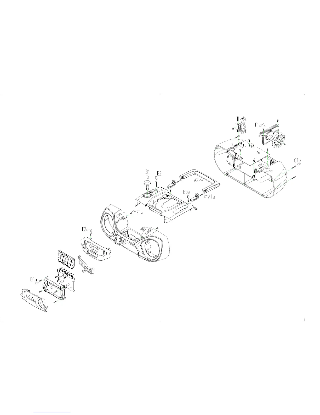
DISASSEMBLY DIAGRAM
4-1 4-1
PCS 104 241
A. To remove Handle
B. To remove Top Panel
C. To remove Front Cabinet Assy
D. To remove Tape Deck
E. To remove Front Panel
F. To remove Tuner Board

Related product manuals