EasyManua.ls Logo

Philips D8714 - Page 10

Philips D8714
46 pages
Print Icon
To Next Page IconTo Next Page
To Next Page IconTo Next Page
To Previous Page IconTo Previous Page
To Previous Page IconTo Previous Page
Loading...
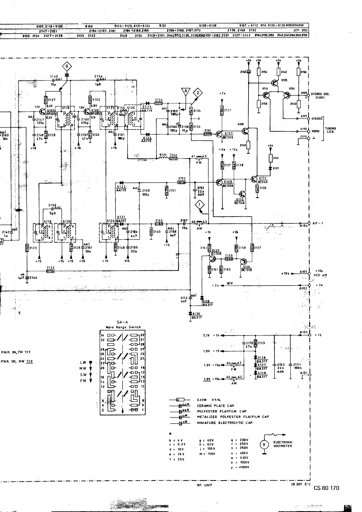
'6105.5118+51)G' 123"5125.6121+6.12' 6136;'6139 6107.6112 6'" 6126.61286135613'~131
211;7+2151" 2161; ~»66.21&9 16U172 2170.2168 2162 2171 2152
31~I 112' 3»f+I129 31'8 3134 31'., . ,. ,313~3!3Q3157;.3162.31]1 1137-;31'3 315'.3155.3153 3"2.3"'31~31433'56
-. - .-. -.- ~ .~.- ._.~ ~._.~. -.- '-+2-;-':;;'- -.~.- - ':;.',
-2. STEREO DEI:.
(C'OI)
STERE
] TUNING
:ND LE.D.
I
I
I
I
6122 I
AÄÏï9 i
I
1
1
AF-I
-15
312' .
1 k A10S I -19b
oh .,9b ~VCO 0"
'Jl7r21t;4 ,,!C.,! ..
-2_- 8.1V~ -2-
- A102 '!'
" 1 '
.'
1
I'" "
I , lliL
I.
BA317
SK-A j
Wave Range Switch '>':.J;',
34 0G-
/1/~ 31 7.1V -15 - 15
3.q. -CJ11 1
[=:J -0 2' .
28
i I "-DO 27 19V -19 I P.W.R. ON,FM 7.1V 2& 0-
I 25' i
24 c=J.,1 l3 ,.
~WR DN, MW 1:!.Y. LW
! 22"0- I ~
I.. 1.9V -190 2171
MW 20 0-
I -001 1 1oon I. SW 11-0 11 A101
16 &~ .d15 1.9V-19b :ti
FM '4 0-
I ~1J - AM
12 -OU 11 1
iI'.I ~ i ~:'i,1~. -iD- 033W *5% .
4 0- .. 1 --f~ CERAMIC PLATE CAP I
2 + -ee! 1 --iJ!!:!!:. POLVESTER FLATFILM CAP I
--f~ METALIZED POLVESTER FLATFILM CAP I
--u~ MINIATURE ELECTROLVTIC CAP i
*
F I b = 'V g = 1;OV q = 200V ELECTRDNIC .
c = 6.3V h= 63V r = 250V V VOLTMETER!
d = 10V j = 100V 5 = 350V I
. = 16 V m = 150V u = 'aov .
f = 25V w = 630V I
. = 1000V .
Y = .1600V I
I
~ -. ~
' RF UNIT 28097 E12
. CS 80 170
. - $ji~c't~

Related product manuals