EasyManua.ls Logo

Philips D8714 - Page 11

Philips D8714
46 pages
Print Icon
To Next Page IconTo Next Page
To Next Page IconTo Next Page
To Previous Page IconTo Previous Page
To Previous Page IconTo Previous Page
Loading...
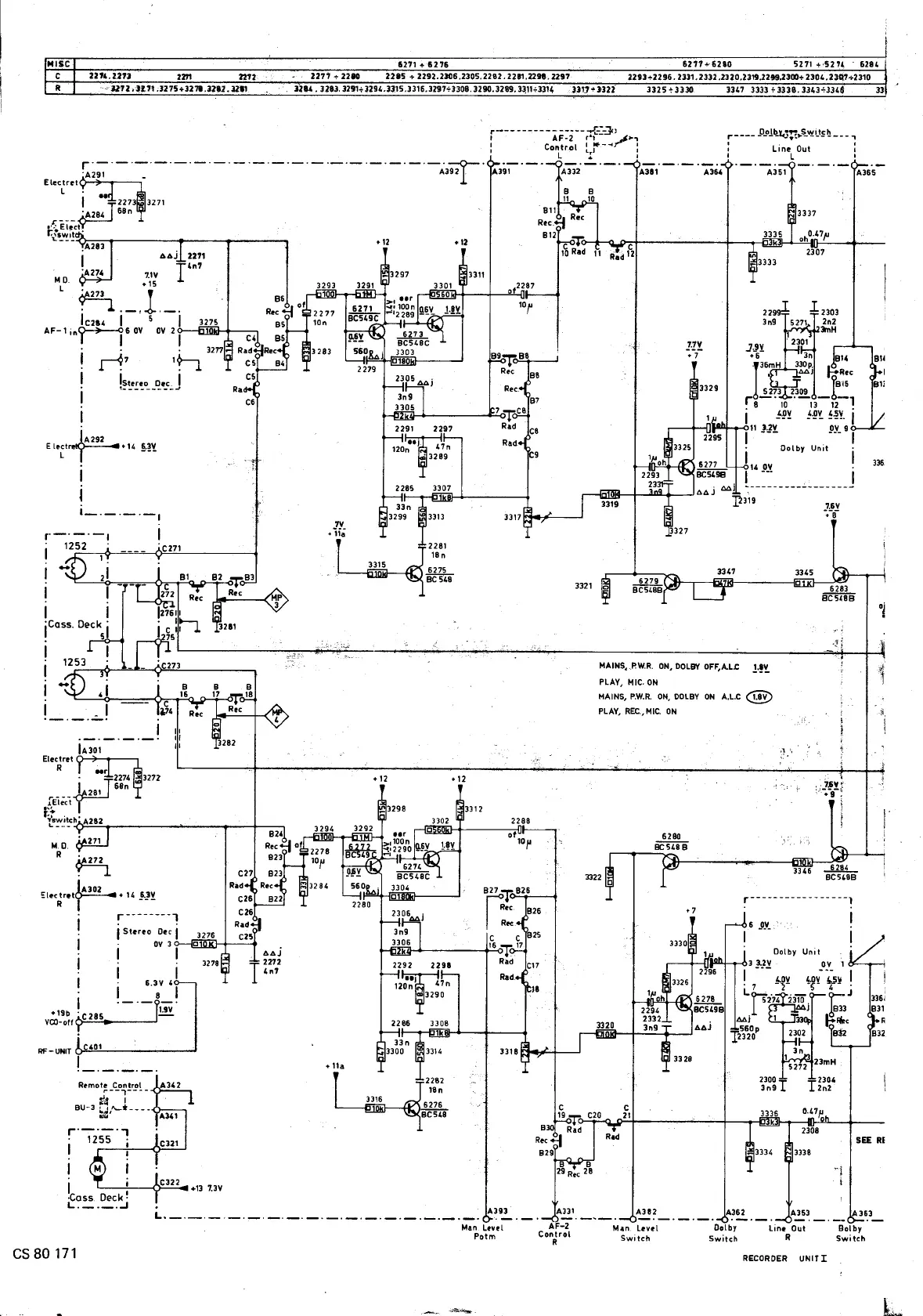
MISC 6271 +6276 6211+6210 5271 +527~ 628'
C 2l1'.221~ 27/1 2212 2271., 2280 2215 + Z292.2306.2305.2282.2281.2298.2297 2293..2296.233'.2332.n20.Z~19.2299.2300..230,.23q,+2310
R "~1Z ,t1.11 ,3275+1278.1212. UI' Ut4. 3213. 3291;~29'..3315.3316.3Z97;330l.3290.3219. 3~11;.33'~ J~"")3Zi 3325,,3330 33'7 3333;. 3338.33'3;33'$ 33
r AF:-i--;:'r:.:].) .s..., , D.P!~Lj:'1..~~LI.Çh ,
I C I I ",-""" , . ,
I on ro ,j, ,Lino Dul I
L ~, I L '
Eloctrot ~~;._.~ '-' Á391.
L
~. 00 2271 3271
.A284 68n
r---
,.' Eloct
I;"SWlt .
L__- A283 .12 .12
. 6Aj 2l1'
I~n1
MD 7.IV
L . .15
~
1"': .I. . -, . -. 229gJ .I 2303
Ic214 I 5 1 3n
~5271 2n2 AF-I i no---'? 6 OV OV 2 1 ~H
! I ! .1,jY 2301
1.-67 1b .6 3n 1;;;,
. 1 ~ ~ 1 36mH 330p 16~'
I . . . ~j ~Roc
ISloroo Doc I B15
. ' J 15273 n09 ~
! r8-.IO .-13-,2-1
I . ~:9Y ~~Y. ~~Y. i
. OV 9
~292 --- I
Eloct .146.3V Dolb
y Unit.
L --- I
336
I i
i . 7.6V
1 , -.-B-
7V
r . iiö
I Y 22B1
1Bn
. 3315
I ~ 3345
. BC 54B c
I
I
.CC
I
I
i MAINS,I!W.R DN, DDLBY CFF,A.LE; .!.!y.
i PLAY, MIC DN
. MAINS, PW.R. ON, OOLBY ON A.L.C @
I PLAY, REC,MIC ON j,
, I
IA301
Eloctro'
~R oor
~. 2274 3271
I 68n
,--- 2BI.9,
J.EloctI i
tt . _329B 3312 !
I '
'sw"ch AU1 I
' . I
u D 271 :
~
R~ I
~
'loc~rotr-.'4 ~JY
r ,
I. .
. I Sto,oo Do, I 327
I OV 3 C
. I I
I. . 32
. I I
I . 6.3V 4
. I 8 I
~.!.s =~.J'_.- -.
.19b . 1.9V
VCD-off C285 -
RF-UNIT
! .11a
Y 2282 IRomot~_,-o~!'!l- A3'2 18n c
~" I 3316
BU-3 . ,,--* 6276
~~' BC5ië
r.
. SEE RI
I
I
I 13 ~
.Gcs
L A393
L Man Lovol AF-2 Man Lovol Dolby Lino Out 90lby
Potm Con~'ol Switch Swilch R Swilch
CS 80 171 RECORDER UNIT I
r
. -. ""- ~

Related product manuals