EasyManua.ls Logo

Philips D8714 - Page 29

Philips D8714
46 pages
Print Icon
To Next Page IconTo Next Page
To Next Page IconTo Next Page
To Previous Page IconTo Previous Page
To Previous Page IconTo Previous Page
Loading...
-
\ /
.
~
~
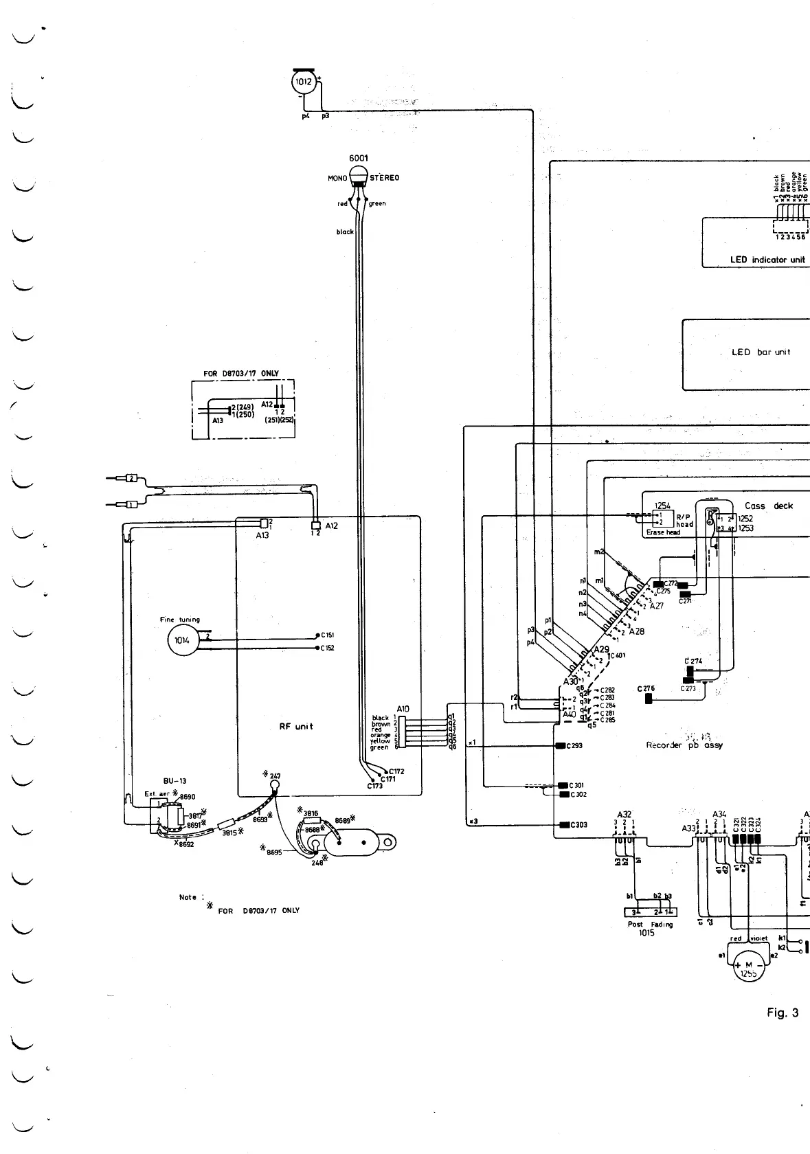
6001
MONO STEREO ~i g.~~
~ ~~~~~~
~ """
red ,oon \ black '-" 1231.56
LED indicator unit
"'--'
"'--'
[::==LED bar unit
FOR. !!!:!!!!!-'? .!!!:!:'!--
'--"
I'
"'-'
"-'
deck
AI2
V AI3 I
'-..:.,.I
"
Fin. tun'ng
'--" CI51
CIS2 A29
,{. !COOI
.. 2
I'( 'I
.' '2 '
A~" .-
"--'" q~2{ 1 C282
"-2 q3t-C283
AlO ~-I _l
r -C281.
, Al.() ... ~C281
bI_ck j 2 - .s!~4C28S
RF unit ~'."d"" J ~3 q5
o,_ngo , qi, ,; I'~
""-" yotlow q5 .1'."
9,..n q6 Recorder pb assy
2
'-'
E
A~ A3i, A:
.3 J 2 r 2 I 2 1 Nf:::::~ J ;
\ C303 '" A33""::;;:;::;::; I'
2i,
~
Not. .
.~ FOR 08703/17 ONLY
~~
~ "
~
Fig, 3
\ "
~
\ I

Related product manuals