EasyManua.ls Logo

Philips D8714 - Page 30

Philips D8714
46 pages
Print Icon
To Next Page IconTo Next Page
To Next Page IconTo Next Page
To Previous Page IconTo Previous Page
To Previous Page IconTo Previous Page
Loading...
+ 1011
p1 p2
0 .00
0 go...
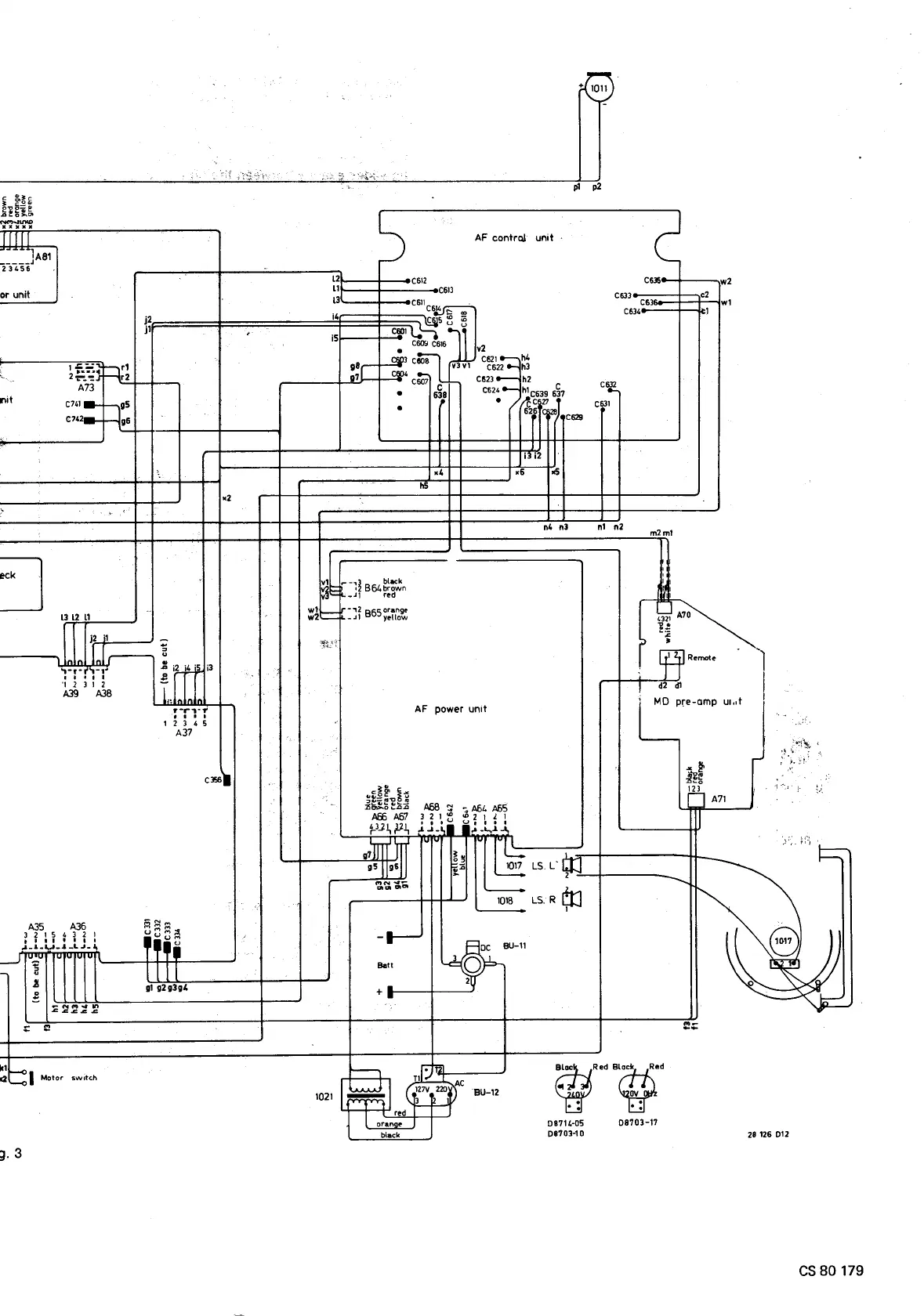
AF contrQ1 unit
C6~ w2
or unit C633 c2
C63 w1
C63. 1
i2
i1
i5
.
C~
.,
h5
.
n1 n2
2m mI
AF power Unit
~N""'"'
.c.c.c.c.c
'" "'-
- --
EffIOC Red Bl
~OCk Red swrtch
BU-12 ~ DY
. : . :
0871'-05 08703-17
08703-10 28126 012
~. 3
CS 80 179

Related product manuals