EasyManua.ls Logo

Philips FM24 - Page 112

Philips FM24
122 pages
Print Icon
To Next Page IconTo Next Page
To Next Page IconTo Next Page
To Previous Page IconTo Previous Page
To Previous Page IconTo Previous Page
Loading...
Circuit Descriptions and List of Abbreviations
EN 112 FM249.
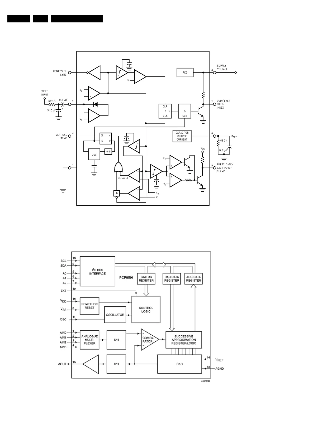
9.9.5 Diagram SC2, LM1881M (7040)
Figure 9-25 Internal Block Diagram and pinning LM1881
9.9.6 Diagram SP2, PCF8591 (7530)
Figure 9-26 Internal Block Diagram PCF8591
CL 16532099_117.eps
270901
www.freeservicemanuals.info
31/8/2014
Digitized in Heiloo, Holland

Related product manuals