EasyManua.ls Logo

Philips FM24 - Audio Processor

Philips FM24
122 pages
Print Icon
To Next Page IconTo Next Page
To Next Page IconTo Next Page
To Previous Page IconTo Previous Page
To Previous Page IconTo Previous Page
Loading...
70FM24 7.
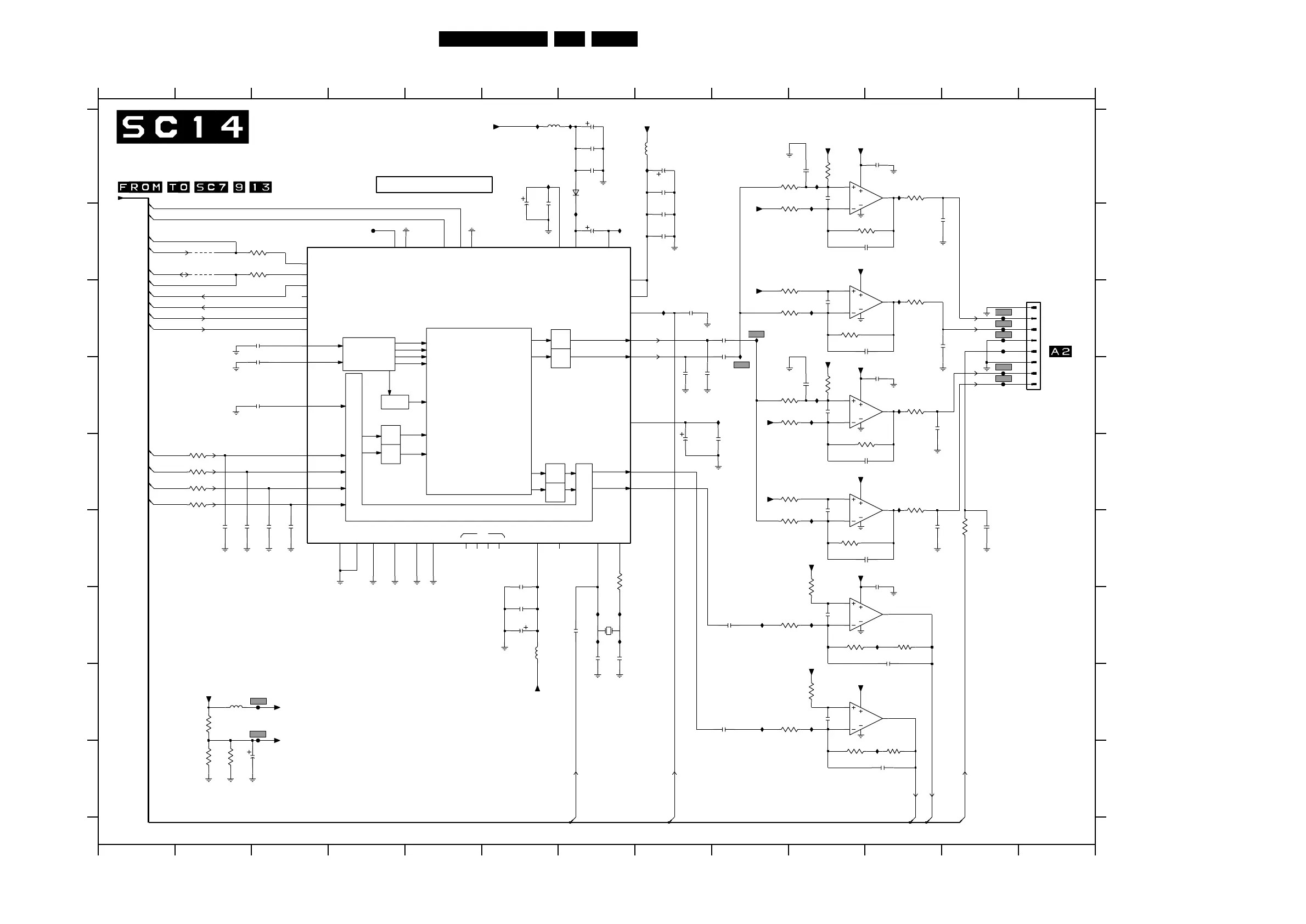
Electrical Diagrams and PWB Layouts
SCAVIO Panel: Audio Processor
SCART-L
SCART-R
SCART-R
DFP
Switching Facilities
LOUDSPEAKER L
D/A
D/A
I2SL/R
HEADPHONE R
IDENT
NC
SCART
LOUDSPEAKER R
A/D
D/A
DEMODULATOR
S1...4
FM1
FM2
I2SL/R
NICAM B
NICAM A
SCART-L
HEADPHONE L
IDENT
LOUDSPEAKER
A/D
D/A
I678 C8
I691 B7
I692 B7
I673 G7
I674 H9
I675 H10
I676 I11
RES
3V8
I665 E11
I666 F10
I667 G7
I668 G7
I669 G9
I670 G10
I671 G11
I672 G7
F811 H3
F812 C12
F813 C12
F814 C12
L_POS
S88
R_POS
3V8
R_NEG
4V2
RES
4V2
4V2
F815 C12
F816 D12
F817 D12
F820 B4
I650 A6
I651 A7
I652 A8
I653 A6
I654 A10
I655 A11
I656 A10
I657 C11
I658 C10
I659 C9
I660 D9
I661 D10
I662 D11
I663 D9
I664 D10
3863 I11
3864 H10
3865 I10
3866 F10
4V2
TO
4V2
4V2
4V2
4V2
4V2
4V2
RES
4V2
3867 H10
3870 F12
4810 B2
4811 B2
5810 H2
5820 A6
5822 A8
5834 G6
6820 A7
7812 B3
7841-A A11
7841-B C11
7851-A D11
7851-B E11
7861-A G11
7861-B H11
F810 H3
3815 E2
3816 E2
3817 E2
3818 E2
RES
3V8
4V2
RES
4V2
RES
3835 F7
3840 A10
3841 B10
3843 B11
3844 A11
3845 C10
3846 C10
3847 C10
3848 A10
3849 C11
3850 D10
3851 D10
3853 E11
3854 D11
3855 E10
3856 F10
3857 F10
3858 D10
3859 E11
3860 G11
3861 G10
3862 G10
2853 E11
2854 D11
2856 F10
2857 F11
AUDIO OUTPUT
4V2
R
L
4V2
4V2
0V2
AUDIO PROCESSOR
3V8
3V8
RES
0388
2858 F11
2859 G10
2861 F11
2862 G11
2863 H9
2864 H10
2865 I11
2867 F12
2868 G9
2869 G7
3810 H2
3811 I2
3812 B3
3813 B3
3814 I2
2821 A7
2822 A7
2823 A8
2824 A8
AUDIO PROCESSOR
4V2
2825 D8
2826 C9
2827 C9
2828 D8
2829 E8
2830 E9
2831 C8
2833 G6
2834 G6
2835 G7
2836 G7
2837 F6
2838 A7
2839 B8
2840 A10
2841 A10
2842 A11
2843 B11
2844 B11
2845 B8
2846 C10
2848 C11
2849 C11
2850 D10
2851 D10
2852 D11
10 11 12 13
4V2
RES
2815 F2
2816 B6
2817 B6
2818 F3
2819 F3
2820 B7
2811 F2
2812 C3
2813 D3
2814 D3
3V8
RES
0V2
RES
L_NEG
1 2 3 4 5 6 7 8 9 10111213
123456789
RES
A
B
C
D
E
F
G
H
I
A
B
C
D
E
F
G
H
I
0388 D13
1835 G7
2810 I2
100R
3844
F814
3849
100R
220n
2867
0388
PH-S
1
2
3
4
5
6
7
8
F815
+4V3B
4810
F820
10u
2834
3870
100R
2841
22K
3861
10u
2816
3853
39K
100n
2842
3855
100R
2835
7851-A
LM833DT
3
2
1
8
4
1n5
2833
22K
3850
F813
470p
2839
2823
10u
2837
470p
7841-B
LM833DT
5
6
7
8
4
2849
1n
39K
3843
39K
3848
I676
+4V3B
+8V6B
I671
3811
4K7
100u
2857
1n
100MHZ
5810
2810
I662
+4V3B
F817
1n
2828
+4V3B
I659
1n
2844
27p
2843
TS462CD
5
6
7
8
4
2825
1n
7861-B
+8V6B
3864
22K
I678
2819
1n
2831
100n
27p
2850
22K
3856
I655
3817
100R
+4V3B
1835
+4V3B
2829
10u
SC1_IN_R41
SC1_OUT_L 31
SC1_OUT_R 30
SC2_IN_L37
SC2_IN_R38
STBYQ
11
4
TESTEN
7
TP
VREF1
29
VREF2
25
VREFTOP
42
5
XTAL_IN
XTAL_OUT
6
D_CTR_IO0
9
D_CTR_IO1
8
I2C_CL12
I2C_DA13
14 I2S_CL
I2S_DA_IN117
21 I2S_DA_IN2
16 I2S_DA_OUT
I2S_WS15
43 MONO_IN
23 24 28 32
RESETQ
22
SC1_IN_L
40
ADR_CL
ADR_SEL
10
AGNDC 36
AHVSS
35
AHVSUP
33
ANA_IN+2
ANA_IN-3
ASG
39
AVSS
44
AVSUP
1
CAPL_M
34
DACM_L 27
26DACM_R
20
DVSS
DVSUP
19
7812
MSP3415G
18
8K2
3860
2815
1n
3846
22K
3863
8K2
I650
+8V6B
2846
1n5
2824
3857
39K
I663
4K7
3810
3865
27K
1n
2854
+4V3B
2848
27p
2813
1n
2845
220p
3854
100R
27K
3862
2852
100n
+8V6B
+8V6
100n
2861
100R
3859
47p
2862
100n
2830
27p
2858
4
3814
TS462CD
7861-A
3
2
1
8
2863
1u
1n5
2822
100R
3818
39K
3847
1n5
2869
5834
100MHZ
4811
LM833DT
7841-A
3
2
1
8
4
+8V6B
+8V6
+4V3B
F816
2865
47p
2864
F812
100n
2814
2836
I665
2856
I658
I666
3813
100R
I675I674
I669
I654
100R
3816
1u
2826
I653
I652
I660
3812
+5V
10u
2820
100R
+4V3B
2840
27p
1n
2818
+5V
I656
1n
2811
5820
100MHZ
2859
100MHZ
5822
BAT254
6820
F811
3867
100R
+8V6B
2853
27p
2851
I673I672
F810
100R
3866
22K
3841
3840
22K
3815
100R
+8V6B
10u
2821
2868
1u
3835
2827
1u
I651
I668I667
2838
470p
100R
3845
3851
22K
I670
I661
I664
1n
2812
I657
I691
2817
100n
I692
5
6
7
8
4
MSP_RESET
39K
3858
LM833DT
7851-B
SC1_R
I2S_CLOCK
I2S_DATA_IN2
I2S_DATA_IN1
D_CTR_ONE
D_CTR_NIL
I2S_DATA_OUT
SDA_AUDIO
AUDIO_ENABLE
SC1_L
SCL_SW
SDA_SW
PRE_OUT2_L
PRE_OUT2_R
PRE_OUT1_L
PRE_OUT1_R
SCL_AUDIO
VXCA_18M432
CL 26532038_048.eps
030502
F810 = 8V6
F811 = 4V3
F812 = 4V3
F813 = 4V3
F814 = 0V
F816 = 4V3
F817 = 4V3
I659 = 4V4
I660 = 4V4
(BASIC & ENHANCED VERSION)
www.freeservicemanuals.info
31/8/2014
Digitized in Heiloo, Holland

Related product manuals