EasyManua.ls Logo

Philips FM24 - Audio Amplifier Left Low

Philips FM24
122 pages
Print Icon
To Next Page IconTo Next Page
To Next Page IconTo Next Page
To Previous Page IconTo Previous Page
To Previous Page IconTo Previous Page
Loading...
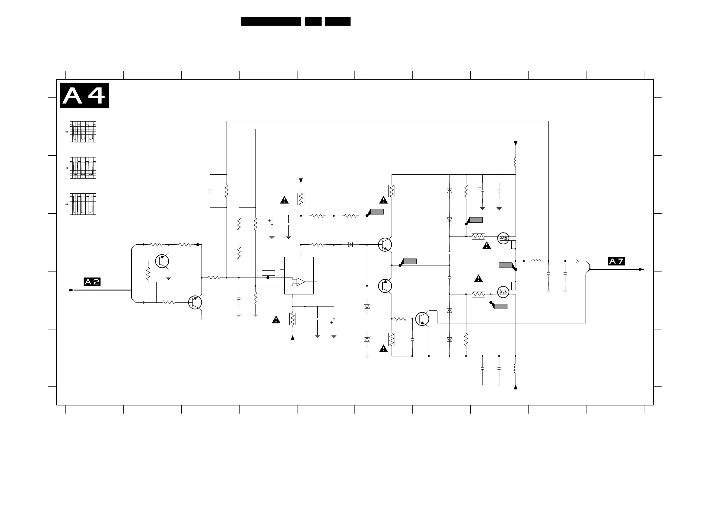
Electrical Diagrams and PWB Layouts
35FM24 7.
Audio Panel & Supply: Left Low
3428 B5
3430 B6
3436 B7
3437 C8
3440 D6
3455 E6
3461 E7
3462 D8
5435 B8
5460 E8
5465 C9
6428 C5
6434 B7
6435 C7
6455 D6
6456 E6
6459 E7
A
3410 B3
3411 C3
3415 B4
3418 D4
3425 B5
3427 C5
F407 D4
1234567
6460 D7
7402 D32466 D9
3401 C3
9102
B
C
D
E
A
B
C
D
E
2409 D3
2410 B3
2415 C4
2416 C4
2418 D5 3402 D2
3403 C2
3404 D2
3406 C3
3407 C3
3408 C4
3409 D4
7465-2 C8
F401 C3
7430 C6
7440 D7
7455 D6
7465-1 D8
F428 B6
F430 C6
F437 C8
F462 D8
F465 C8
SUPPLY & DC
LEFT LOW
FILTERS
TO DIAGRAM
89
2419 D5
2430 C7
2434 B8
2435 B8
2440 E6
2455 D7
2459 E8
2460 E8
2465 D9
345678
10
1
100n
2418
FROM DIAGRAM
AUDIO AMPLIFIER
PROTECTION
7403 C2
7415 C4
GND_I
VCC_10_POS
GND_I
GND_O
3
6434
BZX384-C4V7
180R
3409
7465-2
IRF7343
56
4
3402
4K7
3401
1K
GND_I
100K
3407
220u
2460
GND_O
100n
2459
33u
5465
100n
2455
VSND_POS
1u
2419
7430
BC817-25
3418
10R
82p
2410
100MHZ
5435
1
GND
2
3
7
6
STR|BAL
8
V+
4
V-
BZX384-C4V7
6455
BZX384-C4V7
7415
LM311D
5
BAL
BZX384-C4V7
6459 6460
GND_I
GND_I
3430
GND_O
82K
3410
F401
10R
F465
7440
BC847BW
3408
100K
F437
F462
BZX384-C4V7
6435
3461
10R
3437
4M7
GND_O
8K2
3406
10n
2440
100n
2416
220n
2465
2415
1u
6428
BAS316
VCC_10_NEG
2434
220u
F407
GND_I
4K7
3404
BC847BW
7403
100n
2435
1K
3403
10R
2466
220n
BC847BW
7402
3462
3436
100n
2430
3425
4M7
BC807-25
7455
2K2
3455
10R
VSND_NEG
F430
15K
3411
1K
3428
GND_I
GND_O
5460
100MHZ
10R
3415
IRF7343
7465-1
78
2
1
GND_O
10K
3440
GND_I
GND_I
2409
1n5
3427
2K2
BZX384-C4V7
6456
F428
OUT_LL
OUT_PROT
AU_EN_NOT
L_LOW
CL 26532038_018.eps
030502
F428
2V / div DC
1µs / div
F430
2V / div DC
1µs / div
F465
5V / div DC
1µs / div
0V
0V
0V
-9V8
-0V04
9V7
-0V04
14V2
-14V2
14V3
-14V4
-14V4
0V
-14V2
-2V
www.freeservicemanuals.info
31/8/2014
Digitized in Heiloo, Holland

Related product manuals