EasyManua.ls Logo

Philips FM24 - 7 Electrical Diagrams and PWB Layouts

Philips FM24
122 pages
Print Icon
To Next Page IconTo Next Page
To Next Page IconTo Next Page
To Previous Page IconTo Previous Page
To Previous Page IconTo Previous Page
Loading...
32FM24 7.
Electrical Diagrams and PWB Layouts
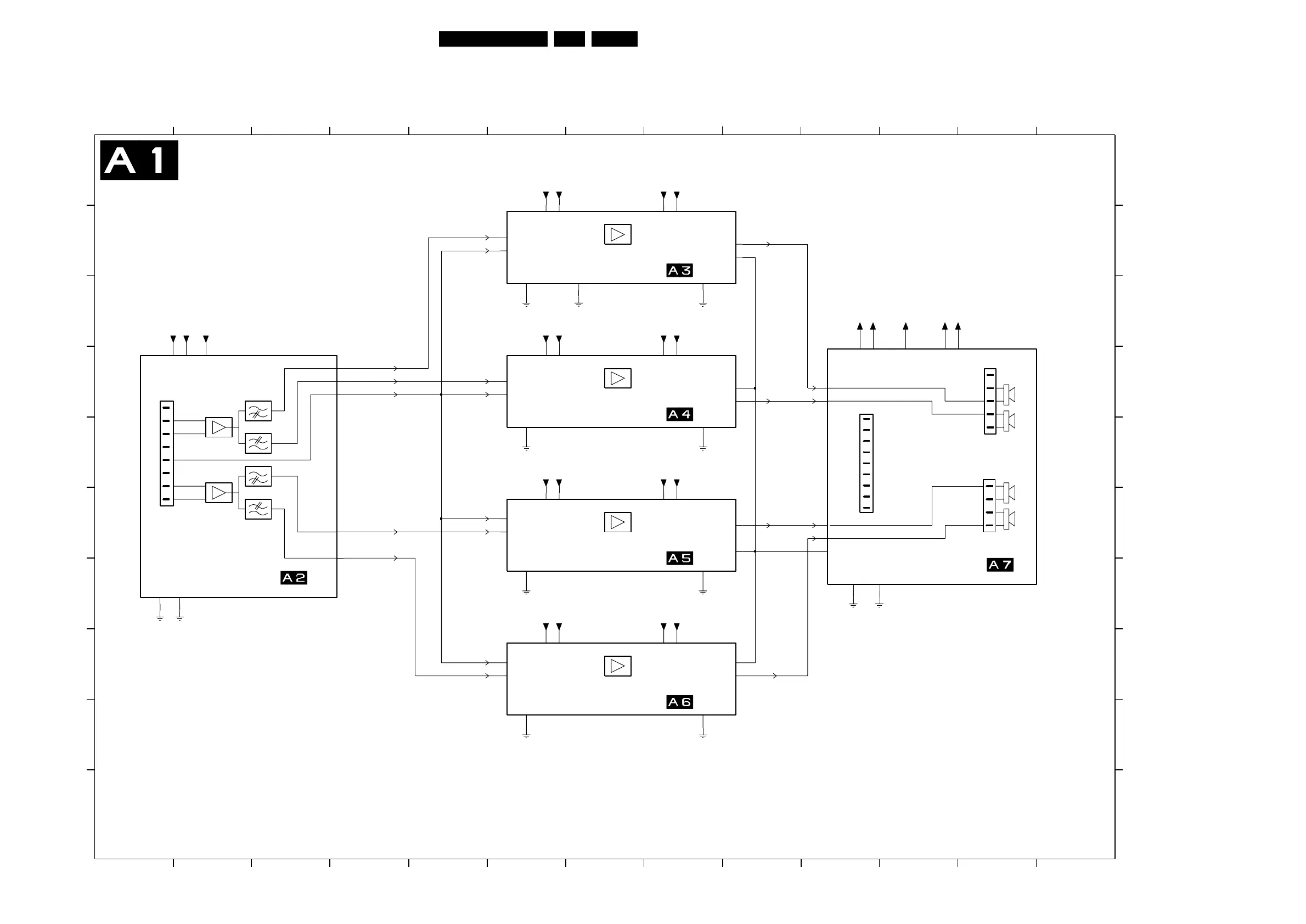
7. Electrical Diagrams and PWB Layouts
Audio Panel & Supply: DC Protection
AMPLIFIER RIGHT_LOW
7
1
DIAGRAM
8
DIAGRAM
GND_F
0302
GND_O
GND_O
DIAGRAM
VSND_POS
VSND_POS
& SUPPLY , DC PROTECTION
+9V_STBY
1
PH-S
5
GND
OUT_RH
OUT_RL
GND_F
AUDIO PANEL
AMPLIFIER RIGHT_HIGH
AMPLIFIER LEFT_LOW
5
L_NEG
L_POS
0304
FILTERS
DC_PROT
SUPPLY & DC PROTECTION
DIAGRAM
R_NEG
0303
PH-S
PH-S
GND_O
0388
1
R_POS
VSND_NEG
VSND_NEG
GND_O
4
9
PH-S
J
D
C
B
A
GND
DIAGRAM
OUT_LH
1
DIAGRAM
AUDIO_ENABLE
GND_F
OUT_LL
1
7
6
C
B
A
432 131211
654321
AMPLIFIER LEFT_HIGH
1098
1098
131211
J
I
H
G
F
E
GND
I
H
G
F
E
D
VCC_10_POS
VSND_POS
AU_EN_NOT
GND_I
GND_O
OUT_PROT
OUT_RLR_LOW
VCC_10_NEG
VCC_10_POS
VSND_NEG
VSND_POS
VCC_10_POS
GND_I
GND_O
L_LOW
OUT_LL
OUT_PROT
VCC_10_NEG
VCC_10_POS
VSND_NEG
VSND_POS
GND_F
OUT_RL
VCC_10_NEG
VCC_10_POS
VSND_NEG
VSND_POS
VSND_POS
VCC_10_NEG
AU_EN_NOT
GND_O
+9V_STBYA
GND GND_O
OUT_LH
OUT_LL
OUT_PROT
OUT_RH
GND_O
+9V_STBYA
+9V_STBYA
AU_EN_NOT
GND
GND_F
L_HIGH
L_LOW
R_HIGH
R_LOW
VCC_10_NEG
VCC_10_POS
VSND_NEG
VCC_10_NEG
VCC_10_POS
VSND_NEG
GND_O
VCC_10_NEG VCC_10_NEG
GND_I
GND_I
VCC_10_POS
GND_I
VSND_NEG
VCC_10_NEG
AU_EN_NOT
GND_I
GND_O
OUT_PROT
OUT_RH
R_HIGH
VCC_10_NEG
VCC_10_POS
VSND_NEG
VSND_POS
GND_O
AU_EN_NOT
GND
GND_I
GND_O
L_HIGH
OUT_LH
OUT_PROT
VCC_10_NEG
VCC_10_POS
VSND_NEG
VSND_POS
VSND_POS
VCC_10_NEG
VSND_NEG
VSND_POS
VCC_10_POS
VSND_POS
GND_I
+9V_STBYA
VSND_NEG
OUT_RL
R_LOW
R_LOW
OUT_PROT
GND_O
VCC_10_POS
AU_EN_NOT
AU_EN_NOT
AU_EN_NOT
AU_EN_NOT
AU_EN_NOT
R_HIGH
R_HIGH
OUT_RH
OUT_LL
OUT_LH
L_HIGH
L_HIGH
L_LOW
L_LOW
CL 26532038_015.eps
290302
www.freeservicemanuals.info
31/8/2014
Digitized in Heiloo, Holland

Related product manuals