EasyManua.ls Logo

Philips FM24 - Audio Amplifier Right High

Philips FM24
122 pages
Print Icon
To Next Page IconTo Next Page
To Next Page IconTo Next Page
To Previous Page IconTo Previous Page
To Previous Page IconTo Previous Page
Loading...
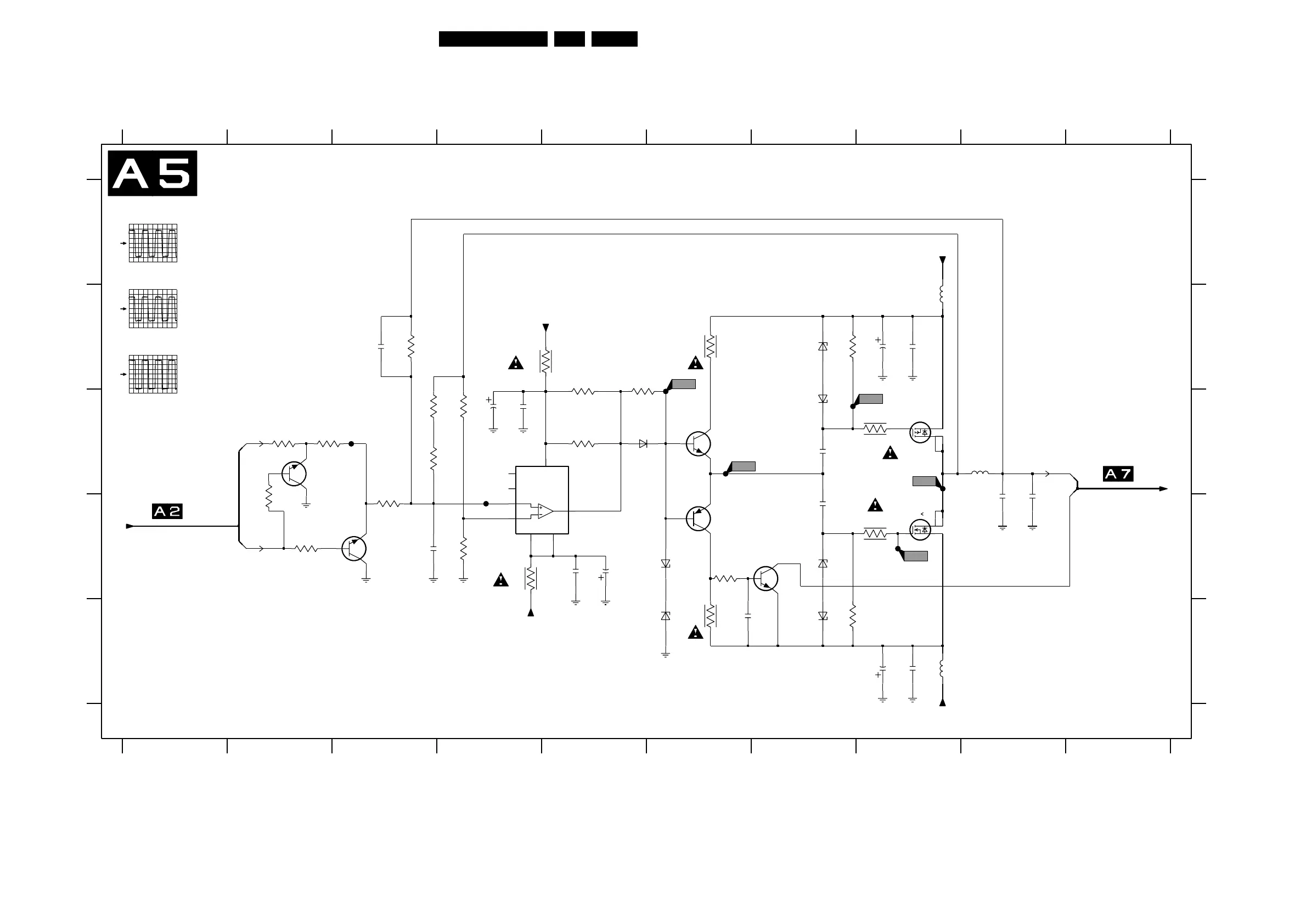
36FM24 7.
Electrical Diagrams and PWB Layouts
Audio Panel & Supply: Right High
C
D
E
A
B
C
D
E
FILTERS
1234
SUPPLY & DC
678 10
12345678910
A
B
3503 C2
3504 D2
3506 D3
3507 C3
3508 C4
3509 D4
3510 B3
3511 C3
3515 B4
3518 D4
3525 B52509 D3
3528 B5
3530 B6
3536 B7
3537 C8
3540 D6
5
AUDIO AMPLIFIER
FROM DIAGRAM
RIGHT HIGH
PROTECTION
2510 B3
2515 C4
2516 C4
2518 D5
2519 D5
9
2534 B8
2535 B8
2540 E6
2555 D7
2559 E8
2560 E8
2565 D9
2566 D9
3501 C2
3502 D2
7565-2 C8
F501 C3
F507 D4
F528 B6
F530 C6
F537 C8
F562 D8
F565 C83527 C5 3555 E6
TO DIAGRAM
3561 E7
3562 D8
5535 B8
5560 E8
5565 C9
6528 C5
6534 B7
6535 C72530 C7
6556 E6
6559 E7
6560 D7
7502 D3
7503 C2
7515 C4
7530 C6
7540 D7
7555 D6
7565-1 D8
6555 D6
GND_O
4M7
3561
GND_I
3507
100K
6555
BZX384-C4V7
BAS316
6528
6534
BZX384-C4V7
2555
100n
3510
82K
BC847BW
7540
7555
BC807-25
2516
100n
8K2
3555
10R
3506
5565
33u
100n
2530
3528
1K
3509
180R
F501
GND_O
6
4
3
VCC_10_NEG
GND_I
IRF7343
7565-2
5
100MHZ
5560
GND_I
VSND_POS
BZX384-C4V7
6556
1K
3501
GND_O
2566
7530
BC817-25
2519
1u
220n
3511
6K8
100n
2559
220u
2534
F562
4K7
3502
220u
2560
F528
2518
100n
GND_I
2540
10n
10R
3530
3537
10R
BZX384-C4V7
6535
5
BAL
1
GND
2
3
7
6
STR|BAL
8
V+
4
V-
2535
100n
GND_I
LM311D
7515
3525
2K2
6560
BZX384-C4V7
3515
10R
GND_O
2K2
3527
2510
82p
10K
7502
BC847BW
GND_I
F537
3540
3504
BC847BW
7503
1K
3503
4K7
F507
GND_O
10R
3562
VSND_NEG
1u
2515
100K
3508
5535
100MHZ
10R
3518
GND_I
7565-1
IRF7343
78
2
1
GND_I
GND_O
GND_I
VCC_10_POS
1n5
2509
3536
4M7
F565
2565
220n
BZX384-C4V7
6559
F530
R_HIGH
OUT_RH
OUT_PROT
AU_EN_NOT
CL 26532038_019.eps
030502
F528
2V / div DC
1µs / div
F530
2V / div DC
1µs / div
F565
5V / div DC
1µs / div
0V
0V
0V
-9V8
-0V04
9V7
-0V04
14V2
-14V2
14V3
-14V4
-14V4
0V
-14V2
-2V
www.freeservicemanuals.info
31/8/2014
Digitized in Heiloo, Holland

Related product manuals