EasyManua.ls Logo

Philips FM24 - Audio Amplifier Right Low

Philips FM24
122 pages
Print Icon
To Next Page IconTo Next Page
To Next Page IconTo Next Page
To Previous Page IconTo Previous Page
To Previous Page IconTo Previous Page
Loading...
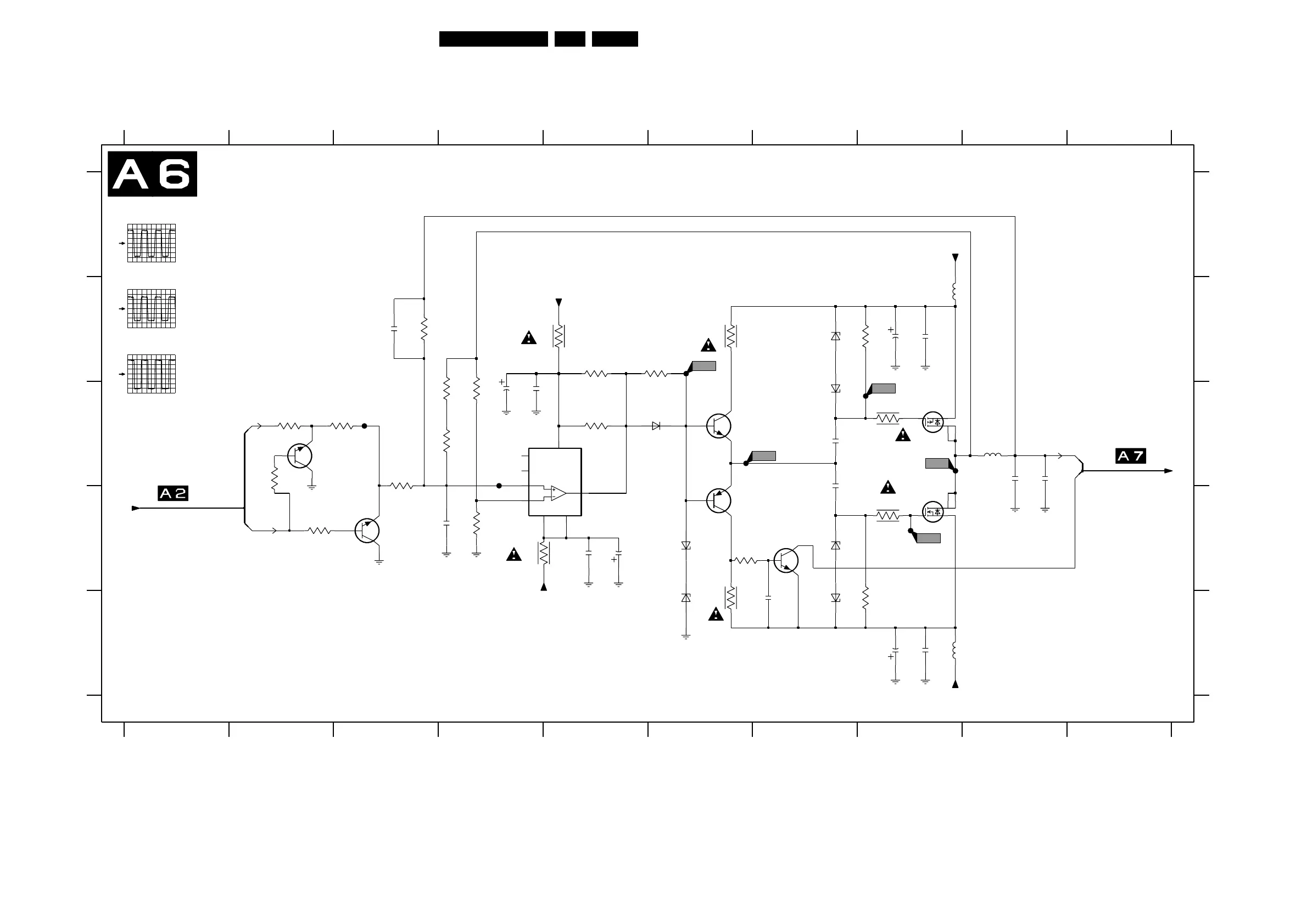
Electrical Diagrams and PWB Layouts
37FM24 7.
Audio Panel & Supply: Right Low
7665-2 C8
3655 E6 7655 D6
7665-1 D8
9
F601 C3
F607 C4
F628 B6
F630 C7
3637 C8
3640 D6
E
3661 E8
3662 D8
5635 B8
5660 E8
5665 C9
6628 C6
6634 B7
6635 C7
6655 D6
6656 E6
6659 E7
6660 D7
7602 D3
7603 C2
7615 C4
7630 C6
7640 D7
78
F662 D8
10
A
AUDIO AMPLIFIER
TO DIAGRAM
2634 B8
2635 B8
2640 E7
2655 C7
2659 E8
2660 E8
2666 C9
3601 C3
3602 D2
3603 C2
3604 C2
3606 C3
3607 C4
3608 C4
3609 D4
3610 B3
3611 C4
3615 B5
3618 D4
3625 B5
3627 C5
3628 B6
3630 B6
3636 B8
C
D
B
A
B
C
D
E
2609 D4
2610 B3
2615 C4
2616 C4
2618 D5
2630 C7
SUPPLY & DC
12345678910
123456
2619 D5 F637 C8
4K7
2665 C9 F665 C8
FROM DIAGRAM
RIGHT LOW
PROTECTION
FILTERS
2
1
3611
22K
3602
GND_I
IRF7343
7665-1
78
BC847BW
7602
GND_O
100MHZ
5635
GND_O
3630
10R
BZX384-C4V7
6655
7615
LM311D
5
BAL
1
GND
2
3
7
6
STR|BAL
8
V+
4
V-
2K2
3625
2618
100n
2630
100n
F628
3607
100K
VCC_10_NEG
GND_O
BC847BW
7640
2660
220u
3640
10K
6635
BZX384-C4V7
82K
3610
8K2
3606
6659
BZX384-C4V7
3618
10R
VSND_POS
GND_I
10R
3637
BZX384-C4V7
6660
3627
2K2
3661
4M7
2609
1n5
F662
F665
100n
2635
100n
2655
10R
3615
GND_I
GND_O
6656
BZX384-C4V7
BZX384-C4V7
6634
GND_I
BC817-25
7630
56
4
3
10R
3655
VSND_NEG
7665-2
IRF7343
1K
3628
2616
100n
GND_I
2659
100n
GND_O
4M7
3636
180R
3609
2610
2615
1u
220n
2665
82p
F637
GND_I
2666
220n
F601
3601
1K
BC847BW
7603
VCC_10_POS
1K
3603
4K7
3604
3608
100K
GND_I
33u
5665
F607
GND_IGND_I
5660
100MHZ
2640
10n
GND_O
BC807-25
7655
3662
10R
F630
2634
220u
6628
BAS316
1u
2619
OUT_RL
OUT_PROT
AU_EN_NOT
R_LOW
CL 26532038_020.eps
030502
F628
2V / div DC
1µs / div
F630
2V / div DC
1µs / div
F665
5V / div DC
1µs / div
0V
0V
0V
-9V8
-0V04
9V7
-0V04
14V2
-14V2
14V3
-14V4
-14V4
0V
-14V2
-2V
www.freeservicemanuals.info
31/8/2014
Digitized in Heiloo, Holland

Related product manuals