EasyManua.ls Logo

Philips FM24 - Page 38

Philips FM24
122 pages
Print Icon
To Next Page IconTo Next Page
To Next Page IconTo Next Page
To Previous Page IconTo Previous Page
To Previous Page IconTo Previous Page
Loading...
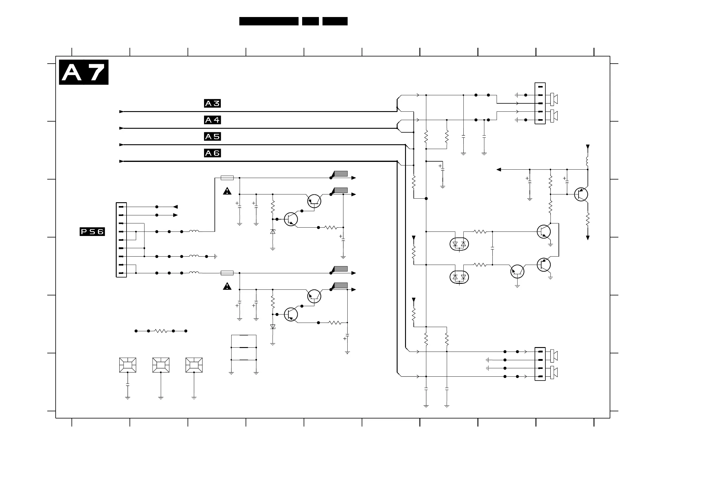
38FM24 7.
Electrical Diagrams and PWB Layouts
Audio Panel & Supply: Supply and DC Protection
2759 D8
F723 D2
F725 D2
F730 B5
F732 C4
F733 C5
F735 C5
F777 A8
F780 E8
F796 E2
F797 E2
F798 E2
2770 B8
8 Ohm
RES=RESERVED
1
2799 F1
3732 C4
3733 C5
3742 E4
3743 E5
3749 C6
3750 C8
2780 F7
LEFT HIGH
RIGHT HIGH
8 Ohm
LEFT LOW
0302 C1
0303 A8
F770 A8
F771 A8
3781 E7
3799 E2
5714 C3
0304 E8
0305 E1
0390 E2
2740 E3
2742 E4
2744 E5
2752 C9
F720 D3
FROM DIAGRAM
FROM 0302
2771 B7
F724 D2
2753 C8
3456789
F736 C4
F740 D5
F742 E4
F743 E5
F772 A8
F774 A8
F776 A8
7761 D9
C702 F3
E
F
A
F711 C2
F712 C2
2734 D5
F714 C2
F717 D2
F718 D2
F719 D2
D
E
F
DC PROTECTION
FROM DIAGRAM
2781 F7
3751 C9
3752 C9
3754 C9
3755 D6
F745 D5
F746 E4
F759 C7
3765 E6
3770 B7
3771 B7
3780 E7
5753 B9
5719 D3
5725 D3
F781 E8
6760 D7
3456789
12
A
B
C
D
7751 C8
7753 C9
7755 D8
B
C
F713 C2
3760 D8
6732 C4
6742 E4
6750 D7
1740 D3
2730 C3
2732 C4
C703 E3
C704 E3
F799 E2
2760 B7
F782 F8
F784 F8
F786 F8
F787 F8
7735 C5
FROM DIAGRAM
SUPPLY & DC PROTECTION
2
RIGHT LOW
AUDIO AMPLIFIER RIGHT HIGH
T2.5AL 250V
NC.
FROM DIAGRAM
SUPPLY
AUDIO AMPLIFIER RIGHT LOW
AUDIO AMPLIFIER LEFT HIGH
AUDIO AMPLIFIER LEFT LOW
F710 C2
7736 C4
7745 D5
7746 E4
0391 E3
1730 B3
22u
2760
T2.5AL 250V
POWER SUPPLY
47K
3752
F776
F743
BZX384-C10
6742
F717
1n
2759
7755
BC847BW
220u
2730
BAV99W
1
3
2
BC847BW
7751
BC868
7745
6750
2753
10u
7736
BC847BW
7746
BC857BW
F711
F786
1n
2770
F735
100MHZ
5753
VCC_10_POS
220u
2732
1K
3754
DC_PROT
10u
2752
5
C702
100MHZ
5714
PH-S
0303
1
2
3
4
1740
47K
3751
F719
GND_O
GND_O
BC857BW
7753
GND_O
F714
GND_O
F799
BAV99W
6760
1
3
2
3755
100K
GND_O
VCC_10_NEG
3760
470R
5725
100MHZ
RES
3799
F724
VCC_10_NEG
470R
3750
1u
2734
F712
DC_PROT
+9V_STBY
F770
6732
BZX384-C10
F742
VCC_10_POS
F736
F733
F732
3732
2K7
1K
3733
F782
+9V_STBYA
8V7
8V6
-0V2
F780
F740
1n
100K
3781
C704
2781
100K
3771
C703
F710
GND_O
SHIELDING 3.3
0305
F772
F774
1730
VSND_NEG
F771
100MHZ
5719
F787
3743
1K
F759
PH-S
1
2
3
4
5
6
7
8
9
F718
0302
F723
F745
F781
F798
1n
2780
F730
100K
3770
F777
2744
1u
GND_O
VSND_POS
3780
100K
F784
F720
GND_O
+9V_STBY
0390
SHIELDING 3.3
3742
2K7
2799
10n
F796
GND_O
BC857BW
7761
F746
10K
3749
4
PH-S
0304
1
2
3
3765
100K
SHIELDING 3.3
0391
F797
220u
2742
F713
220u
2740
BC869
7735
2771
1n
OUT_PROT
OUT_PROT
OUT_PROT
OUT_PROT
OUT_LH
OUT_LL
F725
OUT_RL
OUT_RH
CL 26532038_021.eps
030502
F730 = 14V4
F735 = 9V
F740 = -14V4
F745 = -8V8
+14V4
13V7
9V8
9V2
9V
-14V4
-13V7
-9V7
-9V2
-8V8
www.freeservicemanuals.info
31/8/2014
Digitized in Heiloo, Holland

Related product manuals